Driver's window will not budge/new regulator/new switch

2002 CHEVROLET SUBURBAN
200,000 MILES • 8.1L • V8 • 4WD • AUTOMATIC
Avatar
JAMESON MILLER
  • MEMBER
  • 7 POSTS
I'm at a loss here. All my windows work but the driver side. I have replaced the regulator 3 times and confirmed all units work outside the truck. I have replaced the switch panel once. And swapped a confirmed working panel from another suburban. I have checked the wires between the door and the track for issues. None exist. I tried splicing the wire at the switch to the motor to see if there is a wire issue issue on the door. I have spliced the wires that trigger the passenger front window to the driver motor in hopes that this may trigger the window. The only thing I can think that might be an issue would a ground that goes to the regulator. But I am not seeing any such ground wire on any of the diagrams. What am I missing?
Aug 5, 2020 at 9:30 PM
Advertisement
Avatar
DANNY L
  • CERTIFIED EXPERT
  • 5,648 POSTS
Hello, I'm Danny.

To answer your question yes, I believe you are having a ground issue on your driver side window motor or switch circuit. I've attached the front power window wiring diagram below. Usually the main ground for the driver side is located on upper left dash at the A-pillar.Keep us updated and let me know what you find.Hope this helps and thanks for using 2CarPros.
Aug 5, 2020 at 10:19 PM
Avatar
JACOBANDNICKOLAS
  • CERTIFIED EXPERT
  • 110,175 POSTS
Hi,

I need to understand something. When you put power direct to the motor, it doesn't run?

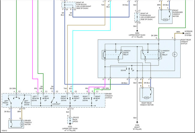
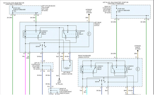
I attached a few pics below. The first two are the entire wiring schematic for the windows.

Now, power is present to the switch when the key is in the on position. Take a look at pic 3. I have an arrow showing power in. Based on the direction of the switch (up or down) determines which way power flows to the motor. Direction is changed by a change of polarity. So, when you select up, the dark blue wire at the motor gets power and ground is provided through the brown wire. When you select down, the brown wire provides power and a ground path is provided by the dark blue wire.

What I need to know is firs, does the dark green wire at the switch have power? If so, do the other two wires receive power when you actuate the switch?

Let me know.

Joe
Aug 5, 2020 at 10:24 PM
Advertisement
Avatar
JAMESON MILLER
  • MEMBER
  • 7 POSTS
Danny, I couldn't find the ground wire you were referring to on the A pillar.

JACOBANDNICKOLAS, On the grey plug I tested the (green wire) and got no current with the car running. This was contrary to the other (green wires) located on the black plug that operates the (door locks?). Is the green wire supposed to be hot? Also note I was expecting 12 volts but the wire that I tested were all in the upper 14v. Not sure if that's normal. It is however what my alternator produces.
Aug 6, 2020 at 12:48 PM
Avatar
JACOBANDNICKOLAS
  • CERTIFIED EXPERT
  • 110,175 POSTS
Hi,

Yes, that should have power. It is a dark green wire. As far as the 14v, if the engine was running, that is normal.

Let me know if you got the right one.
Joe
Aug 6, 2020 at 11:49 PM
Avatar
JAMESON MILLER
  • MEMBER
  • 7 POSTS
Yes, that dark green wire was the correct one. No power on it at all.
Aug 6, 2020 at 11:59 PM
Avatar
DANNY L
  • CERTIFIED EXPERT
  • 5,648 POSTS
Hello again.

Here is the location of the driver side power window ground in the splice back to help aid in diagnosis of this power window issue. I've attached the picture below and it's circled as #35 in red.Again this is attached mid dash on the A-pillar.Joe and I will continue to assist in this repair for you.Hope this helps and thanks again for using 2CarPros.
Aug 7, 2020 at 1:33 AM
Avatar
JAMESON MILLER
  • MEMBER
  • 7 POSTS
I'm not able to get to this location on the paper. Is there a way for me to test this before or after said location?
Aug 8, 2020 at 12:43 PM
Avatar
JACOBANDNICKOLAS
  • CERTIFIED EXPERT
  • 110,175 POSTS
Hi,

I'm not familiar with the pic he attached, so I'll let him respond to that question. If you go back to the circuit breaker, is power out from it? If so, we need to check continuity in the dark green wire that sends power to that switch. There has to be a break at some point.

If you supply 12v to the green wire before the switch, does the window work?

Joe
Aug 8, 2020 at 9:36 PM
Avatar
JAMESON MILLER
  • MEMBER
  • 7 POSTS
Joe, I'm going to try this soon. When it's a little less hot later this week. Can you recommend a safe other wire to use in this test or a specific method? I was thinking of using line splices and splicing in to the nearest 12v connection on that same plug.
Aug 10, 2020 at 8:17 PM
Avatar
JACOBANDNICKOLAS
  • CERTIFIED EXPERT
  • 110,175 POSTS
Don't splice into a wire on the vehicle to get power. You can simply take power from the positive battery terminal straight to the green wire using a jumper wire.

Just be careful not to short the jumper wire from the battery to ground.

Let me know.
Joe
Aug 10, 2020 at 10:02 PM
Avatar
JAMESON MILLER
  • MEMBER
  • 7 POSTS
JACOBANDNICKOLAS, I put 12v power form the battery to the green wire and the window rolled up and down.
Aug 15, 2020 at 3:25 PM
Avatar
JACOBANDNICKOLAS
  • CERTIFIED EXPERT
  • 110,175 POSTS
Hi,

If power flowed through the green wire and it worked, either we have a bad connection at the circuit breaker, or there is a break between the power source and the switch. One last check. See if there is continuity in the green wire from start to finish. Or, see if there is power at the circuit breaker.

Let me know.
Joe
Aug 16, 2020 at 12:16 AM
Avatar
JAMESON MILLER
  • MEMBER
  • 7 POSTS
I was able to follow that back and found where it looked broken. I spliced the wire back and butt connected it. Works just fine. Some time in the future I may replace the wire.
Aug 29, 2020 at 4:51 PM
Avatar
DANNY L
  • CERTIFIED EXPERT
  • 5,648 POSTS
Glad you found it!
That repair should be alright.Hope you put heat shrink tubing on it to help resist moisture.Thanks again for using 2CarPros and we hope you will use our site again in the future.

Danny-
Aug 29, 2020 at 5:38 PM