Hi friends,
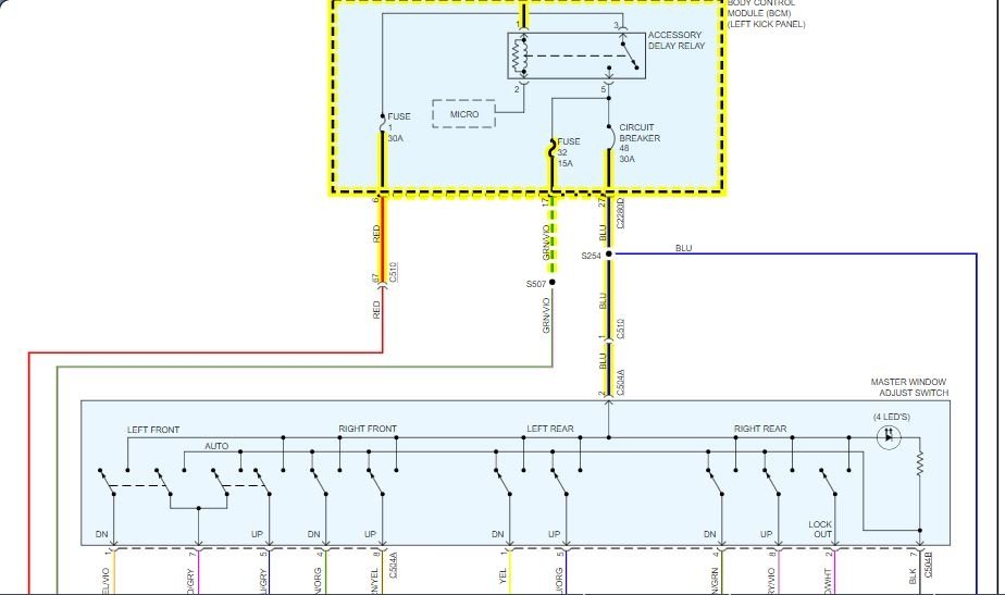
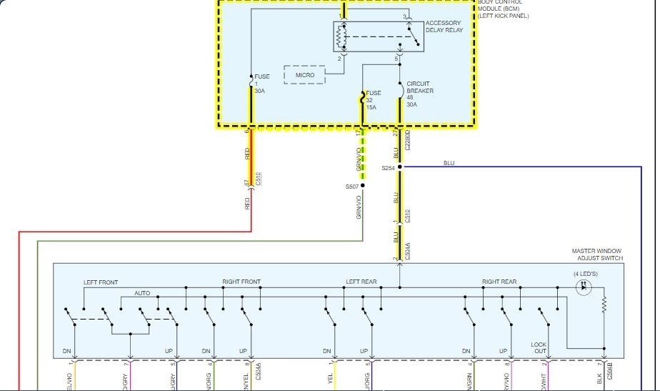
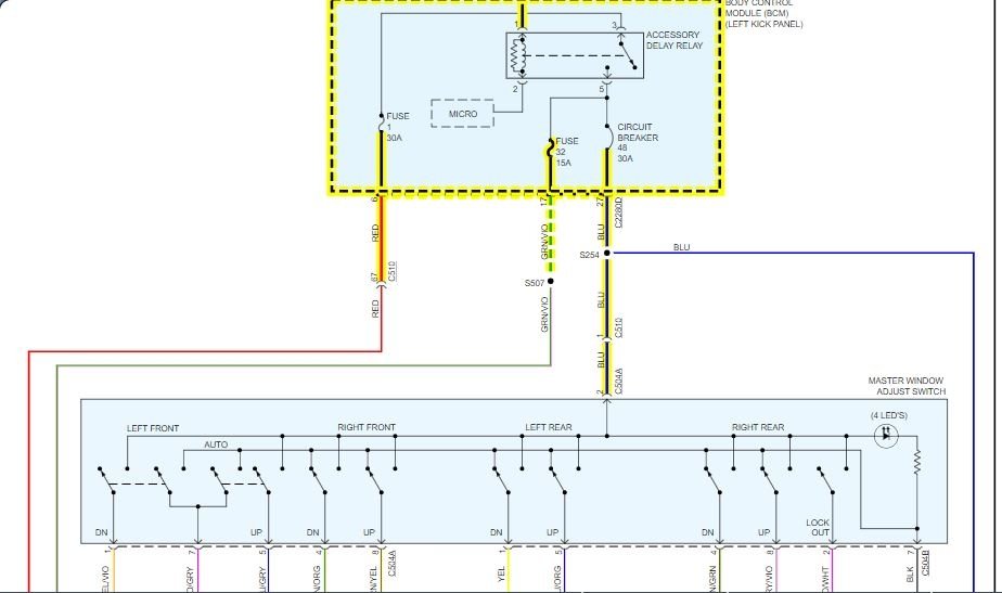
I have the vehicle listed above Limited. I shorted the wrong wire to ground trying to fix the door ajar issue. In the wrong happed short in wires.
But I checked fuses 1, 4 and 32 it was fine, so only window drive not work to now, what I do, please?
I have the vehicle listed above Limited. I shorted the wrong wire to ground trying to fix the door ajar issue. In the wrong happed short in wires.
But I checked fuses 1, 4 and 32 it was fine, so only window drive not work to now, what I do, please?
May 19, 2020 at 4:52 AM
