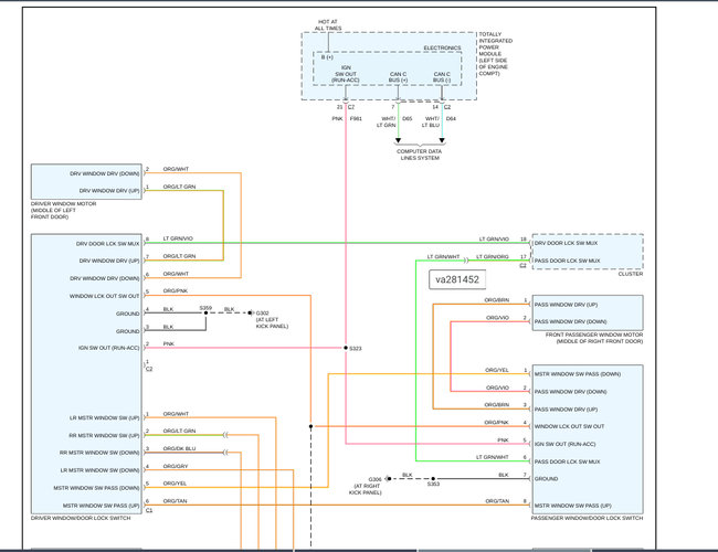
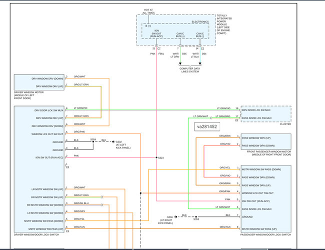
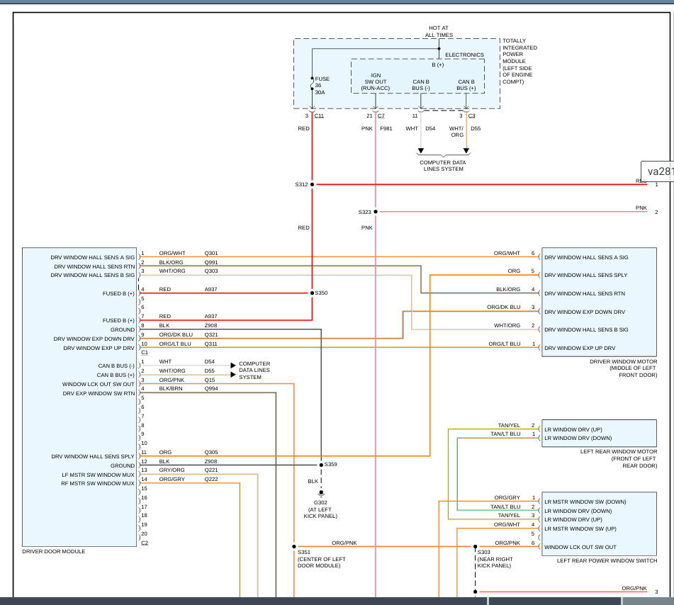
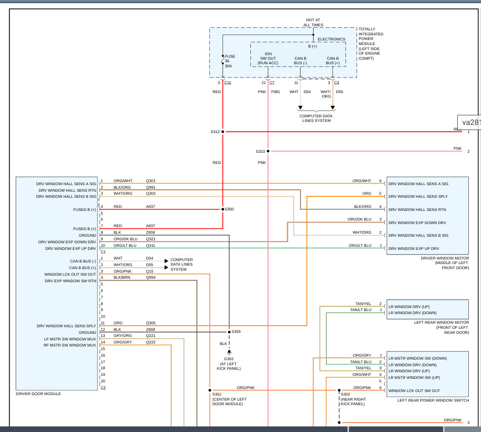
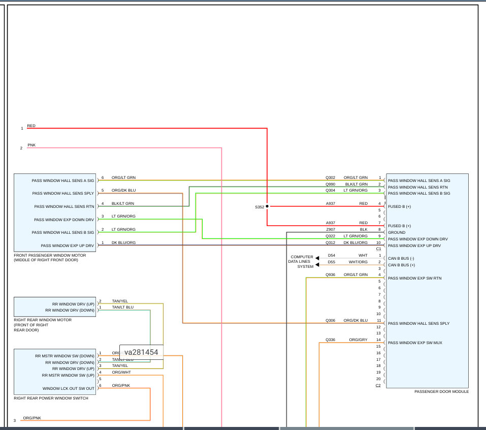
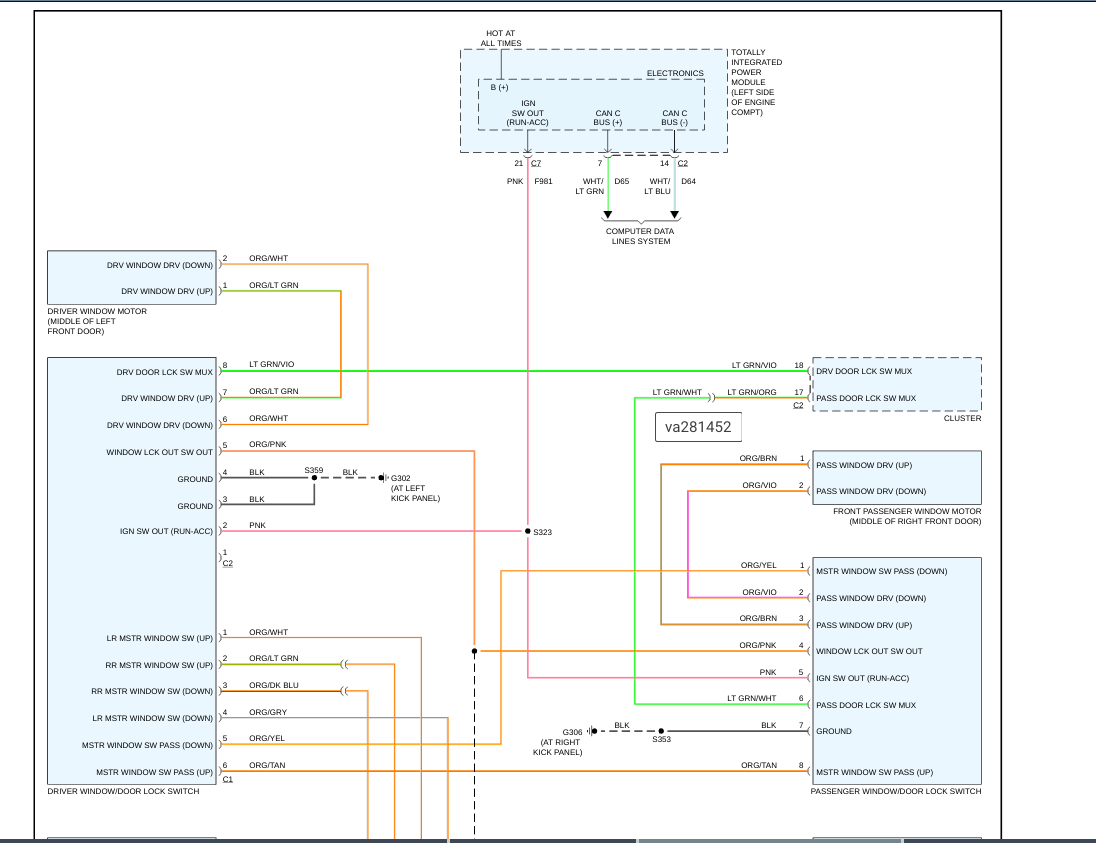
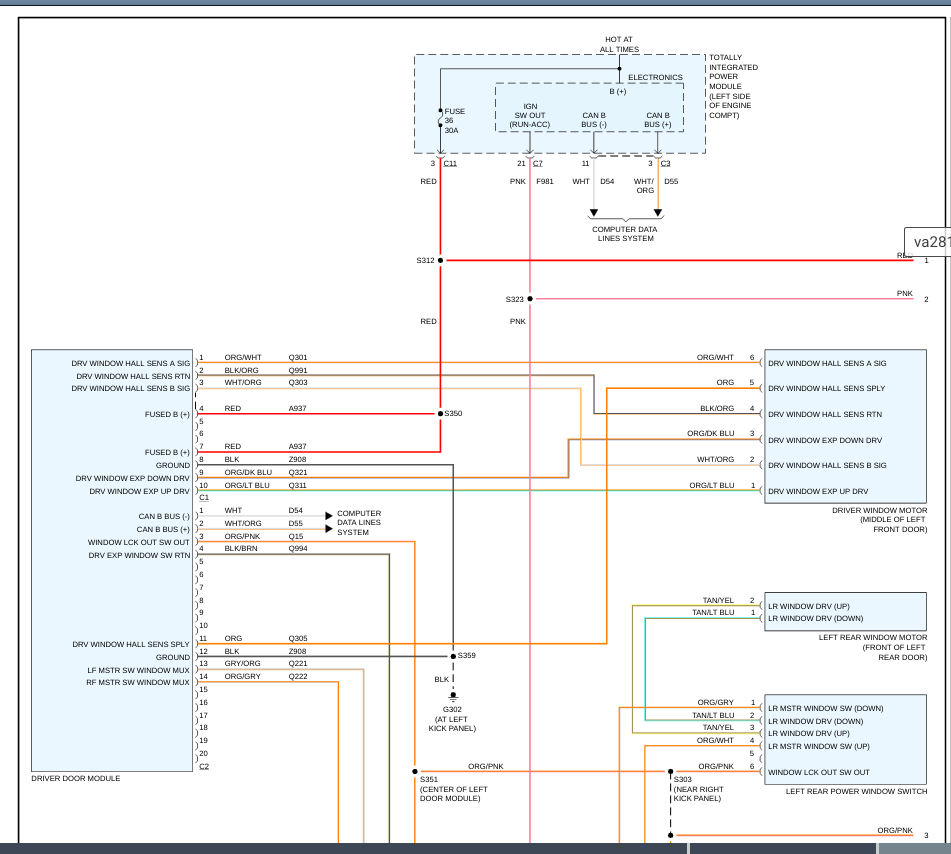
After I turn my car off the driver's side window attempts to go down and then immediately jerks back up. Repeatedly. My car is a convertible and sometimes all the windows will go down part way like it's trying to put the top down. Do I have to take it to the dealer??
Mar 26, 2020 at 5:56 AM










