Driver side window wiring resistance?

2016 GMC ACADIA
105,000 MILES • 3.6L • V6 • 2WD • AUTOMATIC
Avatar
CHRIS149
  • MEMBER
  • 1 POST
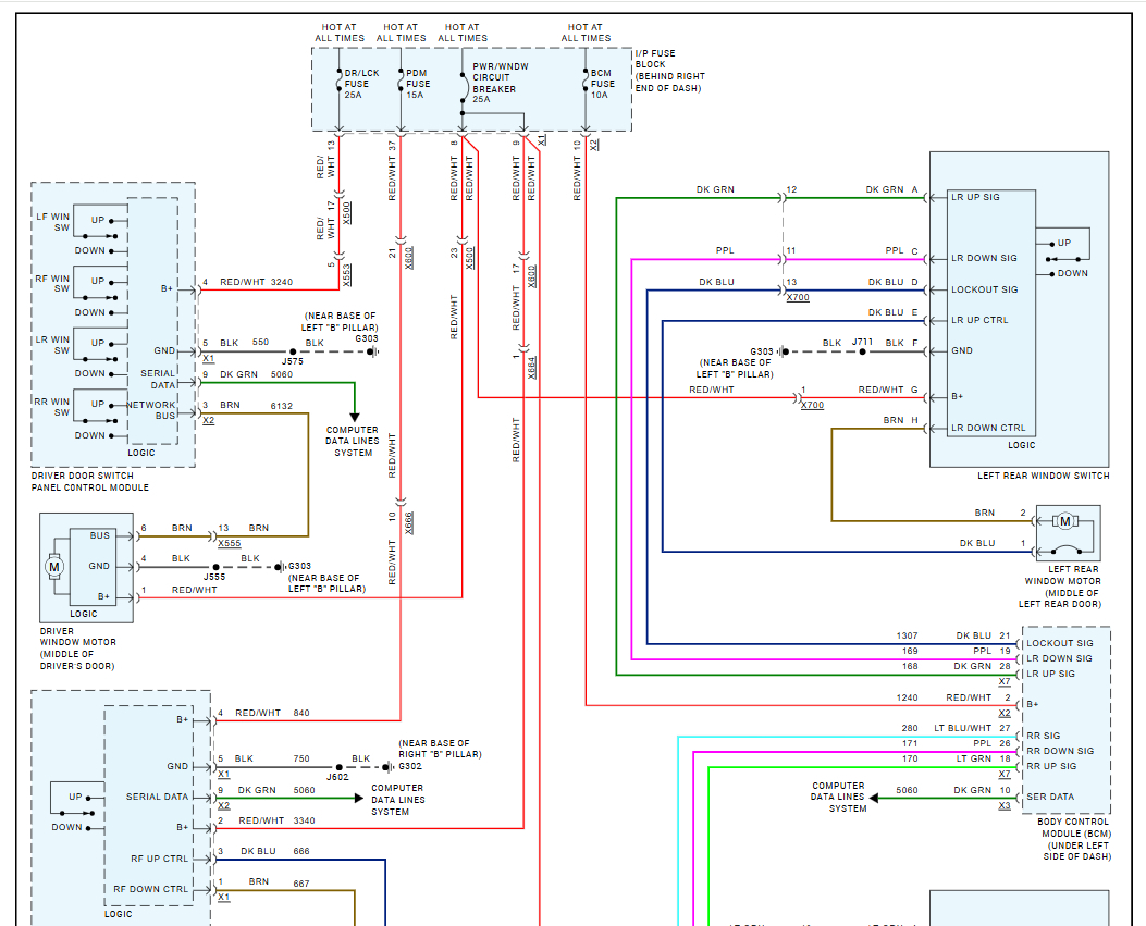
From the switch I'm only getting 11.4 volt to the motor. When I disconnect the switch and manually jump the connector pins i get the same voltage. Motor works great when jumped directly from the battery.
Mar 24, 2025 at 12:57 PM
Advertisement
Avatar
STRAILER
  • CERTIFIED EXPERT
  • 53,854 POSTS
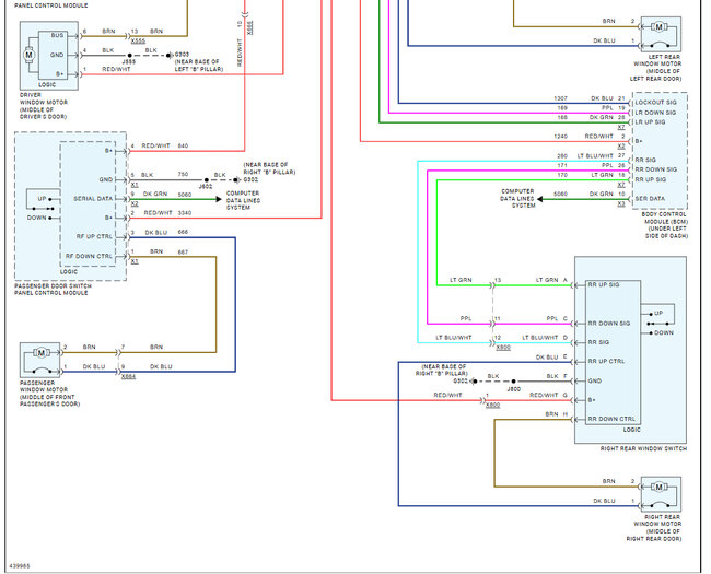
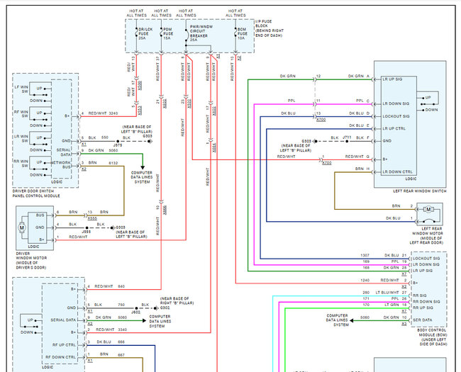
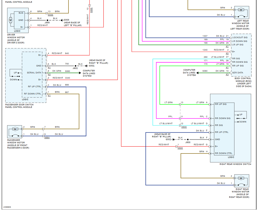
What is the battery voltage directly and what is the problem, is the window not working? Most of the time it will be the switch, but I have seen a bad ground cause this as well. Here are the wiring diagrams so you can see how the system works. As you can see by the wiring diagrams there is nothing between the switch and the fuse panel. Check out the images (below).

Mar 25, 2025 at 2:57 PM