Window will not roll up or down on driver side

1998 PLYMOUTH GRAND VOYAGER
196,814 MILES • 3.3L • 4 CYL • 2WD • AUTOMATIC
Avatar
HOLLI J BENNETT
  • MEMBER
  • 1 POST
Can’t find the fuse box to check fuse for the driver side window. Help!
May 27, 2021 at 4:34 PM
Advertisement
Avatar
KASEKENNY
  • CERTIFIED EXPERT
  • 18,907 POSTS
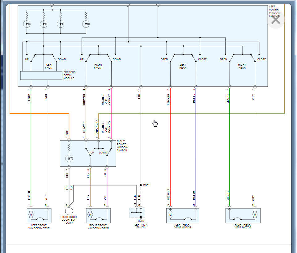
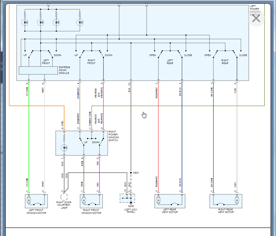
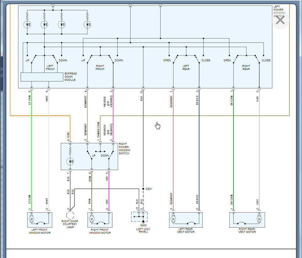
This is the junction block that is behind the left side dash. Fuse 8 and 9 is for the window switch that if they are not operating then it would not work but the passenger side would most likely not work either as the power is run through the master switch.

However, let's check the fuse and then we will need to check power coming out of the switch if the fuses are okay.

https://www.2carpros.com/articles/how-to-check-wiring

I included the wiring diagram and the location of the junction block.

Please let us know what you find on this. Thanks
May 28, 2021 at 5:27 PM