Driver side window wiring diagram needed?

2013 CHRYSLER TOWN AND COUNTRY
200,000 MILES • 4 CYL • 2WD • AUTOMATIC
Avatar
DENILYN
  • MEMBER
  • 1 POST
My problem is my husband tried fixing the car window because the regulator broke but in the process, he took every wire there was and disconnected it. The door is put together up to the latch working but I’m looking at the instructions it says to connect a wire inside behind where the latch is, but I cannot tell we’re the wire connects. It has a white connector on the end and seems to go through the round opening, but I can’t figure out where it’s being connected to. This is the fourth time this door has been apart. This time I took over and looked for instructions so any help would be greatly appreciated. Thank you I’m advance for your time.
Aug 3, 2023 at 3:10 AM
Advertisement
Avatar
STRAILER
  • CERTIFIED EXPERT
  • 53,854 POSTS
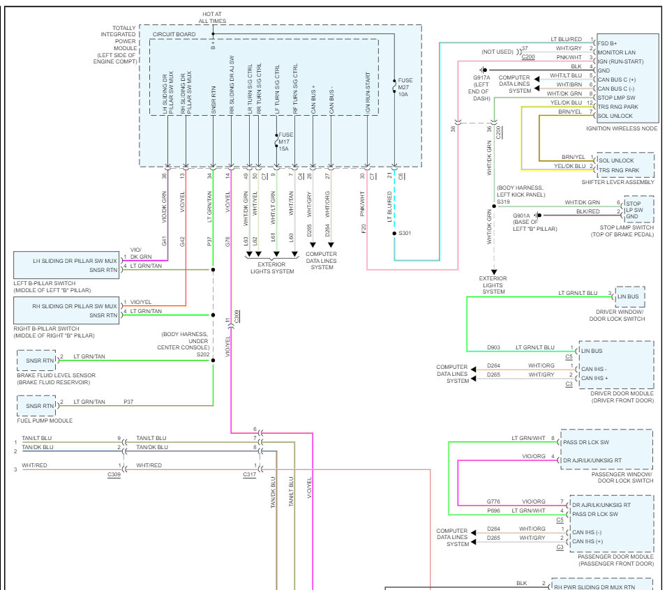
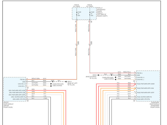
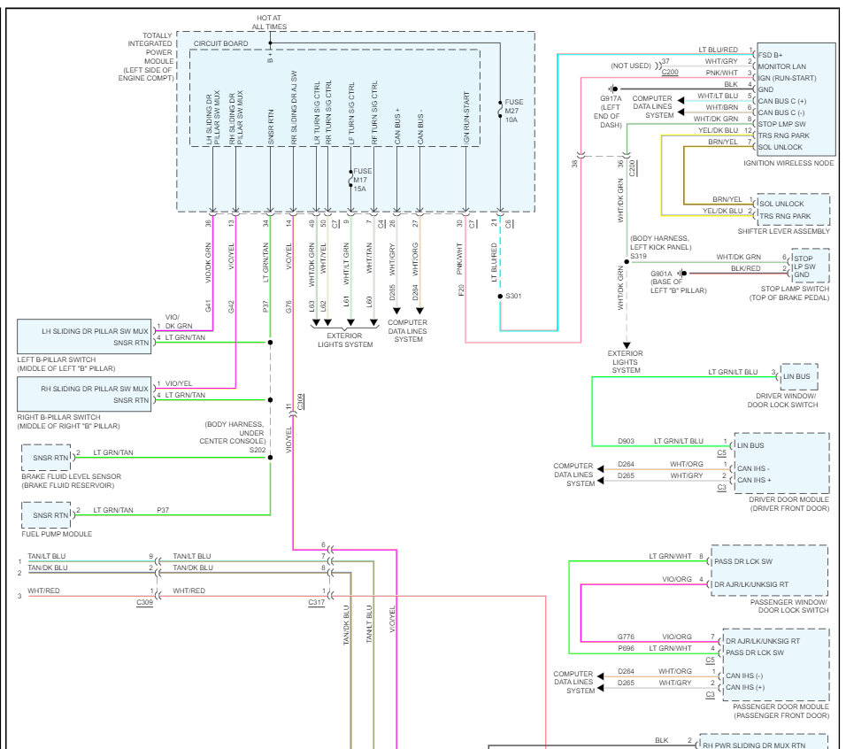
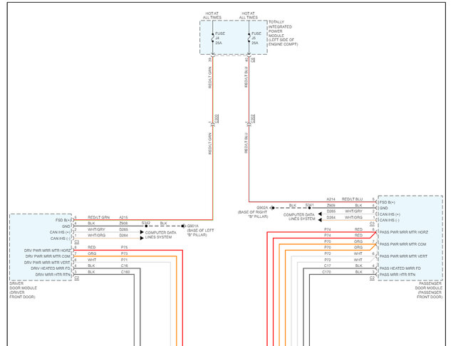
Thanks for the video, it helps. here are the window, lock/latch wiring diagrams so you can see how the system works and where the connectors go, just look at the wiring colors and they will show where they go. Check out the images (below). Please let us know if you need anything else to get the problem fixed.
Aug 3, 2023 at 12:28 PM