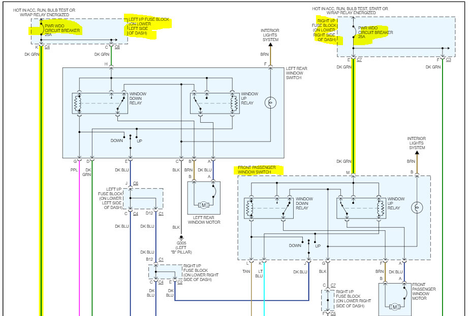
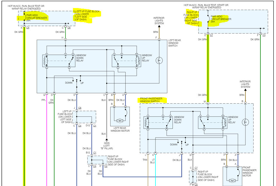
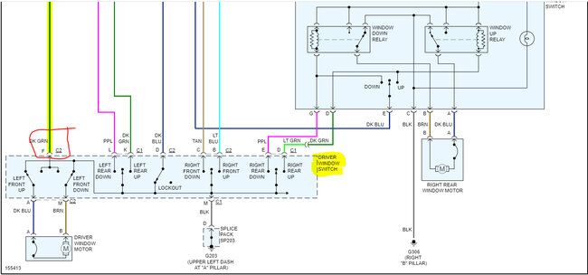
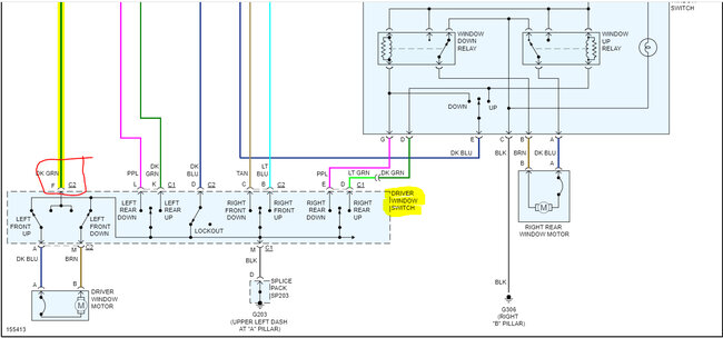
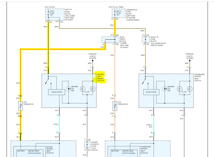
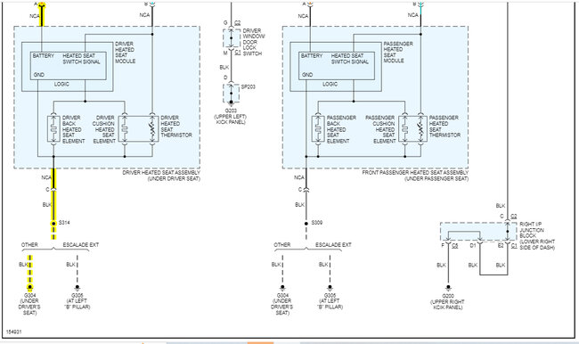
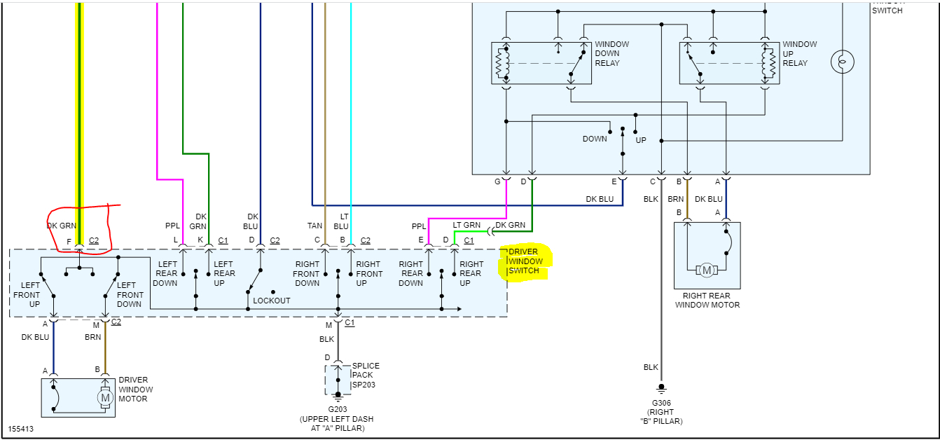
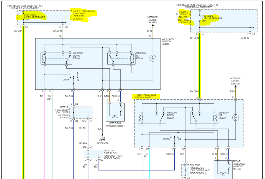
I put a new switch in driver side window. Switch is good so is fuses, relays, and circuit breaker. I test it for power when I probe the ground in the plug I have no power, I ground my tester to the vehicle and probe for power I have power. It's only doing it on the front windows. I probe the back windows switch and I have power. So, I'm sure I have a bad ground wire. Where would I check the other end of the ground?
Nov 17, 2022 at 3:36 PM





