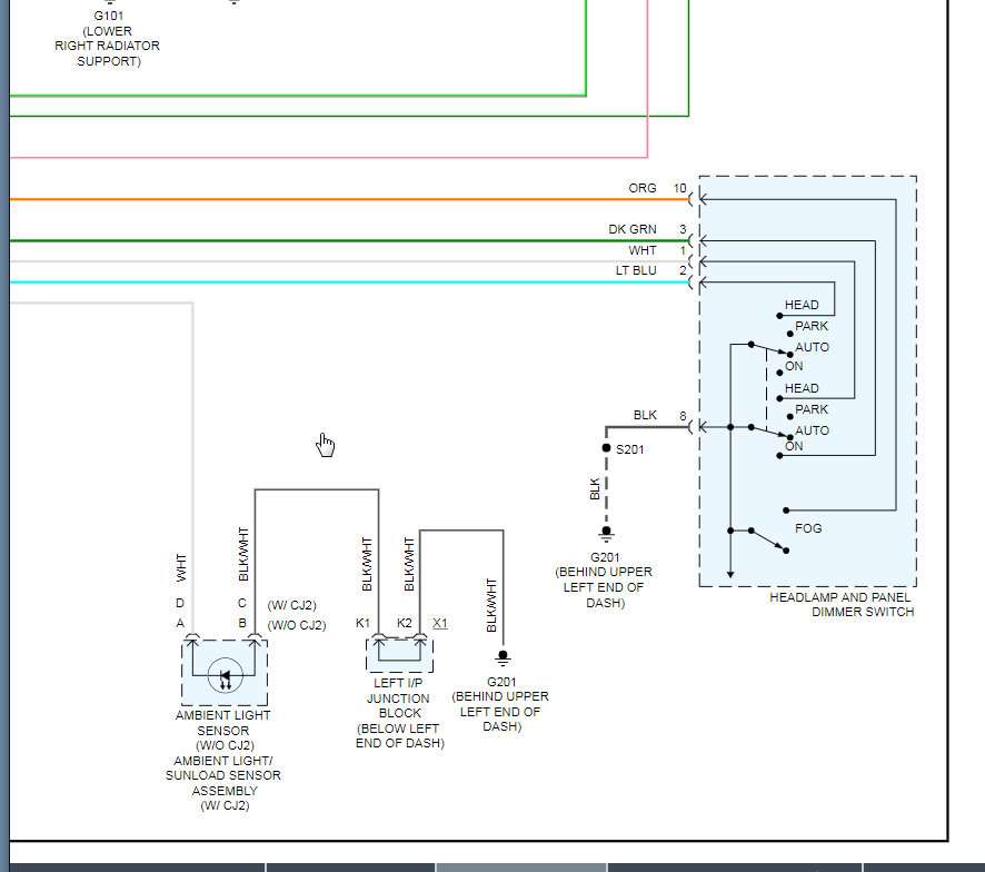
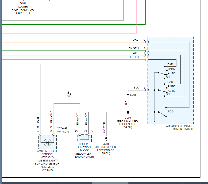
I just had my driver side taillight and headlight redone at Midas and they told me that it was a front bulb and two fuses. About 3-4 days later the same thing happened and I don't know what to think at this point. Aso,. the taillights are LED.
Apr 1, 2020 at 11:22 AM



