Driver side seat climate control not working?

2017 INFINITI QX60
130,000 MILES • VR6 • 4WD • AUTOMATIC
Avatar
TOMR48
  • MEMBER
  • 16 POSTS
Driver side has no heat and no cool function. The light does not light up under heat or cool. The passenger side works fine. I only found one fuse (according to the fuse diagram) and it is good.
Dec 4, 2024 at 2:41 PM
Advertisement
Avatar
JACOBANDNICKOLAS
  • CERTIFIED EXPERT
  • 110,175 POSTS
Hi,

There is a fuse for the driver's side and a different one for the passenger side. I attached a few pics below. The first picture shows the location of the fuses. Check fuse 68 in the fuse/relay box under the hood, left side. Make sure there is power to and from it as well.

Here is a link you may find helpful:

https://www.2carpros.com/articles/how-to-check-a-car-fuse

If the fuse checks out to be good, check the red wire under the seat which powers the heater.

Let me know what you find.

Take care,

Joe

See pics below.
Dec 4, 2024 at 8:08 PM
Avatar
TOMR48
  • MEMBER
  • 16 POSTS
Fuse is good. I am not sure what red wire that you are referring to, but everything looks connected. I sent a video.
Dec 5, 2024 at 1:03 PM
Advertisement
Avatar
TOMR48
  • MEMBER
  • 16 POSTS
In order to check the control module for seat climate control, I will need to remove the seat. Do you have any instructions on driver seat removal or a way to check and if necessary, swap out the module?
Dec 5, 2024 at 3:23 PM
Avatar
TOMR48
  • MEMBER
  • 16 POSTS
I believe that driver and passenger modules are identical, and a swap will help diagnose if this part is bad.
Dec 5, 2024 at 3:24 PM
Avatar
JACOBANDNICKOLAS
  • CERTIFIED EXPERT
  • 110,175 POSTS
Hi,

I copied from your video a pic. I have an arrow pointing to the red wire in question. Check to see if there is power present.

Next, I attached the directions below for removing the seat. The last three pics below are for the removal of the seat module.

Take a look and let me know if this helps.

Take care,

joe

See pics below.
Dec 5, 2024 at 6:48 PM
Avatar
TOMR48
  • MEMBER
  • 16 POSTS
I did not receive a picture showing the red wire to check. It is impossible to check any of the red wires without removing the seat to gain access. Unless you have a trick.
Dec 5, 2024 at 10:28 PM
Avatar
JACOBANDNICKOLAS
  • CERTIFIED EXPERT
  • 110,175 POSTS
Hi,

I attached the picture below. Based on the picture, you should be able to reach the wire. If not, the seat will need to be removed.

Let me know.

Joe
Dec 6, 2024 at 5:56 PM
Avatar
TOMR48
  • MEMBER
  • 16 POSTS
Yes there is power. I had to unplug the module to measure. While the module was unplugged, I lost control of seat adjustments. So, is this the correct wire? Next step?
Dec 8, 2024 at 12:12 PM
Avatar
TOMR48
  • MEMBER
  • 16 POSTS
I lay replied on Friday. It is now Tuesday, and I haven’t received a reply. There is power at red wire shown. When I unplugged to check for power, the driver seat adjustments stopped working. Is this the correct module? So, what is next?
Dec 10, 2024 at 7:34 AM
Avatar
TOMR48
  • MEMBER
  • 16 POSTS
Next step ??
Dec 11, 2024 at 6:48 AM
Avatar
STRAILER
  • CERTIFIED EXPERT
  • 53,854 POSTS
If you are getting power to the red wire this means the relay is good, if you have ground at the grey or black wire, (module unplugged) then the module is bad and you need a replacement. Please let us know what happens.
Dec 12, 2024 at 9:57 AM
Avatar
TOMR48
  • MEMBER
  • 16 POSTS
Is this the model number 28565-9NJ0A?
This seat has heat and cool. 2017 QX60

I also read that if the heating element was shorted out that it could also prevent the switch from lighting up
Is the passenger module exactly the same? If so, I could test by swapping?
Please let me know.
Dec 12, 2024 at 12:00 PM
Avatar
STRAILER
  • CERTIFIED EXPERT
  • 53,854 POSTS
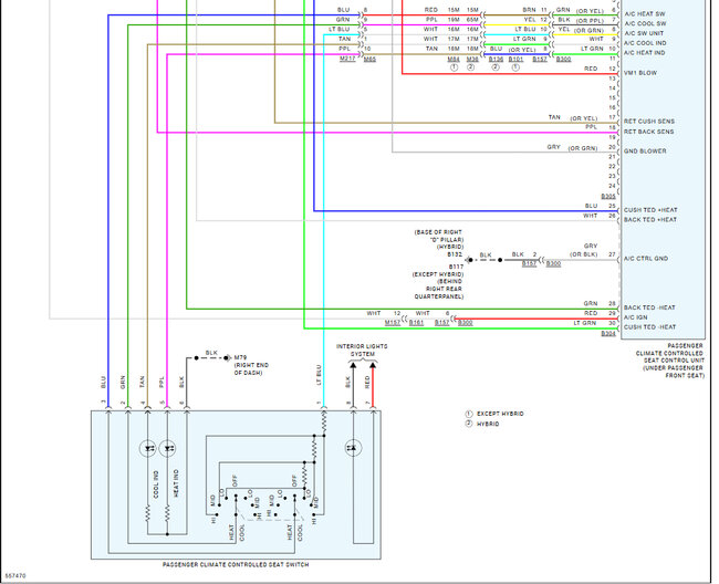
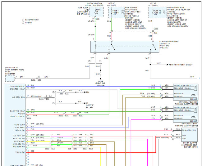
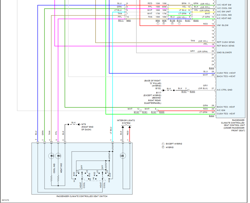
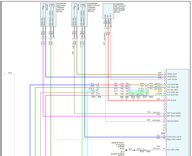
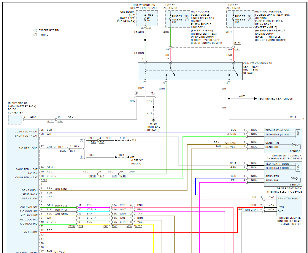
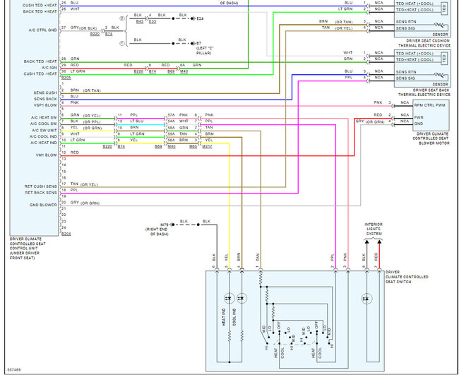
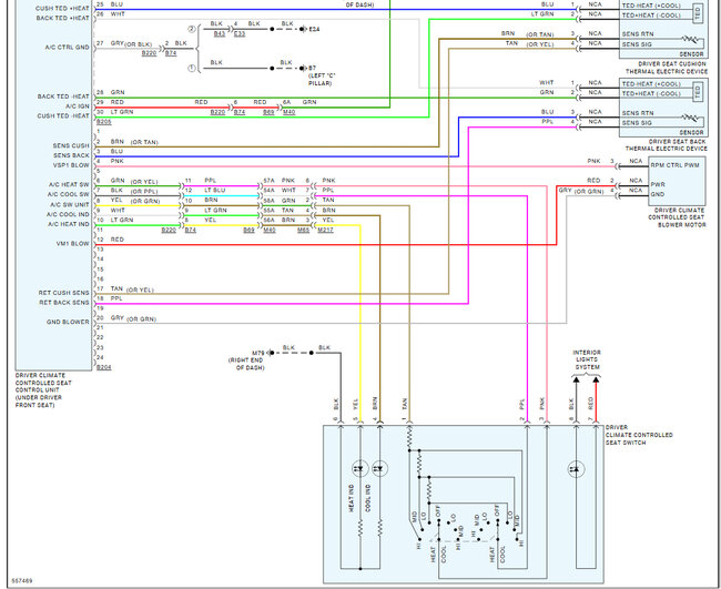
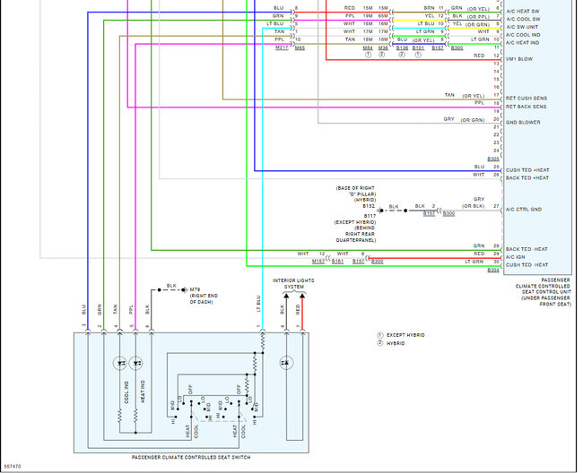
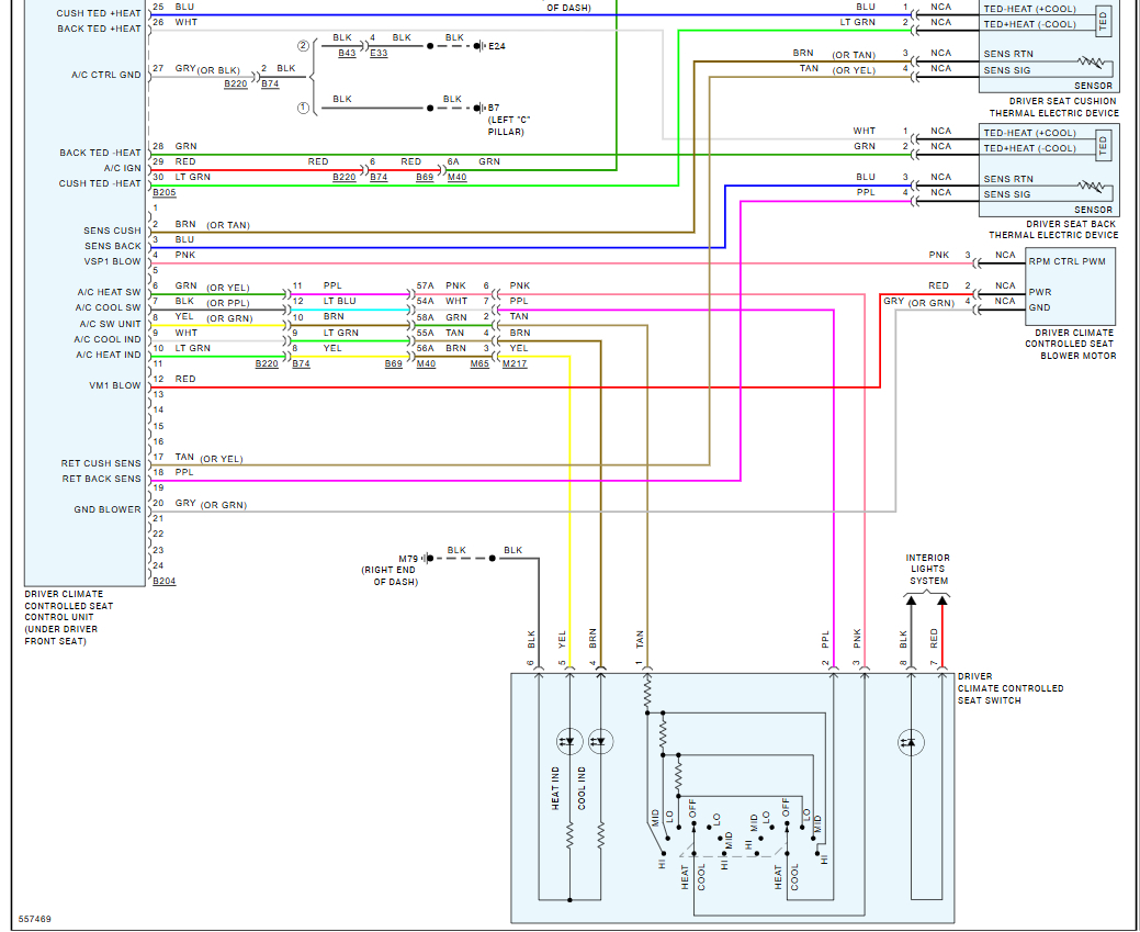
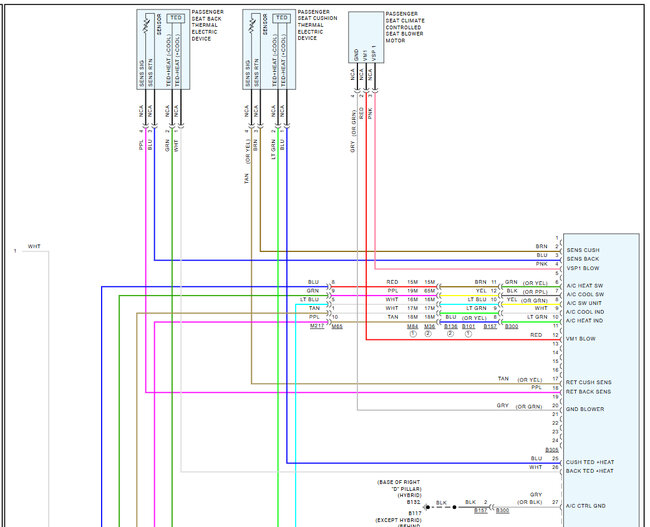
Yes, a shorted heating element or a fault in the seat heating/cooling circuit can prevent the seat control switch from functioning or lighting up. The driver and passenger seat modules are not interchangeable. Here are the wiring diagrams so you can see how the system works and a guide to help you check the wiring connections:

https://www.2carpros.com/articles/how-to-check-wiring

Check out the images (below). Please let us know what happens.
Dec 12, 2024 at 6:13 PM
Avatar
TOMR48
  • MEMBER
  • 16 POSTS
Can I simply unplug the individual modules, thereby removing the possibility of a short causing the problem? If so can you provide the location of the modules. I don’t want to spend $300 for a replacement module unless I know for sure that is the problem.
Dec 13, 2024 at 8:18 AM
Avatar
STRAILER
  • CERTIFIED EXPERT
  • 53,854 POSTS
The modules are under the seats. Both modules work independently of each other. Check out the images (below). Please let us know what happens.
Dec 13, 2024 at 12:49 PM
Avatar
TOMR48
  • MEMBER
  • 16 POSTS
I know where the seat control unit is. I need to know where the other modules are located so that I can unplug them, one at a time to see if the light on the switch illuminates.
Dec 13, 2024 at 1:38 PM
Avatar
TOMR48
  • MEMBER
  • 16 POSTS
I unplugged the blower and the gentherm. The heat/cool switch did not illuminate. Is there anything else that could be shorting the control module out or could the switch itself be the problem? So, how do I rule out the switch itself?
Dec 14, 2024 at 10:02 AM
Avatar
STRAILER
  • CERTIFIED EXPERT
  • 53,854 POSTS
"other modules"? I am not sure what other modules you mean, there are only the seat modules in this system. You can use a voltmeter to test through the switch by looking at the wiring daigrams. Use the guide above to see how to test.
Dec 14, 2024 at 10:25 AM
Avatar
TOMR48
  • MEMBER
  • 16 POSTS
I noticed that the wiring diagrams that you sent all say passenger. Is the driver side is different because you told me that the control modules were not interchangeable.
Dec 14, 2024 at 12:48 PM
Avatar
STRAILER
  • CERTIFIED EXPERT
  • 53,854 POSTS
Please look again, the wiring is for both and you will notice the wiring is different from side to side.
Dec 15, 2024 at 10:34 AM
Avatar
TOMR48
  • MEMBER
  • 16 POSTS
Is my seat heated by the gentherm with blown air or are there wires in the cushions? No wiring diagrams show wires to cushion or seat back only to TED seat and TED cushion. Are both Ted’s in the same module under the seat. So how do I test if Ted is bad vs climate control module? Are both passenger and driver the same?
Dec 16, 2024 at 8:44 AM
Avatar
STRAILER
  • CERTIFIED EXPERT
  • 53,854 POSTS
The seat heating and cooling system is typically controlled by Thermoelectric Devices. These will be the same seat to seat. Have you run a CAN scan to see if any codes are present? You can get a CAN scanner (Controller Area Network) which will work on most cars from Amazon.

Here is a video to show you how:

https://youtu.be/u-4syLc-ifQ

I don't know if the TED's can be tested.
Dec 17, 2024 at 10:06 AM
Avatar
TOMR48
  • MEMBER
  • 16 POSTS
I swapped TEDs. Driver seat now works. The passenger side came on initially but now it doesn’t work. So I guess I have to order a new TED.
Thanks for the help.
Dec 18, 2024 at 12:03 PM
Avatar
STRAILER
  • CERTIFIED EXPERT
  • 53,854 POSTS
Glad you could get it fixed, thanks for letting us know. Please use 2CarPros anytime we are here to help.
Dec 19, 2024 at 10:41 AM