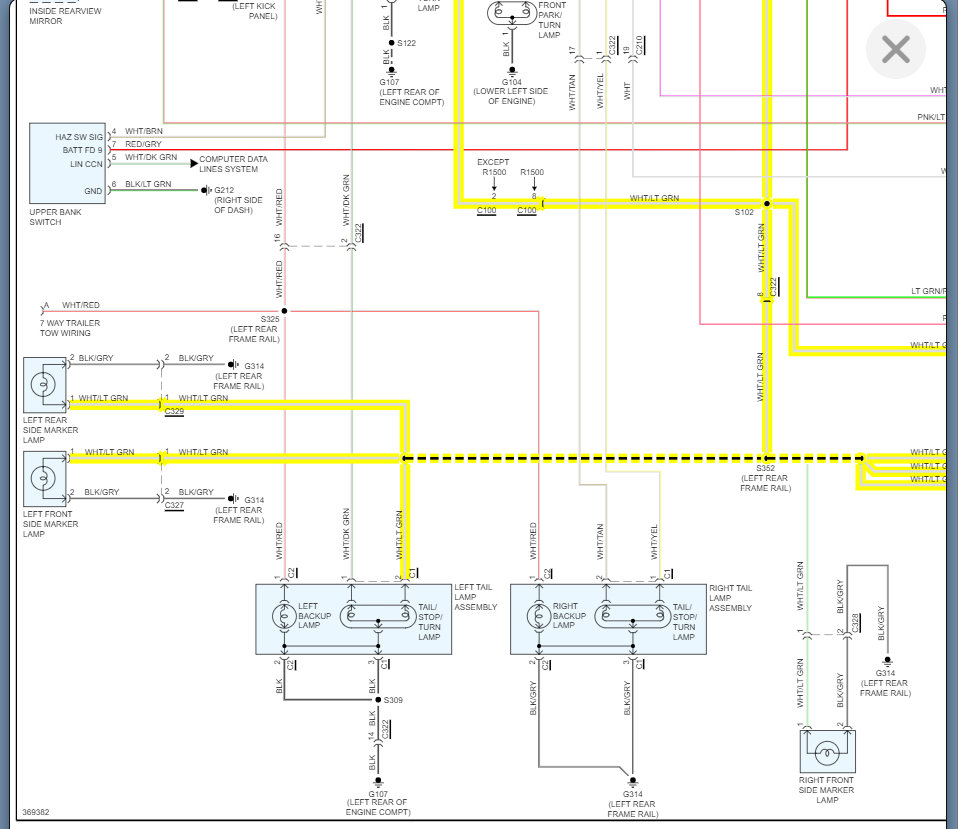
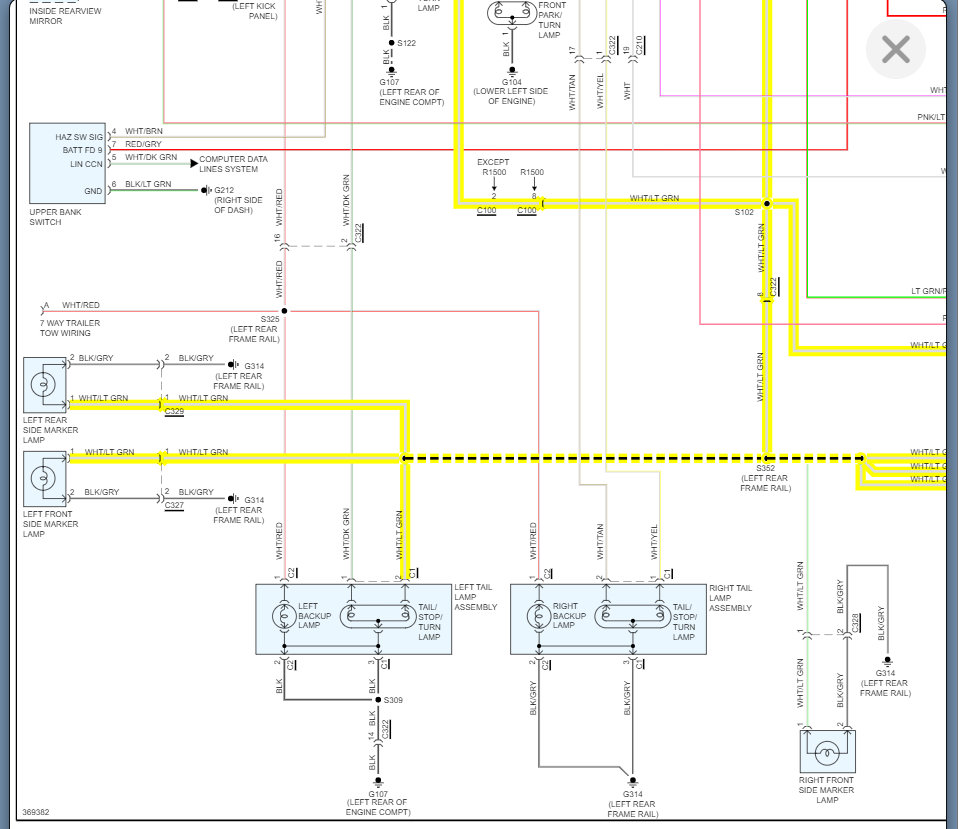
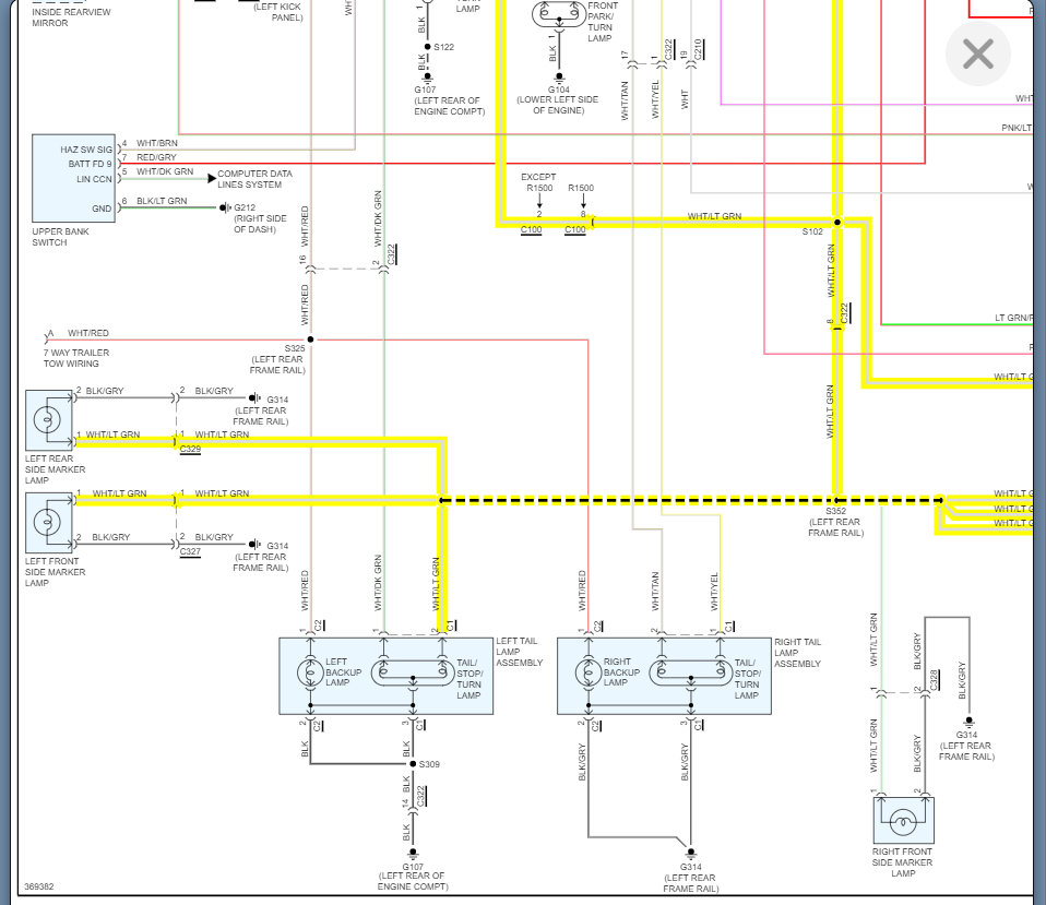
The driver’s side running light won’t turn on, the brake light and blinker still work but the running light does not want to. I have LED taillights and I thought it might’ve just been the assembly going out, so I replaced them and same problem, I’ve checked the fuses, the wiring, I even looked into the trailer harness and still nothing.
Jan 6, 2022 at 4:43 PM





