Hello,
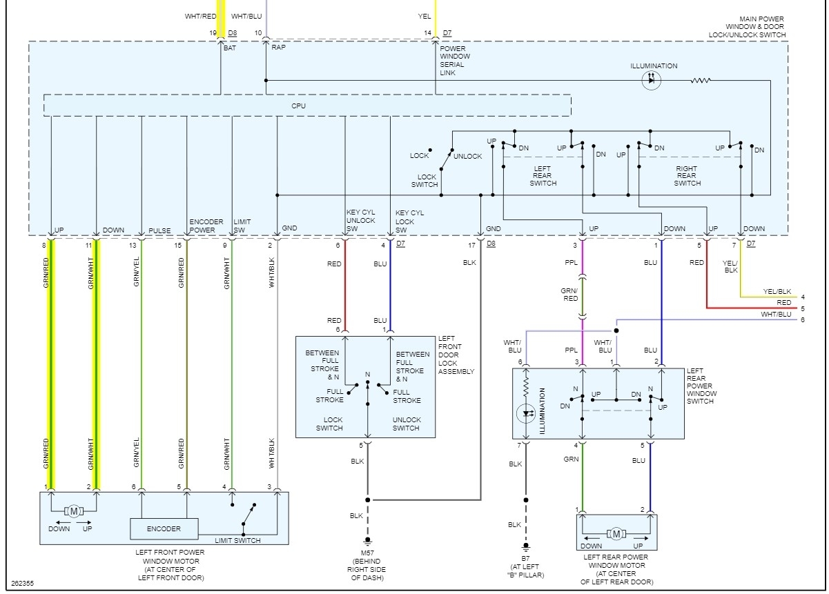
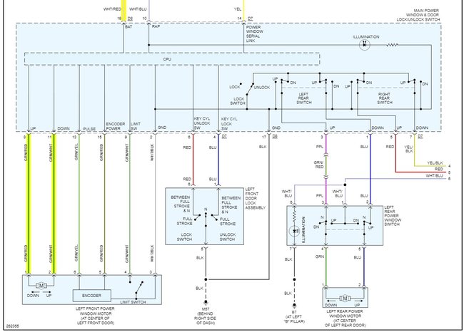
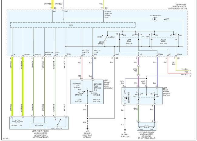
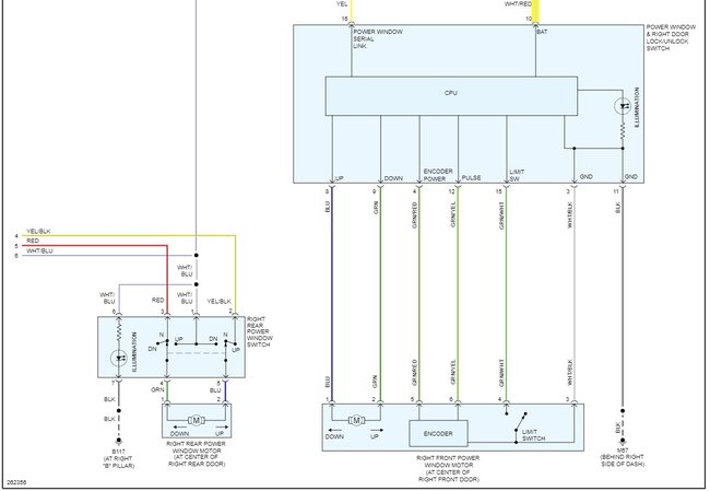
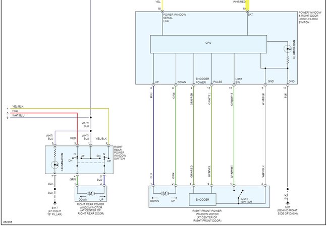
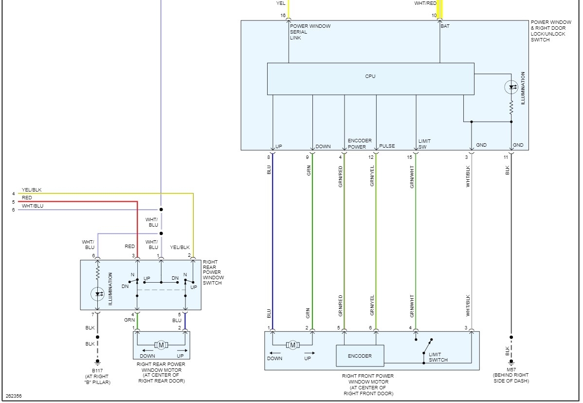
You may also want to check Fuse 1 (10 amp) and Fuse 6 (10 amp) in the fuse block behind the left side of the dash, and the 50 amp fusible link in the engine compartment on the same side (left side if you're sitting in the driver seat). I've attached the schematic for the power windows below.
This guide shows how to check fuses:
https://www.2carpros.com/articles/how-to-check-a-car-fuse
I hope this helps, Wendy W.
Images (Click to enlarge)
Mar 22, 2022 at 11:20 AM