☰
Login
Join
×
Home
Answered Questions
Repair Topics
Repair & Service Guides
Popular Questions
Warning Lights
Trouble Codes
How It Works
Testing / Diagnostics
Symptoms
Videos
Login
Become a Member
Home
Chrysler
Town and Country
Body
Window
Not Working
Driver side power window and power door
2005 CHRYSLER TOWN AND COUNTRY
269,000 MILES
KBARAJAS
MEMBER
1 POST
FOLLOW
The driver side window does not work at all. Neither does the driver side sliding door. The passenger side is fine on both.
Jun 24, 2018 at 12:28 AM
Advertisement
ASEMASTER6371
CERTIFIED EXPERT
52,796 POSTS
Good morning.
Do you have a voltmeter to do some checks?
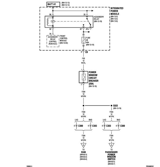
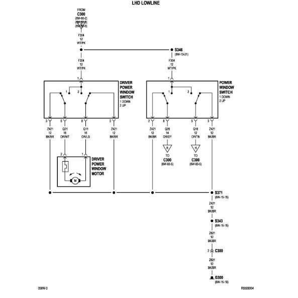
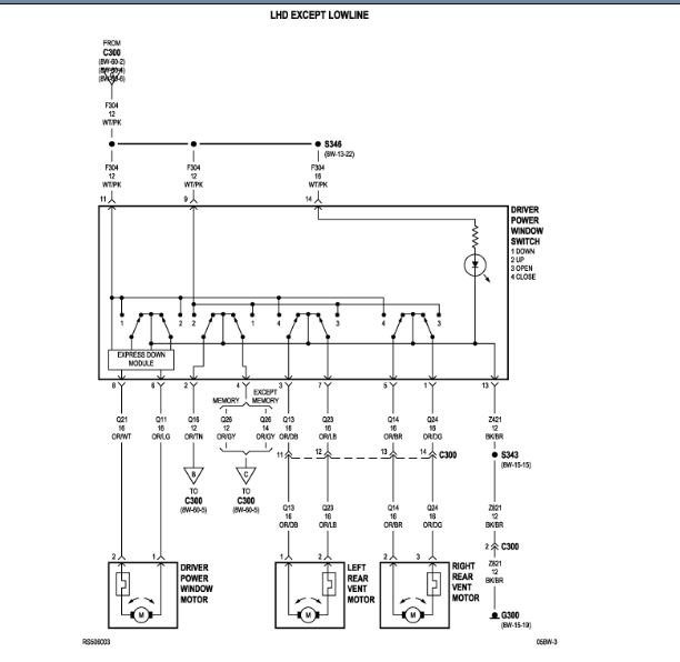
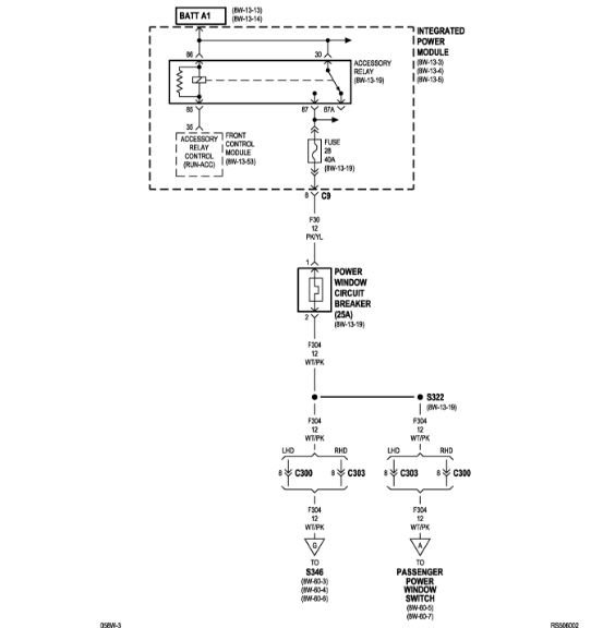
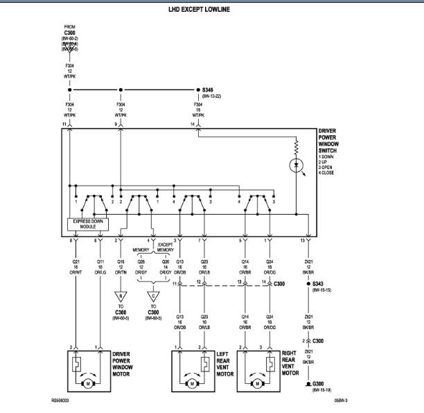
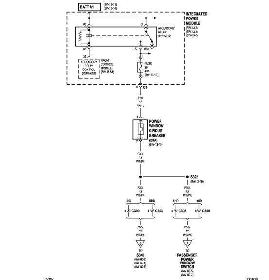
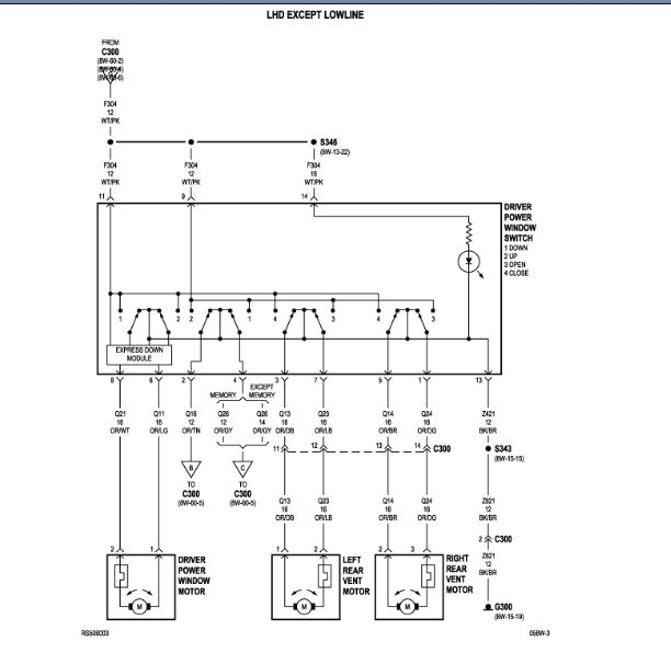
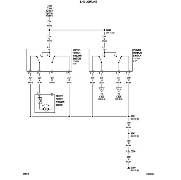
I attached a diagram for you to view and you need to check for power to the drivers window switch.
There is also the harness that goes through the door to the switch. That is common for wires breaking from flexing over the years.
Open the boot and inspect the wires.
Roy
Images (Click to enlarge)
Jun 24, 2018 at 7:20 AM