How do i troubleshoot my power seat on the driver seat? I cannot adjust it in any direction.
May 5, 2019 at 2:51 PM
Advertisement
STRAILER
CERTIFIED EXPERT
53,854 POSTS
Hello,
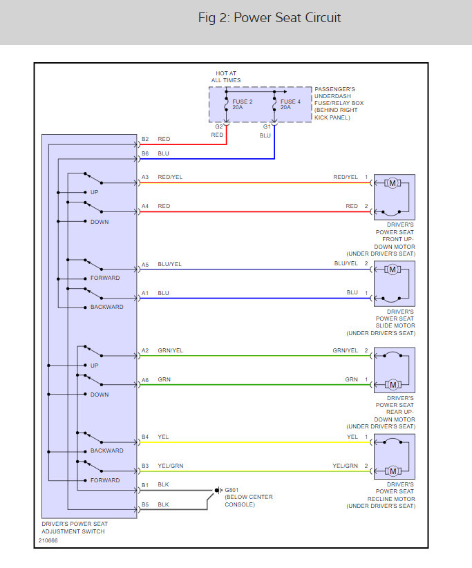
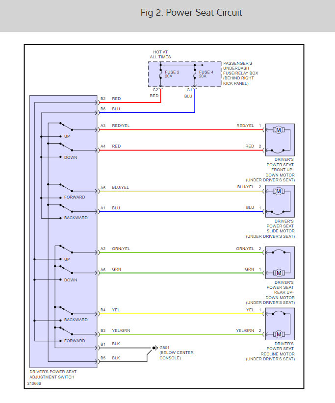
I would start by checking fuse #2 and #4 here is a guide to help check for power and the fuse locations below with the seat wiring diagrams so you can see how the system works.