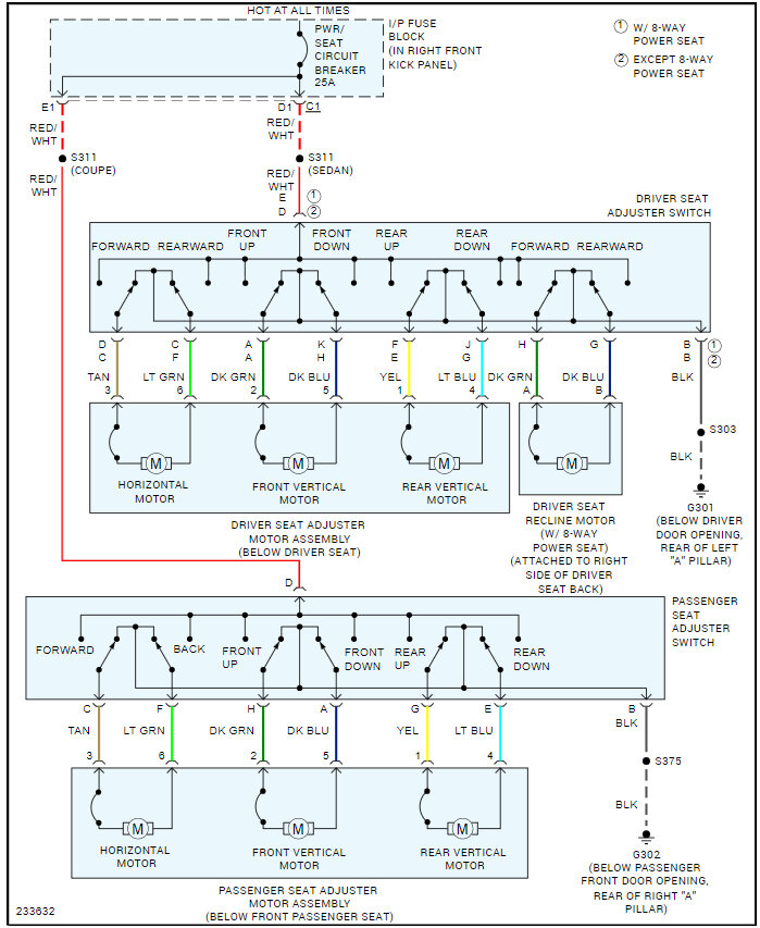
I need the electrical wiring and color coded diagram of the power seat system in my car so I can troubleshoot for a short in the power seat harness.
Aug 9, 2024 at 6:55 PM
Advertisement
STRAILER
CERTIFIED EXPERT
53,855 POSTS
There are two sets of wiring diagrams, one is for the position motors and the other is for the heater seat feature, which I have included both in case you need them. Check out the images (below). Let us know if you need anything else.
Images (Click to enlarge)
Aug 10, 2024 at 10:50 AM
DONALD LYTLE
MEMBER
2 POSTS
Awesome, that's what I needed, one more question is there a drawing of the wire harness connectors for this seat configuration?
Aug 10, 2024 at 2:40 PM
Advertisement
STRAILER
CERTIFIED EXPERT
53,855 POSTS
Sure, here are the connector views, Check out the images (below). Let us know if you need anything else.