Driver side mirror wiring diagram needed?

2002 TOYOTA AVALON
285,000 MILES • V6 • 2WD • AUTOMATIC
Avatar
B4SARAH88
  • MEMBER
  • 1 POST
The car was hit, and the mirror needed to be replaced. I ordered what I thought would work. After the mirror arrived and pulled the door panel off, the original mirror had 3 wires (cream, yellow, and blue). The new mirror has 11 wires. I have been unable to find the wiring diagram that tells which wires controls the functions. Any ideas?
Aug 19, 2023 at 1:57 PM
Advertisement
Avatar
STEVE W.
  • CERTIFIED EXPERT
  • 15,113 POSTS
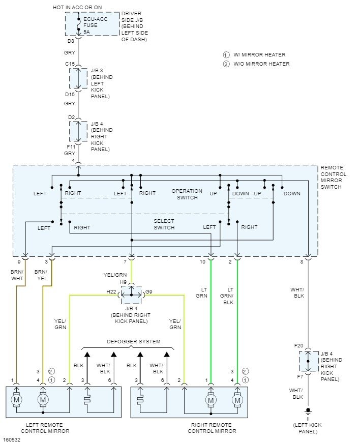
The three wires actually act differently depending on which way you want the mirror to go. There are two motors in the mirror, if the polarity is one way the mirror moves up, reverse that and the mirror moves down, the other motor does the save for the left and right.
However, the wire colors you give don't match the OE or redrawn colors in the diagrams I can find. I show a brown with white, a brown with yellow and a yellow with green.
As for the replacement mirror, that car never had that many wires in the mirrors even if it had the full memory mirrors with heat. So, I'm not sure that you have or if it will work. Usually with that number of wires the mirror isn't actually controlled with a simple switch but is connected to the computer network and its functions are controlled that way with the extra wires going to control the other mirrors.
Attached is the wiring for the OE 3 wire mirror that is for that year. Each wire can be either positive or ground depending on the position of the switch. I would suggest going to a salvage yard or look at Car_Part.com and see if you can find the regular 3 wire replacement from a salvage yard.
Aug 20, 2023 at 12:12 PM