headlights are not working properly?

2014 CHEVROLET SILVERADO
60,000 MILES • 4.6L • V6 • 4WD • AUTOMATIC
Avatar
JQUINTANA12
  • MEMBER
  • 1 POST
So driver side low beam doesn’t work I replaced the bulb and still nothing, high beam fog light and parking lights work fine, also passenger side turn signal lights are on but do not blink when activated and I get a display saying right front turn indicator failure, I tried replacing those bulbs and still no change any ideas?? Thanks in advance
Jan 13, 2020 at 7:44 PM
Advertisement
Avatar
STRAILER
  • CERTIFIED EXPERT
  • 53,855 POSTS
Hello,

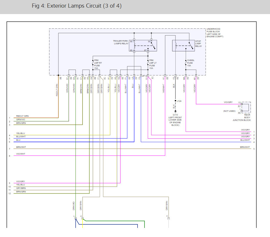
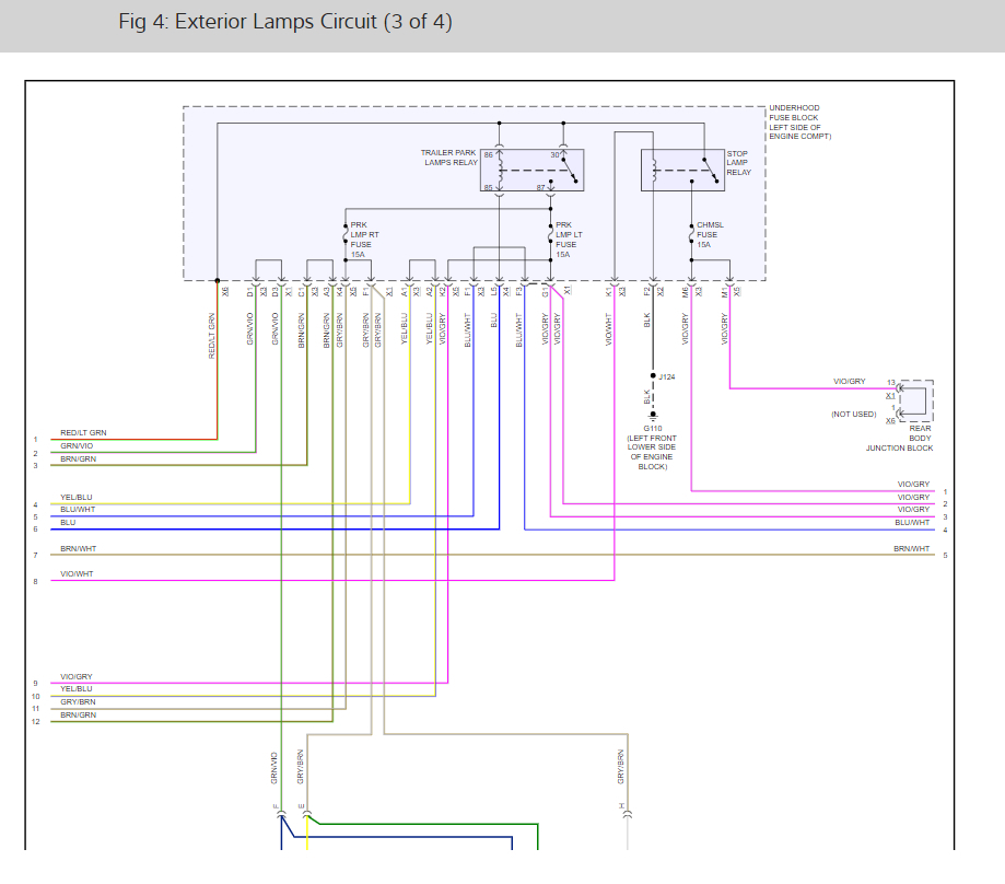
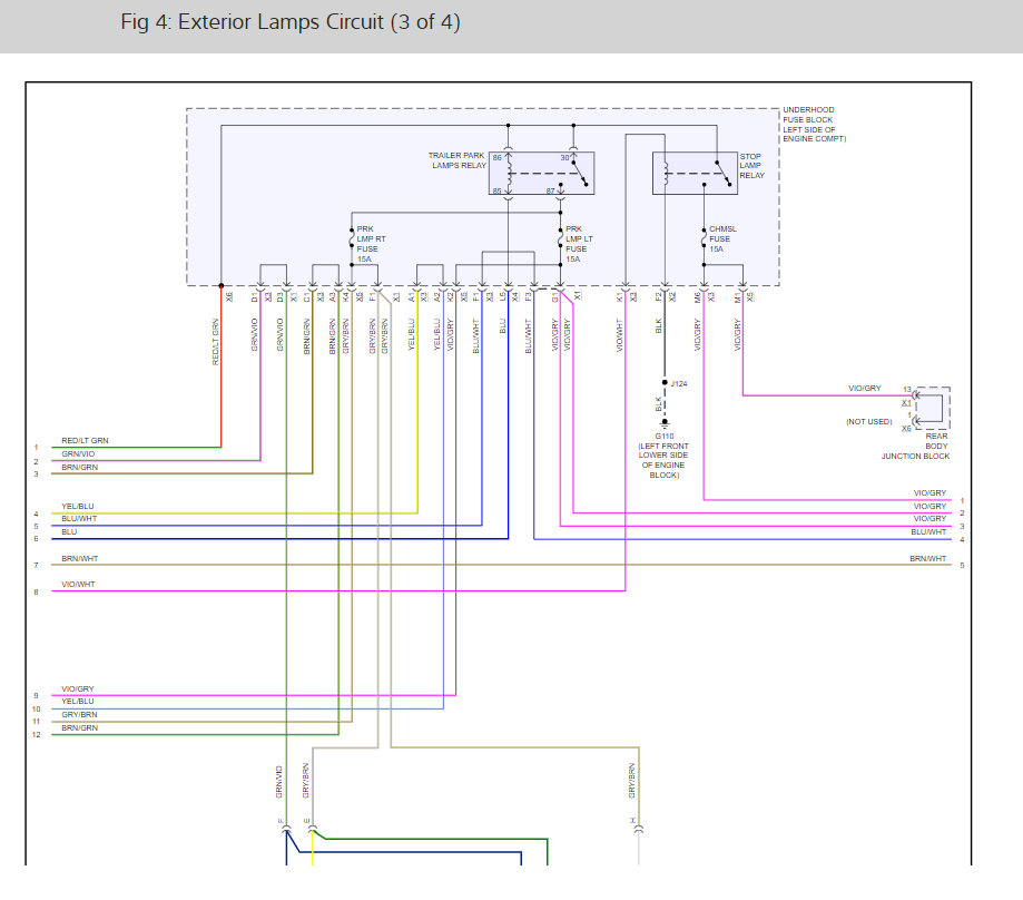
There are several fuses that run the lighting system we must check first. here is a guide to help us with the test and the fuse locations I have also included the light system wiring diagrams so you can see how the system works:

https://www.2carpros.com/articles/how-to-check-a-car-fuse

Test the fuse with the key on. If all fuses are okay it sounds like the BCM has gone out here is how you replace it. Check out the diagrams (below). Please let us know what you find. We are interested to see what it is.
Jan 15, 2020 at 11:39 AM