Driver side HID not working?

2009 BUICK ENCLAVE
128,178 MILES
Avatar
ZAY HIM
  • MEMBER
  • 3 POSTS
I replaced the ballast, and the light bulb still isn’t working. Should I change the igniter also being that I changed the ballast?
Aug 24, 2022 at 7:47 AM
Advertisement
Avatar
BORIS K
  • CERTIFIED EXPERT
  • 836 POSTS
Hello,

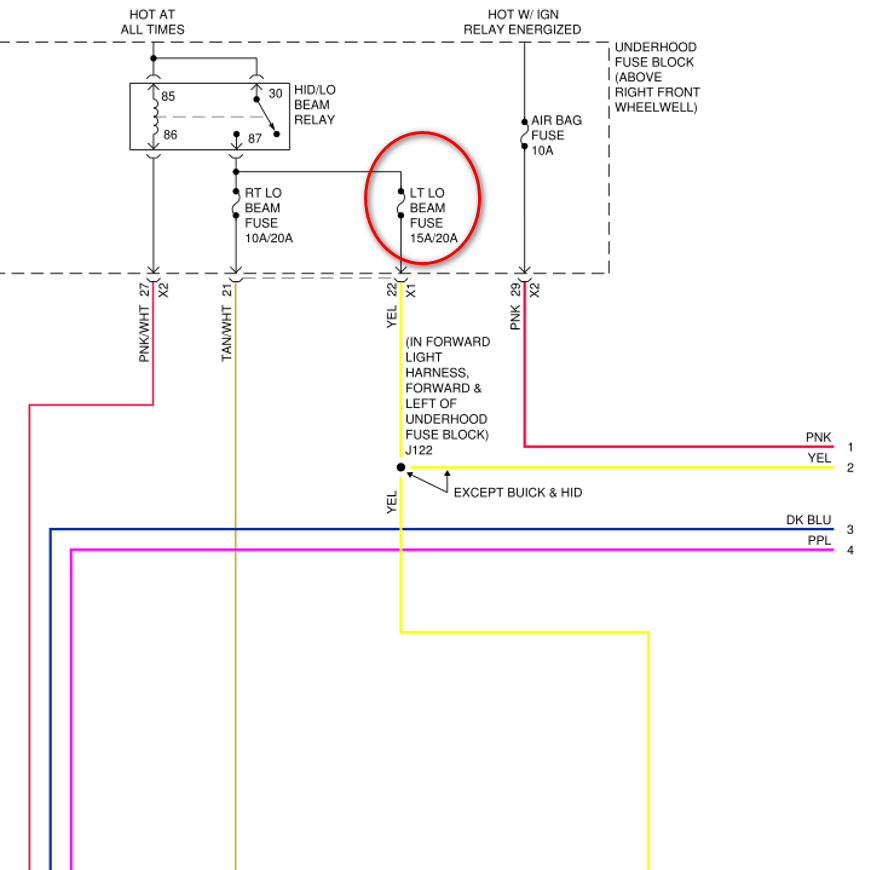
I would suggest first checking that the left headlight fuse is intact, see image 1.

https://www.2carpros.com/articles/how-to-check-a-car-fuse

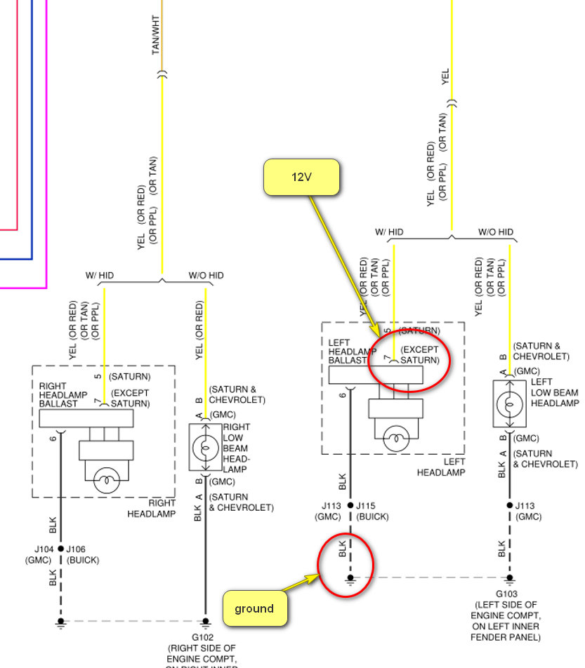
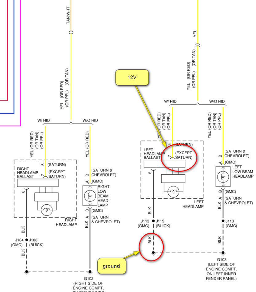
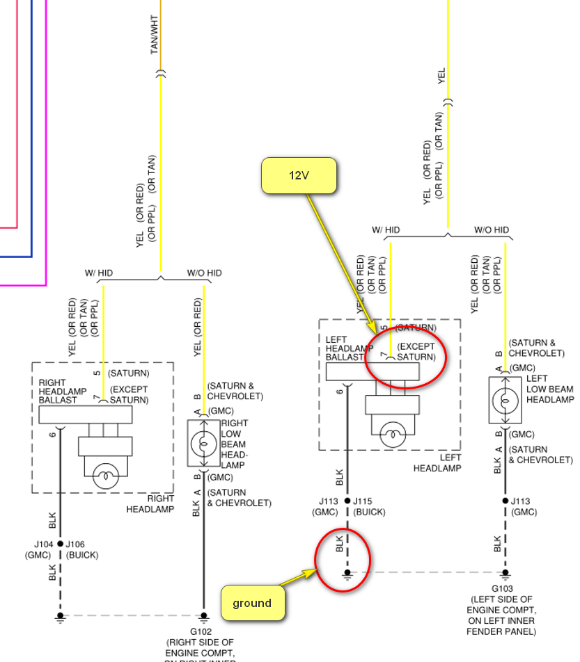
If in order, next check that you have 12V at pin 7 of the headlight connector, see image 2.
This can be done using a test light or voltmeter.
Also, check that the black ground cable at pin 6 has a good ground connection. Use the test light or voltmeter and check that you have the same result as using a good chassis ground.

How to:
https://www.2carpros.com/articles/how-to-use-a-test-light-circuit-tester
and
https://www.2carpros.com/articles/how-to-use-a-voltmeter
and
https://www.2carpros.com/articles/how-to-check-wiring

Does the HID light up if you supply your own 12V at pin 7?

Hope this helps.

Cheers, Boris
Aug 24, 2022 at 8:14 AM