Hello. Thank you in advance for your time. Here is a description of symptoms experienced and steps taken on chronological order.
I took a 15 minute drive with climate control like any other day. Beginning of summer so it's honestly the cold that I needed. It was probably the 30th time using AC within 2 weeks.
On my return trip, my AC was not blowing cold at all. It is blowing outside air into the cabin from all vents. I figured hey, it's time to recharge maybe? Called a friend, said to get AC PRO can from O'Reilly's or AutoZone. Done. I looked up a vid on how yo properly use. The video followed the instructions I had printed on my can. Sweet. Started. Spent half the can and noticed the pressure wasnt changing on my can's meter. I took it to the shop. The recharged and leveled they said. The AC still didnt work.
Next day AC works. I didn't do anything, I shrugged it off as perhaps pipes being frozen and not working, having had time to defrost all is good?
Wrong. Later this day, stopped working again. This time I get UV light and check for leaks, they used UV fluid on last refill couple days ago. No visible leak, no odor, no noises like clicking or hissing in relation to HVAC. Hit the internet for answers.
I read about blend door actuator and how it may be the problem. I ended up finding out I have more than one, and that all may be the issue to some degree after extensive online reading. Nothing specifically for my year/model, so I had to find something more conclusive and kept digging.
Found way test. Disconnect battery on both sides, 10 seconds later reconnect. No change. Wait. 20 seconds later the passenger side started blowing ice cold again, but only front passenger. Driver and rear vents are blowing outside air again...
I am convinced an actuator is not behaving at this point.
I try tricking the system by cycling through many various settings in no particular order. No avail. I read a new way to test is by manually moving the white lever on the passenger side blend door actuator. Video found of someone doing exactly this. Problem is that it seemed to control the passenger side only when I tried. This is the actuator to the left of the glove compartment once you pop it out of place. The passenger side works as designed so when I moved the lever the passenger side went hot. I am convinced this actuator is working as designed.
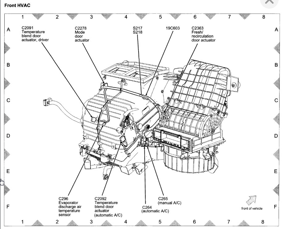
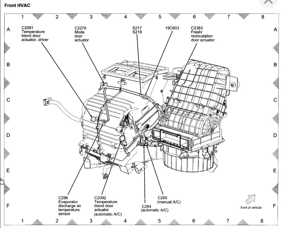
I look at a diagram from O'Reilly's and here is how many actuators are in the system:
- Left Hand (Driver) Blend Door Actuator
- Defrost/Panel/Floor Airflow Mode Door Actuator
- Right Hand (Passenger) Blend Door Actuator
- Air Inlet Mode Door Actuator
Additionally there are these vital components:
- In-Vehicle Temperature Sensor
- Blower Motor Speed Control
My fan speed blows as designed, defrost seems to switch just fine as well, I can send to floor too. My problem is driver and rear vent temperatures.
I continue to dig online and found a vid where someone said to power on vehicle, power on AC, turn on defrost, hold defrost button + power button for 5 seconds (something happens for him and something happened for me too) and then click auto. It began blowing really cool air from all vents in the vid and for me.
While holding defrost and power defrost had been on and began blowing and sounding as defrost is expected to, but at 5 seconds it does something weird like some cycle of going perhaps off of defrost and back on, not really sure.
My problem is obviously the crazy lack of peace for me within the vehicle, it is Texas and climate control is so important. One shop said my compressor was bad and quoted me 2 grand. I called ford who said they would replace all of the actuators by default and it would cost 1 grand.
I went to O'Reilly's and they priced out each actuator from 40-60 bucks each. No online guides for other vehicles mention calibration. I asked Ford and they were uncertain what needed to be done over the phone but assured me everything necessary would be done to get it working.
I have replaced many components on my own and intend to do the same here with some help, please. I need to know I am on the right track assuming the right hand blend door actuator is bad, no calibration needed, and I would need an accurate diagram for removal of my dash to get to it. The O'Reilly's fellas were very helpful but their printer is horrible and the diagrams they gave me are not showing the dash or how to remove it. Only what is underneath.i will supply image similar to the diagram I already have!
Dec 10, 2020 at 8:50 AM
(Merged)