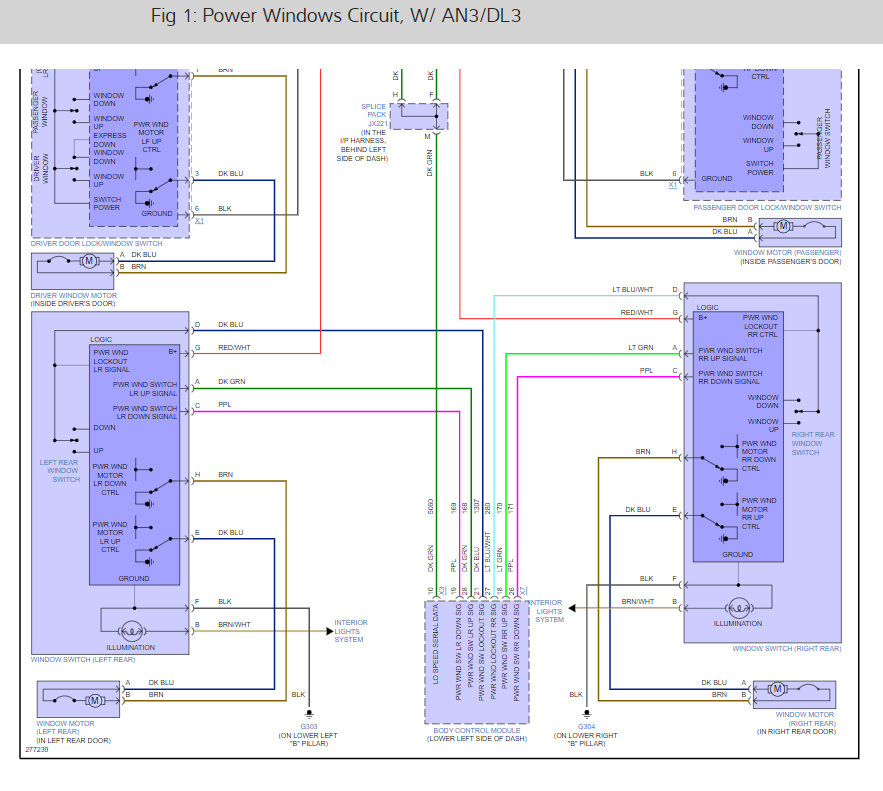
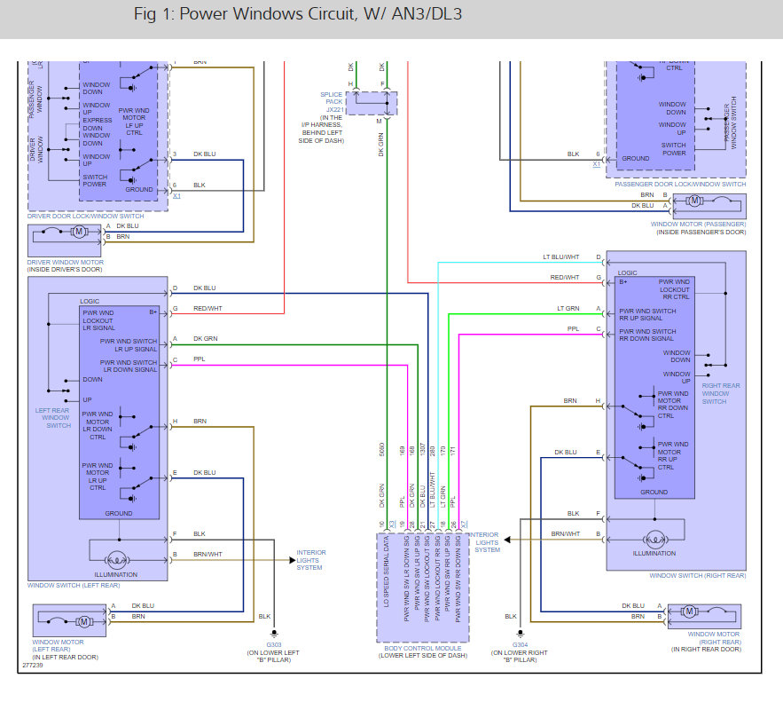
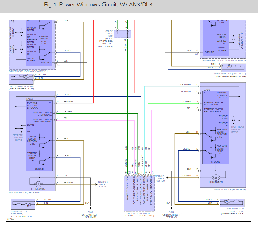
on a crew cab all the windows but the left front work. I have replaced the switch panel and the regulator and nothing happens except other three windows work perfectly.
Aug 3, 2022 at 9:30 AM



