Hello,
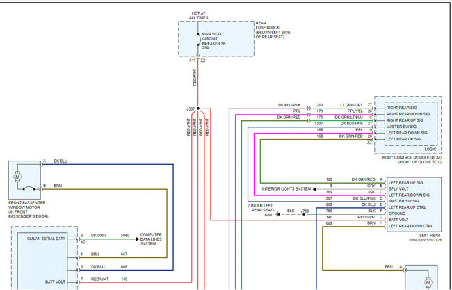
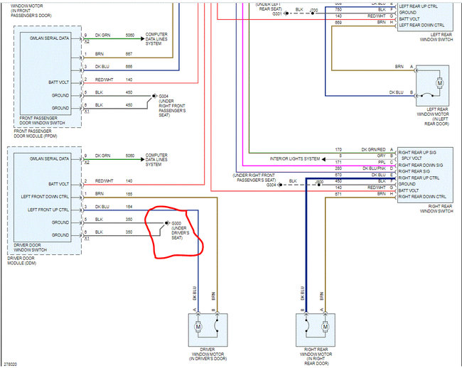
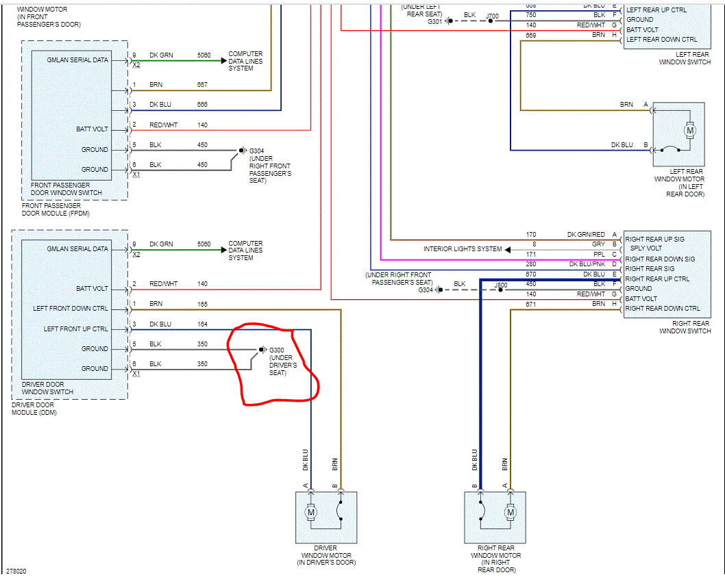
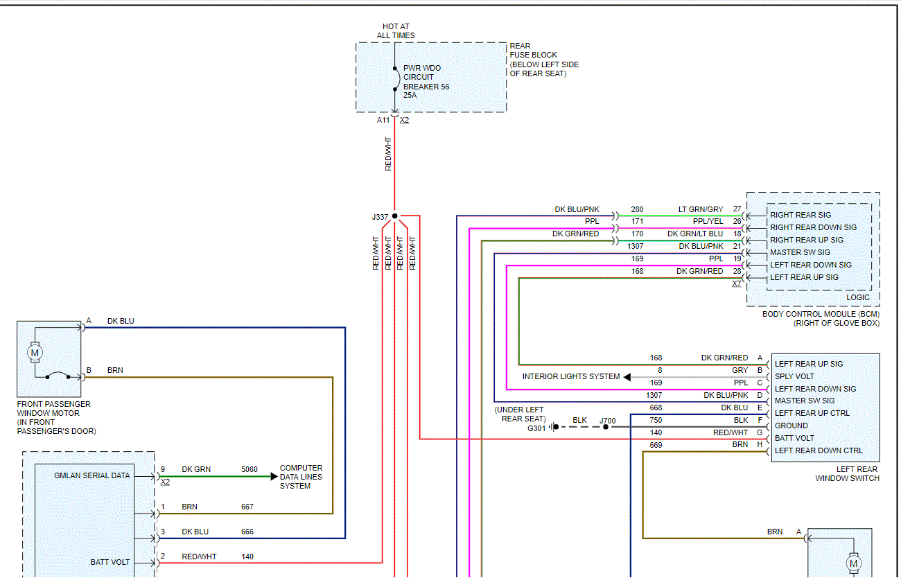
The switches on my driver side door are functional, they just don't illuminate. I've replaced the window harness, but that didn't fix the problem. Any help is appreciated.
Thanks!
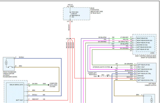
The switches on my driver side door are functional, they just don't illuminate. I've replaced the window harness, but that didn't fix the problem. Any help is appreciated.
Thanks!
Jan 16, 2021 at 3:11 PM














