Driver door window control and intermittent locking problem?

2019 CHEVROLET TRAVERSE
80,000 MILES • 4 CYL • 4WD • AUTOMATIC
Avatar
ANDY AMENTO
  • MEMBER
  • 6 POSTS
driver door window control has stopped opening driver window, and all other windows, driver door sensor shows driver door always open, drivers door exterior button lock and unlock function is intermittent
Feb 15, 2026 at 12:42 PM
Advertisement
Avatar
STRAILER
  • CERTIFIED EXPERT
  • 53,854 POSTS
Yep, this is common when the driver door window switch goes out. To remove the switch lift the rear of the window switch retainer which is the large plastic piece around the switch, this will "pop" the plastic piece out and enable you to change the switch out, there is no programming involve. There is a logic broad inside the switch that goes bad Check out the images (below). Please let us know what happens. Ken
Feb 16, 2026 at 8:39 AM
Avatar
ANDY AMENTO
  • MEMBER
  • 6 POSTS
Well, I purchased a new switch from O'rileys and installed it, It didn't change anything at all. I have disconnected the door wiring harness and checked every wire end to end to confirm there are no broken wires.
I tried to remove the door latch assembly from the door but was unsuccessful because the window is up and I haven't figured out how to lower it yet, to get the window support bar out of the way. Suggestions please.
After putting it all back together there was only one change. when I started the car the dash information system had a new message, it said I needed to lower and raise the driver door window. I would be happy to if I could, lol. But it still does not work, any suggestions on what to do next would be appreciated.
Feb 16, 2026 at 11:28 AM
Advertisement
Avatar
STRAILER
  • CERTIFIED EXPERT
  • 53,854 POSTS
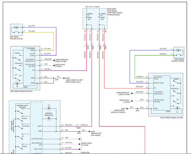
Hmm, does this car have express windows? There is a little output to the BCM for the window system. Lets check the ground behind the left kick panel and the fuses in the images below. Let me know, Ken
Feb 16, 2026 at 12:23 PM
Avatar
ANDY AMENTO
  • MEMBER
  • 6 POSTS
Hi Ken, yes I have express windows. Have checked all fuses multiple times and have checked continuity on every wire in the door to the body connector. I'm going to see if I can access the plug where the whole door harness plugs into the body of the car. Can you tell where to get a pinout diagram for the door looks and windows. I went to GM.com and Chevy.com and have had no luck yet.

Thanks for you assistance, Andy
Feb 17, 2026 at 8:38 PM
Avatar
STRAILER
  • CERTIFIED EXPERT
  • 53,854 POSTS
Hi Andy,

Yep there are many cases where the wiring a the door jam gets broken and causes issues. But this window motor might be out because it has logic in it as well. I was wrong earlier when I said the BCM was no involved, it is. You might want to do a CAN scan

CAN SCAN - https://youtu.be/u-4syLc-ifQ

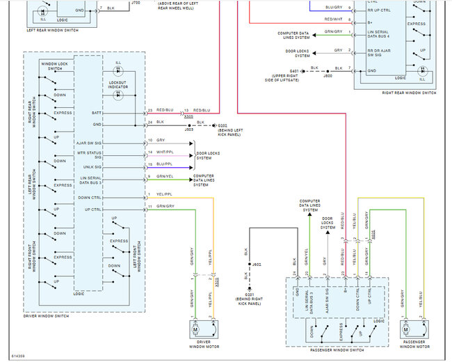
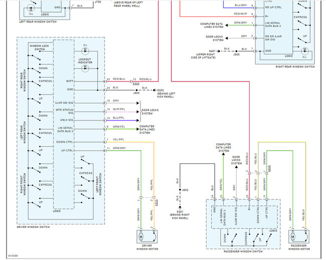
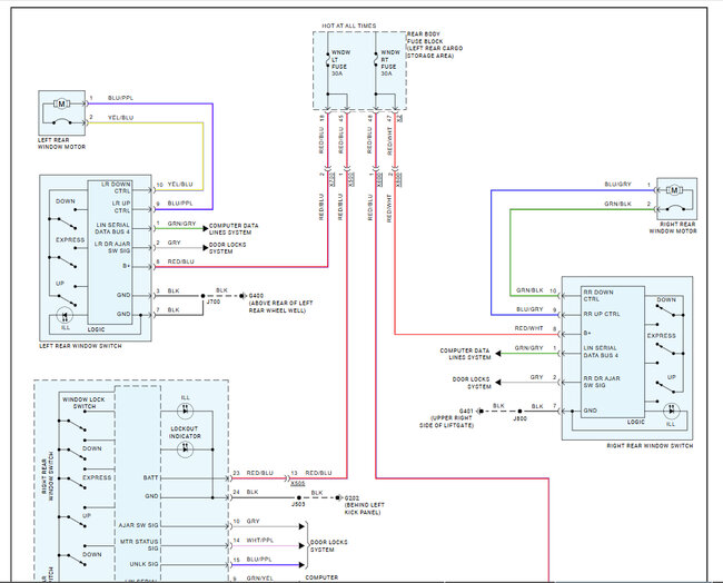
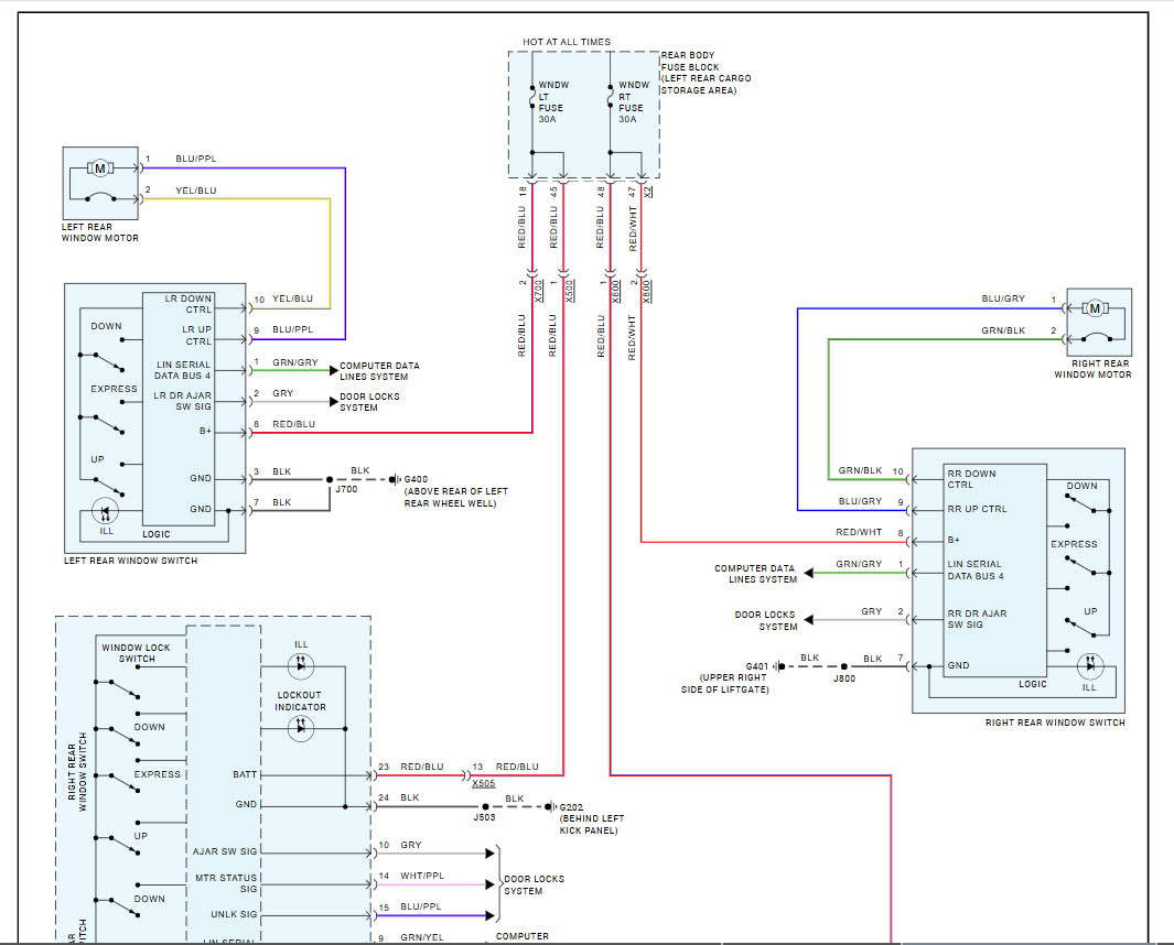
Here are the pin outs for the window motor and main window switch. Check out the images (below). Let us know how it goes
Feb 18, 2026 at 5:30 PM
Avatar
ANDY AMENTO
  • MEMBER
  • 6 POSTS
Thank you for the pinout for the window switch, is there anyway to ge a full wiring diagram including the window switch circuit board? I was testing the switch circuit board and saw multiple voltages at different points on the board. So my question is how to bypass the switch circuit board and test the window motor itself? The voltage on pins 1 and 2 is 12V, is the voltage on pins 3 & 7 also 12 volts? If I bypass the switch and apply 12V to pins 1 and 2 will the motor operate? or do I also have to apply a voltage across pins 3 and 7? without a full wiring diagram and knowing how the 3 & 7 pins affect the motor operation I am not sure how to test motor. I do not want to apply 12v to a 3 or 5 volt section of the motor control board and cause another problem.
Thank you for you assistance.
Feb 19, 2026 at 1:50 PM
Avatar
STRAILER
  • CERTIFIED EXPERT
  • 53,854 POSTS
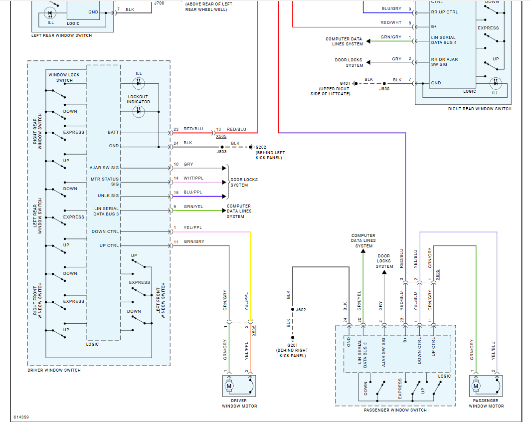
Sure, you can bypass the window motor but make sure to unplug the window switch first. here is the complete window wiring diagrams so you can test the power and grounds, also the motor power and ground as well. This guide may help you as well.

https://www.2carpros.com/articles/electric-window-repair

Check out the images (below). Please let us know what happens.
Feb 20, 2026 at 8:54 AM
Avatar
ANDY AMENTO
  • MEMBER
  • 6 POSTS
Ken,
Thank You for your assistance and the wiring diagrams. Well the window switch is finally working and I'm not sure what fixed it, lol. After I got the last diagram, I went back and started double checking the wiring. I decided to run another obd reader test and see if any of my code have changed. Lo and behold they had. I got none of the previous codes and had 5 totally different codes. The first code said I had low voltage to my BCM module, and the other four are for the tire air sensors ( which need to be replaced). But the BCM low voltage was bothering me, lol. So I stared checking with my volt meter for voltage readings. After screwing around with that for awhile, I went back and checked all fuses front and back again. While under the hood I noticed that my negative terminal on the battery was slightly corroded, so I pulled it off and cleaned it real good. I threw everything back together for the twentieth time, turned the car on and much to my surprise the windows worked. I ran obd diagnostics again and the low voltage code was gone. So while I am thinking it may have been a combination of the master door switch and the "low voltage" , I am not sure what caused the problem, but am extremely happy it is fixed. Thanks again for all of your assistance.
Andy
Feb 20, 2026 at 5:57 PM
Avatar
STRAILER
  • CERTIFIED EXPERT
  • 53,854 POSTS
Yep, that can do it, nice work getting the problem fixed Andy, please let me know if it comes back. have a good weekend. Ken
Feb 21, 2026 at 10:09 AM