Driver door lock

1995 BMW 318I
150,000 MILES • 1.8L • 4 CYL • 2WD • AUTOMATIC
Avatar
MYBMW318I
  • MEMBER
  • 1 POST
I cannot lock the drivers door with the remote, but can lock/unlock all doors with the key. However, the alarm will not set by doing this and can only lock/unlock the other doors with the remote and activate the alarm.
We replaced the drivers door module, but still no luck.
May 13, 2018 at 5:04 AM
Advertisement
Avatar
STRAILER
  • CERTIFIED EXPERT
  • 53,854 POSTS
Hello,

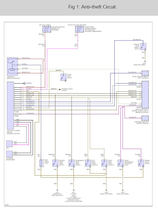
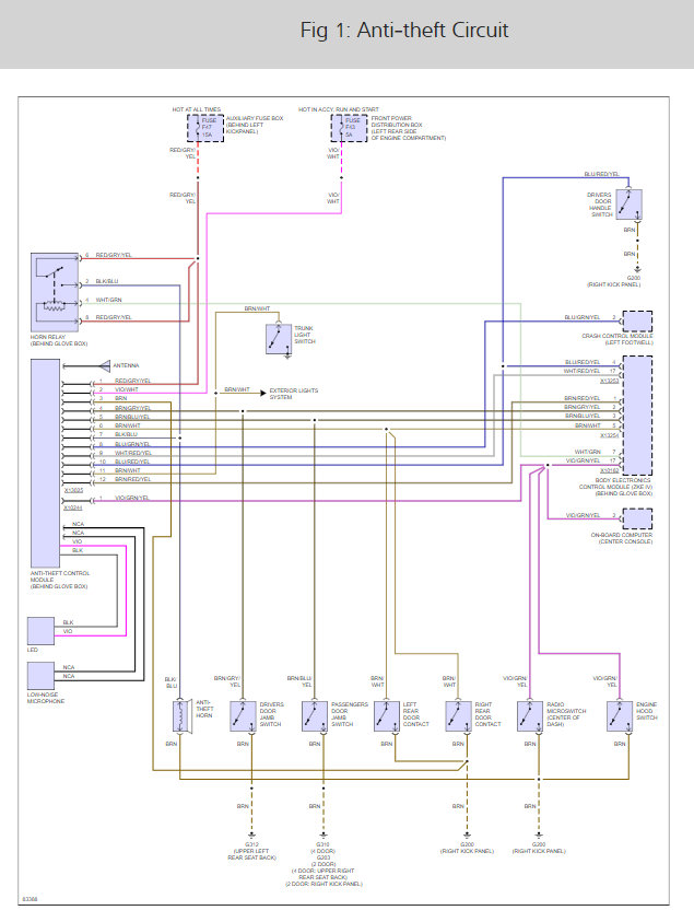
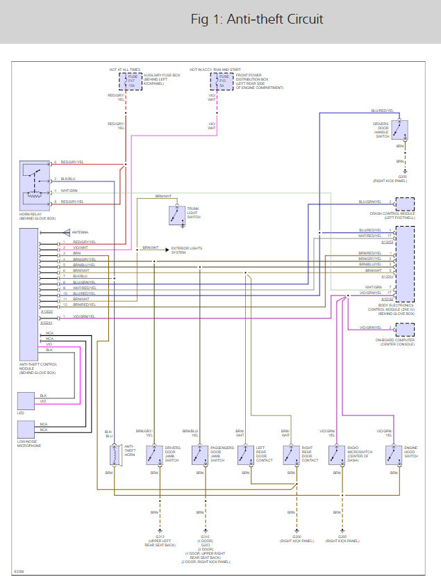
It sounds like the driver door lock driver is out in the security module. Here is a wiring diagrams and a guide to confirm the issue. Check for an output signal from the module.

https://www.2carpros.com/articles/how-to-check-wiring

Check out the diagrams (below). Please let us know what you find.

Cheers, Ken
May 14, 2018 at 11:10 AM