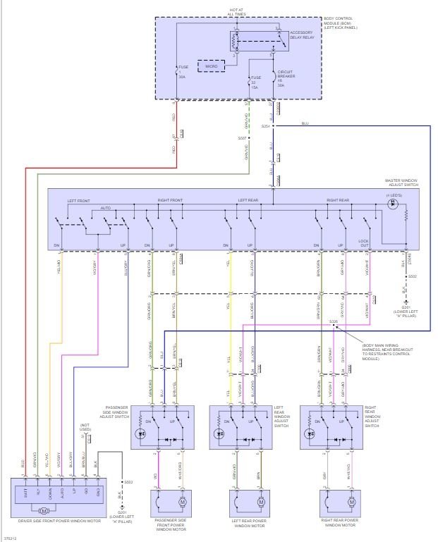
The driver door ajar keeps showing on the dash even after closing multiple times. I tried cutting the wire but it was the wrong one and it shut down my driver power window. I figured out the fuse and the window is working again.
I want to know which is the right wire to cut and how to go about it?
Thank you
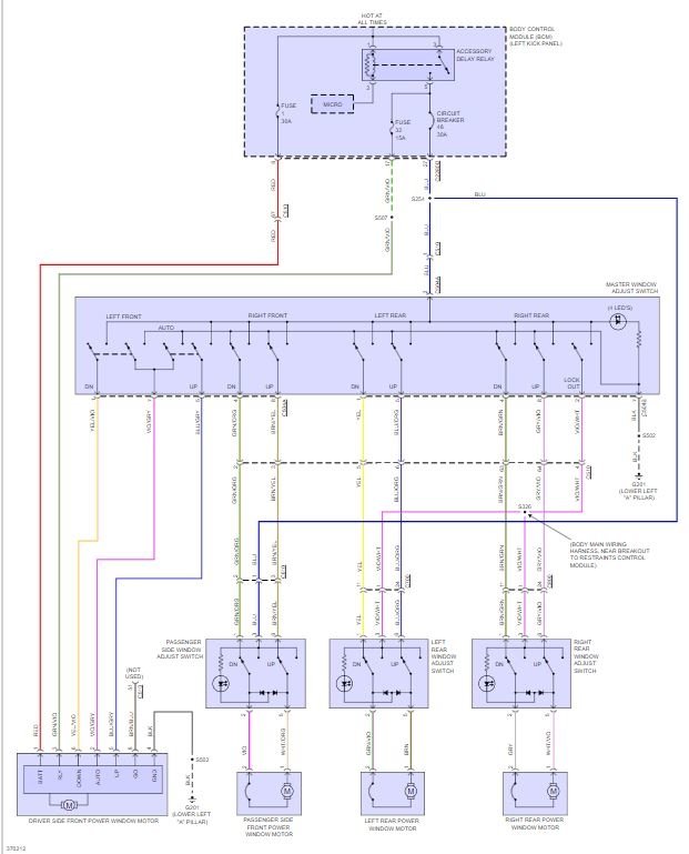
I want to know which is the right wire to cut and how to go about it?
Thank you
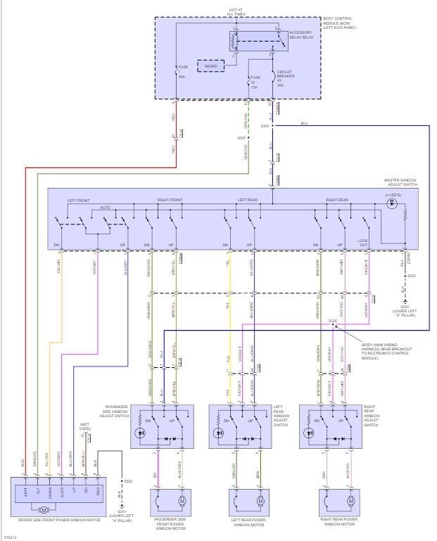
Mar 31, 2018 at 8:19 AM







