Gear shifter is stuck in second gear

2008 ACURA TSX
2,300,000 MILES • 2.4L • 4 CYL • 2WD • MANUAL
Avatar
COLT N BRANDY
  • MEMBER
  • 1 POST
My stick shift is stuck in second gear when you drive, but the shifter moves back and forth still like its broke.
Dec 29, 2021 at 8:13 PM
Advertisement
Avatar
JACOBANDNICKOLAS
  • CERTIFIED EXPERT
  • 110,175 POSTS
Hi,

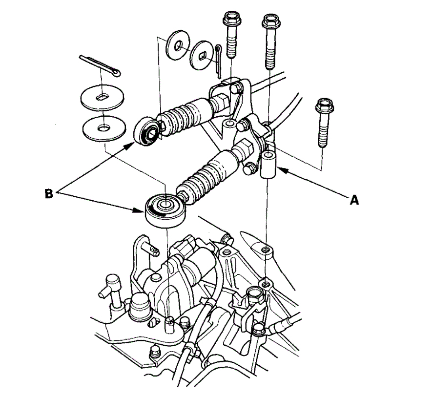
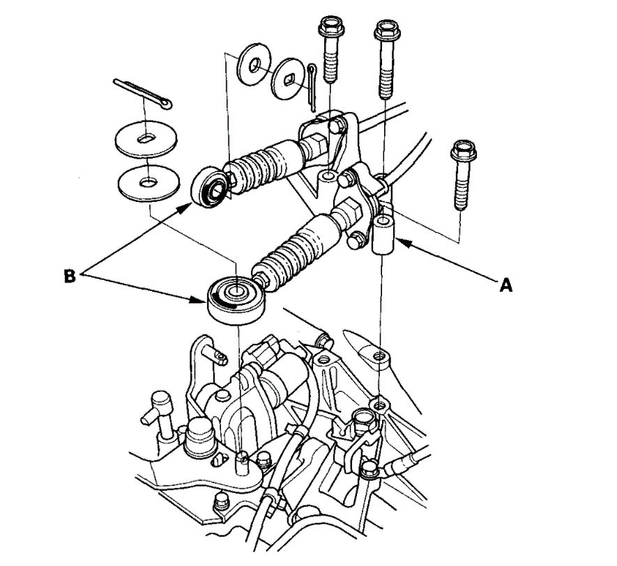
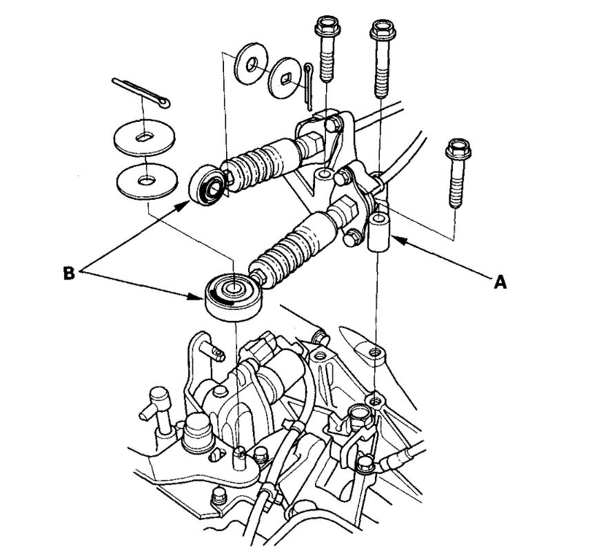
It sounds like one of the shift cables came disconnected or has broken. Do me a favor. Have a helper shift through the gears while you watch at the transmission to see if the cables are moving the shift levers. Note: There is a mount that holds the cables in place at the transmission and clips at the shifter itself.

See pics 1 and 2 to help identify parts.

Let me know what you find or if you have other questions.

Take care,

Joe

See pics below.
Dec 30, 2021 at 6:14 PM