Drive shaft will not spin when in transmission is in neutral

2002 GMC ENVOY
180,000 MILES • 4.8L • 4WD • AUTOMATIC
Avatar
GMC2002ENVOY
  • MEMBER
  • 8 POSTS
I have the vehicle listed above suspended up on car jacks, and I am attempting to take out the rear and front drive shafts. I also have disconnected the shift linkage and manually shifted the vehicle into neutral while on jack stands. I also made sure the e-brake was off. The wheels spin, but I cannot get the drive shafts to spin. When I get under the car, I shake and shake them, but they won't budge. I have watched the 2CarPros transmission replacement video on YouTube, and, under all the conditions I listed, the drive shafts should be spinning. I also cannot find the bolts to remove the drive shaft from the differential. I am not sure what to do at all. I need a lot of help on this one.
Jun 19, 2020 at 8:47 PM
Advertisement
Avatar
JACOBANDNICKOLAS
  • CERTIFIED EXPERT
  • 110,175 POSTS
Hi,

I'll be happy to help. When you say the wheels spin but the drive shaft doesn't, are you spinning both rear wheels? If you have them off the ground and spin one wheel and the other turns the opposite direction, the drive shaft won't turn. However, you should be able to turn it by hand unless it is in gear.

Let me know.

Joe
Jun 19, 2020 at 8:56 PM
Avatar
GMC2002ENVOY
  • MEMBER
  • 8 POSTS
Hi. I tried to reply earlier, and, after I hit the reply button, the computer brought me to a need log page that was all blank. So, I am not sure if you received my reply. I tried turning the wheels and they did go in opposite directions of each other, and the drive shaft did not move with them. However, I cannot manually turn the drive shafts by hand still. They wont budge.
Jun 20, 2020 at 12:33 PM
Advertisement
Avatar
JACOBANDNICKOLAS
  • CERTIFIED EXPERT
  • 110,175 POSTS
Okay, I need to start at the beginning. Why are the drive shafts being removed? Also, are you certain the transmission is in neutral?

I didn't receive you first post. I'm sorry about that. Once you are a member, the system requires you to login first.

Let me know what has led you to removing the drive shafts.

Joe
Jun 20, 2020 at 9:23 PM
Avatar
GMC2002ENVOY
  • MEMBER
  • 8 POSTS
I am attempting to replace the transmission, and I cannot be sure the car is in neutral. However, I know it is in all other gears but park. I have also manually shifted the car into all shifts and the drive shafts wont move throughout all of the shifts.
Jun 21, 2020 at 6:30 PM
Avatar
JACOBANDNICKOLAS
  • CERTIFIED EXPERT
  • 110,175 POSTS
If that is the case, something has broken internally in the transmission and preventing it from turning. It could be the actual parking pawl linkage in the transmission isn't disengaging it.

Since you are removing the transmission, here are the directions. The attached pics correlate with the directions.

____________________________

2002 GMC Truck Envoy 4WD L6-4.2L VIN S
Transmission Replacement
Vehicle Transmission and Drivetrain Automatic Transmission/Transaxle Service and Repair Removal and Replacement 4L60-E/4L65-E Automatic Transmission Transmission Replacement
TRANSMISSION REPLACEMENT
Transmission Replacement

Tools Required
- J 21366 Converter Holding Strap

Removal Procedure

pic 1


1. Disconnect the battery.
2. Remove the filler tube nut (2) located on the right side of the engine.
3. Raise the vehicle. Refer to Vehicle Lifting.
4. Drain the transmission fluid if necessary.
5. Remove the rear propeller shaft.
6. Support the transmission with a transmission jack.


pic 2


7. Remove the nuts securing the transmission mount to the transmission support.


pic 3


8. Remove the Evaporative Emission (EVAP) canister from its mounting bracket on the left inside of the frame to gain access to the transmission support bolts. Do not disconnect the canister lines.
10. Remove the transmission support from the vehicle.


pic 4


11. Remove the transmission mount bolts (1,2).


pic 5


12. Remove the transmission mount from the vehicle.
13. Remove the front exhaust pipe assembly.
14. Lower the transmission to gain access to the top and sides of the transmission.
15. Remove the transfer case, if equipped.


pic 6


16. Remove the range selector cable end from the transmission range selector lever ball stud (6) and the bracket (1).
18. Disconnect the transmission vent hose, the park/neutral position switch connector, and the main electrical connector from the transmission.
19. Remove the bolt that secures the fuel line bracket to the left side of the transmission.


pic 7


20. Remove the torque converter access plug.
21. Mark the flywheel and torque converter orientation for reassembly.
22. Remove the flywheel to torque converter bolts. Use care not to drop the bolts into the bell housing.
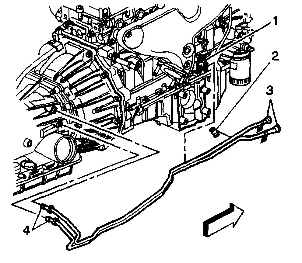
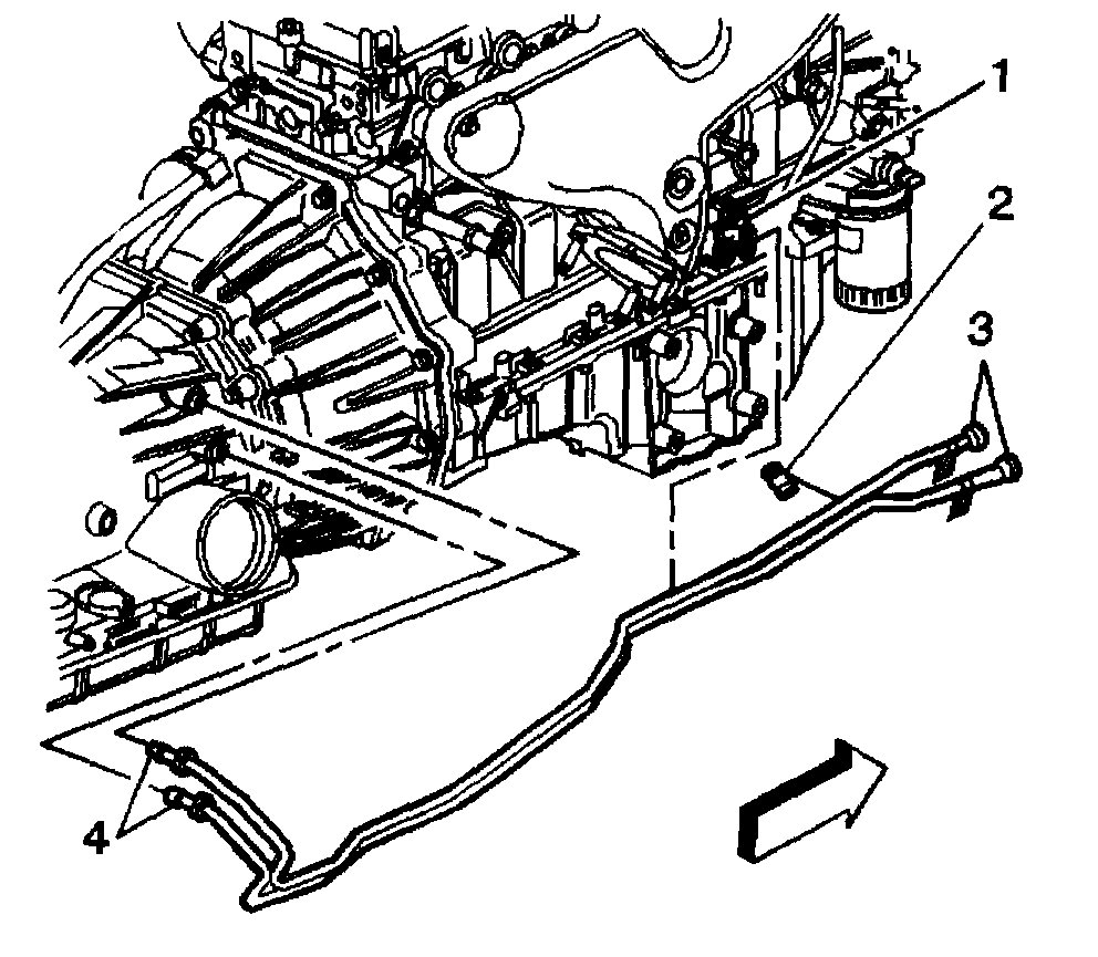
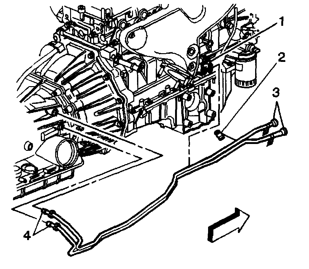
23. Disconnect the transmission oil cooler lines from the transmission.
24. Plug the transmission oil cooler line connectors in the transmission case.
25. Install a safety chain around the transmission.


pic 8


26. Remove the bolt that secures the fuel line bracket to the bell housing.


pic 9


27. Remove the bolts (1,2) that secure the coolant pipe to the bell housing.


pic 10


28. Remove the remaining nuts, studs and/or bolts that secure the transmission to the engine.
29. Install the J21366 onto the transmission bell housing to retain the torque converter.
30. Pull the transmission straight back.
31. Remove the transmission from the vehicle.

Installation Procedure


pic 11


1. Install the J21366 onto the transmission bell housing to retain the torque converter.
2. Raise the transmission into place and remove the J21366 from the transmission.
3. Slide the transmission straight onto the locating pins while lining up the marks on the flywheel and the torque converter made during removal. The torque converter must be flush onto the flywheel and rotate freely by hand.

Notice: Refer to Fastener Notice in Service Precautions.

4. Install nuts, studs and/or bolts securing the transmission to the engine.
Tighten the studs and/or bolts to 50 Nm (37 ft. lbs.).


pic 12


5. Install the flywheel to torque converter bolts. Use care not to drop the bolts into the bell housing.
Tighten the bolts to 60 Nm (44 ft. lbs.).
6. Install the torque converter access plug.
7. Remove the safety chain from the transmission.


pic 13


8. Install the transmission vent hose (2), fuel lines, and the wiring harness to the transmission.
9. Install the heat shield to the transmission.
10. Install the bolts securing the heat shield to the transmission.
Tighten the bolts to 17 Nm (13 ft. lbs.).


pic 14


11. Install the shift cable end to the transmission shift lever ball stud (6) and bracket (1).
12. Install the transfer case, if equipped.
13. Install the front exhaust pipe assembly.



pic 15


14. Install the transmission mount to the vehicle.
15. Install the bolts (1,2) securing the transmission mount to the transmission.
Tighten the bolts to 25 Nm (18 ft. lbs.).


pic 16


16. Install the transmission support to the vehicle.Underbody.
17. Install the fuel tank shield.
18. Install the Evaporative Emission (EVAP) canister to the frame bracket.


pic 17


19. Lower the transmission and remove the transmission jack.
20. Install the nuts securing the transmission mount to the transmission support.
Tighten the nuts to 46 Nm (35 ft. lbs.).
21. Install the rear propeller shaft.


pic 18


22. Flush the transmission oil cooler and cooling lines at this time, if necessary.
23. Connect the transmission oil cooler lines (4) to the transmission.
24. Lower the vehicle.


pic 19


25. Install the filler tube to the stud (1) on the right side of the engine.
26. Install the filler tube nut (2).
Tighten the nut to 10 Nm (7 ft. lbs.).
27. Connect the battery.
28. Fill the transmission to the proper level with DEXRON III transmission fluid and check for leaks.
29. Road test the vehicle and check for proper operation.

_____________________

Let me know if this helps.

take care,
Joe
Jun 21, 2020 at 9:05 PM
Avatar
GMC2002ENVOY
  • MEMBER
  • 8 POSTS
This definitely helps. Thank you. I still have a few questions though. I am not sure. Is the filler tube nut accessed from the hood? How am I supposed to get the rear drive shaft to turn so I can remove it? Do I not need to remove the front drive shaft as well? Also, I know I need to to crank the engine manually to remove the torque converter bolts, but where is the engine crank? I don't understand disconnecting the oil cooler lines from the transmission and plugging them back into the transmission case either. Why disconnect then reconnect? Am I draining fluids from them? I know I have a lot of questions. Thank you for all your help. I appreciate it.
Jun 23, 2020 at 3:43 PM
Avatar
JACOBANDNICKOLAS
  • CERTIFIED EXPERT
  • 110,175 POSTS
Hi,

As far as the dipstick tube, you should be able to access it from the top. Now, the cooling lines need disconnected from the transmission for the trans to be removed. They want you to plug the openings to prevent spillage and to prevent dirt from getting in. In your case, be more concerned about the lines themselves and not the trans since you are replacing it.

Now for the drive shaft that won't turn where it bolts to the rear differential, you will see there are two U bolts which hold a universal joint on the differential. Remove the four bolts from the two u bolts and disconnect the rear of the drive shaft from the differential. Then, the drive shaft will slide out of the rear of the transfer case. It isn't bolted there. Here are the directions specific for your vehicle's rear drive shaft removal. The attached pics correlate with the directions.

____________________________________

2002 GMC Truck Envoy 4WD L6-4.2L VIN S
Propeller Shaft Replacement- Rear
Vehicle Transmission and Drivetrain Drive/Propeller Shafts, Bearings and Joints Drive/Propeller Shaft Service and Repair Procedures Propeller Shaft Replacement- Rear
PROPELLER SHAFT REPLACEMENT- REAR
Propeller Shaft Replacement- Rear

Removal Procedure

Important: Observe and accurately reference mark all driveline components relative to the propeller shaft and axles before disassembly. These components include the propeller shafts, the drive axles, the pinion flanges, the output shafts, etc. All components must be reassembled in the exact relationship to each other as they were when removed. In addition, published specifications and torque values, as well as any measurements made prior to disassembly must be followed.


pic 1


1. Raise the vehicle. Refer to Vehicle Lifting.
2. Reference mark the propeller shaft to the rear axle pinion yoke.
3. Reference mark the propeller shaft to the transmission or transfer case.
4. Remove the bolts and the yoke retainers from the rear axle pinion yoke.

Notice: When removing the propeller shaft, do not attempt to remove the shaft by pounding on the yoke ears or using a tool between the yoke and the universal joint. If the propeller shaft is removed by using such means, the injection joints may fracture and lead to premature failure of the joint.

5. Slide the propeller shaft forward in order to disconnect the propeller shaft from the rear axle pinion yoke.


pic 2


6. Slide the propeller shaft rearward in order to disconnect the propeller shaft from the transmission or transfer case.
7. Remove the propeller shaft.

Installation Procedure


pic 3


1. Inspect the splines of the slip yoke for a sufficient coating of grease. If the splines of the slip yoke does not have a sufficient coating of grease lubricate the shaft with grease (GM P/N 12377985 or equivalent).
2. Install the propeller shaft into the transmission or transfer case.
Align the reference marks made during removal.


pic 4


3. Install the propeller shaft to the rear axle pinion yoke. Align the reference marks made during removal.

Notice: Refer to Fastener Notice in Service Precautions.

4. Install the yoke retainers and the bolts.
Tighten the bolts to 20 Nm (15 ft. lbs.).
5. Lower the vehicle.

__________________________________________________

Front driveshaft removal

2002 GMC Truck Envoy 4WD L6-4.2L VIN S
Propeller Shaft Replacement - Front
Vehicle Transmission and Drivetrain Drive/Propeller Shafts, Bearings and Joints Drive/Propeller Shaft Service and Repair Procedures Propeller Shaft Replacement - Front
PROPELLER SHAFT REPLACEMENT - FRONT
Propeller Shaft Replacement - Front

Removal Procedure

Important: Observe the position of all the driveline components. Accurately mark the relationship of the components before removal. These components include the propeller shafts, the drive axles, the pinion flanges, and the output shafts. Reassemble all components in the exact relationship to each other as they were before removal. Follow the specifications, the torque values, and any measurements obtained prior to disassembly.


pic 5


1. Raise the vehicle. Refer to Vehicle Lifting.
2. Reference mark the relationship of the propeller shaft to the front axle pinion yoke.
3. Remove the yoke retainer bolts and yoke retainers from the front axle pinion yoke.

Notice: When removing the propeller shaft, do not attempt to remove the shaft by pounding on the yoke ears or using a tool between the yoke and the universal joint. If the propeller shaft is removed by using such means, the injection joints may fracture and lead to premature failure of the joint.

4. Disconnect the propeller shaft from the front axle pinion yoke.
Wrap the bearing caps with tape in order to prevent the loss of bearing rollers.
5. Remove the propeller shaft from the transfer case.

Installation Procedure


pic 6


1. Inspect the splines of the transfer case output shaft for a sufficient coating of grease. If the output shaft does not have a sufficient coating of grease, lubricate the shaft with grease (GM P/N 12377985 or equivalent).

Important: Ensure that the propeller shaft assembly is fully engaged into the slip yoke. The retaining ring will produce a snapping noise when the shaft is properly engaged.

2. Install the propeller shaft to the transfer case.
3. Install the propeller shaft to the front axle pinion yoke.
Align the reference marks made during removal.

Notice: Refer to Fastener Notice in Service Precautions.

4. Install the yoke retainers and the bolts.
Tighten the front propeller shaft yoke clamp bolts to 20 Nm (15 ft. lbs.).
5. Lower the vehicle.

_________________________________________

As far as turning the crankshaft, at the front of the engine at the bottom is the crankshaft pulley. It is what the serpentine belt rides on. If you look at the last pic below, I circled it. That is what you will turn. It will not be easy to turn, so you may need to put a socket on the center bolt holding it on to the crankshaft and then a long handled ratchet or breaker bar to actually turn the engine. Please make sure the battery is disconnected before doing any of this work and make sure the ignition key is in the off position.

Let me know if this helps.

Joe
Jun 23, 2020 at 8:01 PM
Avatar
GMC2002ENVOY
  • MEMBER
  • 8 POSTS
The problem is, is that I cant get the rear drive shaft bolts off because I can't spin the drive shaft to get access to the top bolts. Also, you mentioned not to bang on the drive shaft. Is it okay the bang on it with a plastic hammer as in the 2CarPros how to remove an automatic transmission YouTube video? And lastly, I am not sure I will be able to locate the crankshaft. is it accessed from the hood or underneath the car? Thank you.
Jun 24, 2020 at 8:41 PM
Avatar
JACOBANDNICKOLAS
  • CERTIFIED EXPERT
  • 110,175 POSTS
Hi,

Absolutely you can tap in the driveshaft with a plastic hammer. As far as the upper bolts, can you get them with a box end wrench rather than a socket?

As far as the crankshaft, open the hood and follow the serpentine belt. It will be at the bottom of the engine. Take a look at the pic I attached and let me know if that helps. As far as access, you can get to it from top or bottom, but it would be easier from the bottom.

Joe
Jun 24, 2020 at 9:34 PM
Avatar
GMC2002ENVOY
  • MEMBER
  • 8 POSTS
I am all ready to remove the transmission. However, the 2 drive shafts are stuck. I cannot get them to budge. Even when banging on them with a plastic hammer they won't come loose. I don't know what to do. Is it okay if I lower the transmission before removing the 2 drive shafts?
Jun 26, 2020 at 5:16 PM
Avatar
JACOBANDNICKOLAS
  • CERTIFIED EXPERT
  • 110,175 POSTS
Hi,

I would think lowering it would make it even more difficult. Do you have everything disconnected from the drive shafts? If you can't get them to move with a plastic hammer, try something heavier. Tap on the side of the universal joint that is between the driveshaft and the differential input shaft. It should come loose.
Jun 26, 2020 at 8:59 PM
Avatar
GMC2002ENVOY
  • MEMBER
  • 8 POSTS
I was thinking the slip yokes would fall out as the transmission is lowered to the ground. I have banged really hard with a 2.5 lbs plastic hammer for hours and it wont come loose right on u-joint between the shafts and differentials, and I know I have all bolts removed. So, is just letting the slip yokes slide out of the transmission by taking it out of the vehicle a viable option, or would that damage my drive shafts? Or, possibly does that mean that the drive shafts are bad in the first place?
Jun 27, 2020 at 11:52 AM
Avatar
JACOBANDNICKOLAS
  • CERTIFIED EXPERT
  • 110,175 POSTS
Hi,

You should be able to do it that way. And no, it won't damage anything. Just go slow. As far as the driveshafts, they are not the likely suspect but instead, the u-joints are more likely rusted or corroded onto the input shaft at the differential. If you are not worried about the u-joint and plan to replace them, try using a steel hammer. Do me a favor. Take a pic of what you are working on and upload it so I can see. Maybe I'll be able to give a few tips.

Joe
Jun 27, 2020 at 9:16 PM
Avatar
GMC2002ENVOY
  • MEMBER
  • 8 POSTS
Okay. Thank you for your help. I think I will have to replace the u-joints as well. Will that be a problem if I still can't get the drive shafts loose?
Jun 28, 2020 at 12:39 PM
Avatar
JACOBANDNICKOLAS
  • CERTIFIED EXPERT
  • 110,175 POSTS
The U-joint requires the driveshaft to be removed. If you need to use something heavier to remove it, just plan to replace it. Also, is it possible to get a pic of the u-joint? I would like to be more helpful and if I could see what you are dealing with, I may be able to.

Let me know.
Joe
Jun 28, 2020 at 9:48 PM