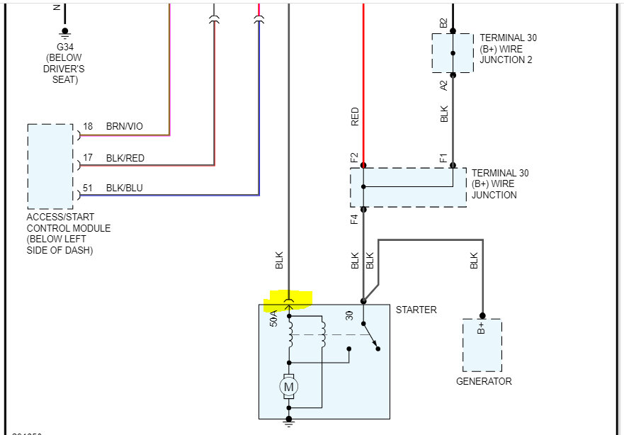
So, last week I was driving down the interstate going 65 and heard a pop. I took it to the auto shop as I felt a thumping when accelerating in my feet. They said it was the bearing on the drive shaft. Which it was bad, and they replaced it. My water pipe (separate issue that we knew was bad so asked them to fix) was being fixed at the same time. They called me later to say when they test drove it, they still felt it wobble and be off. So, they suggested I replace the rear drive shaft completely. The next morning when I called to authorize the work, they told me while they were test driving it again that the side air bags on driver and passenger side blew and hit dude in the face while driving. He then proceeded to tell me my engine at that point threw multiple engine codes from bad engine module to bad circuits to seat belt issues. Now mind you when the car went in, it ran and drove just fine. The engine was strong and just had some fixes. This was only drive shaft issue. I brought the car home thinking I could possibly just have the issues fixed over time to find out now my car won't even run. Lights, ac, blower motor, all the electrical work fine but the engine won't even make a click or tick to act like it wants to start up. Did they cause the issue? Was this electrical? I called Volkswagen and there are no recalls.
Aug 25, 2023 at 4:36 PM

