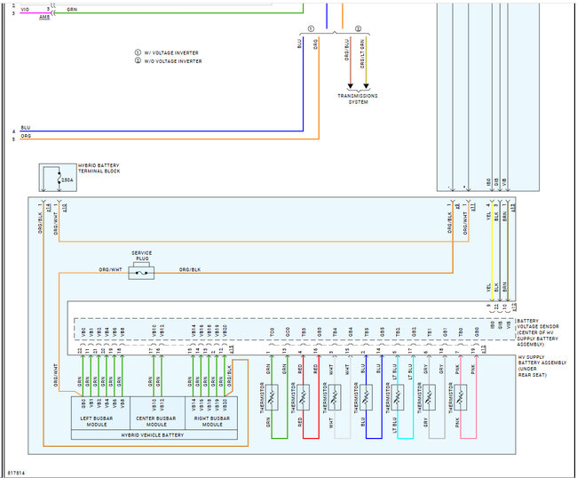
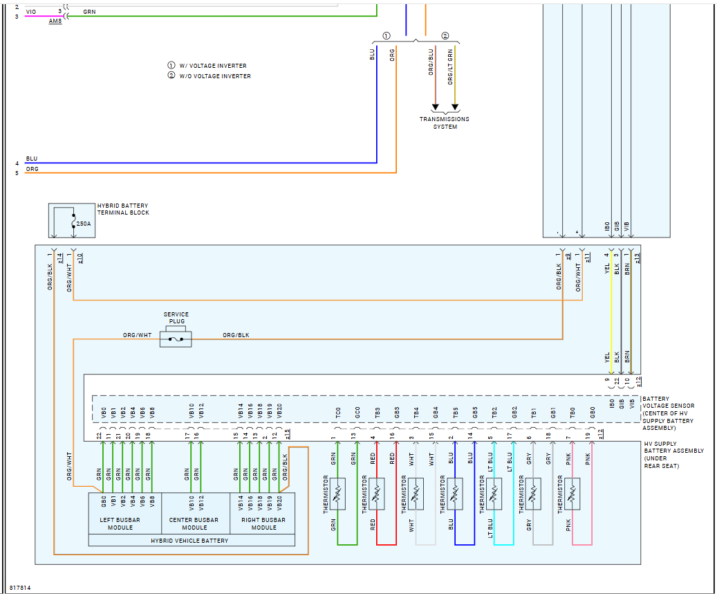
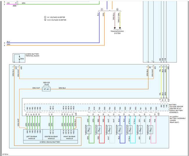
Hi, I have a drive motor A temperature sensor circuit high will not clear from scanner. could you please help the location of the sensor because I can't find it on the gear box external. Thanks in advance.
Feb 22, 2025 at 4:57 PM


















