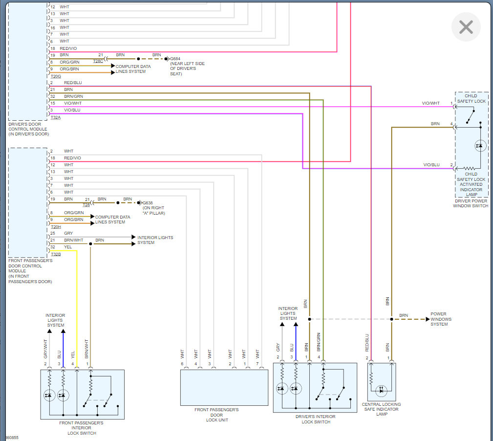
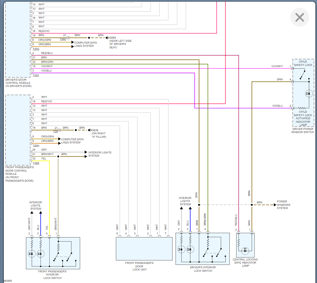
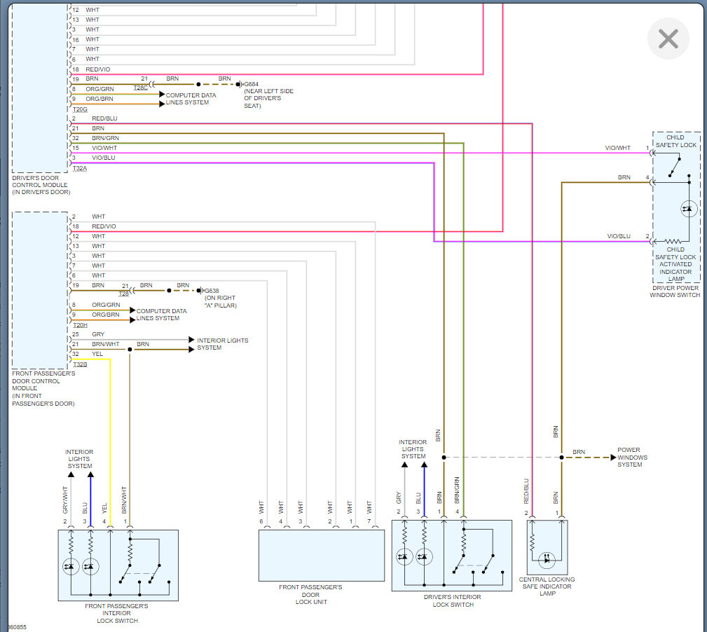
I need to know where the door lock relay is located in my car listed above (cc). My doors don’t lock or unlock you don’t even hear sound when pushing lock buttons. The shop seems to think that it’s the comfort control module but I disagree because everything else in the car is in working order! The location of the door lock relay and any fuse for only the door locks would be of great help to me.
Apr 29, 2019 at 6:36 AM




