Hi,
Do you mean the door didn't come with a power window and you need directions, or it did, but the old one didn't have a power window?
Also, I am basing this on a regular cab and not a 4 door. If that is incorrect, let me know.
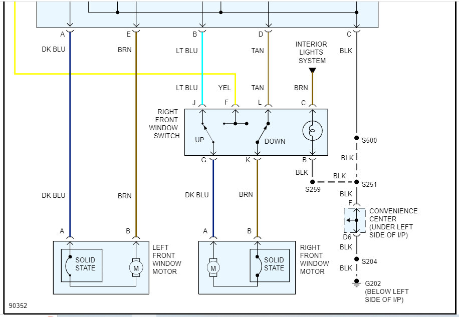
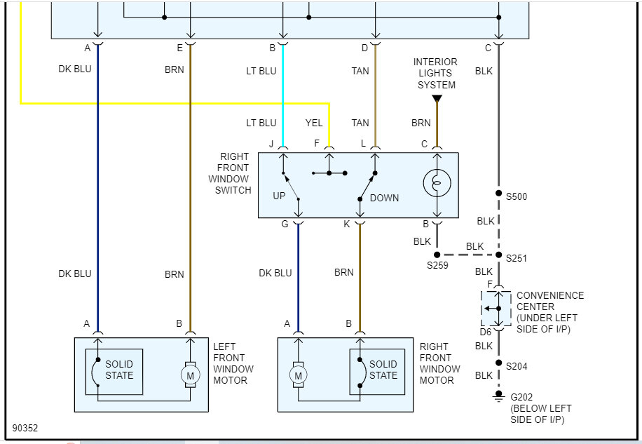
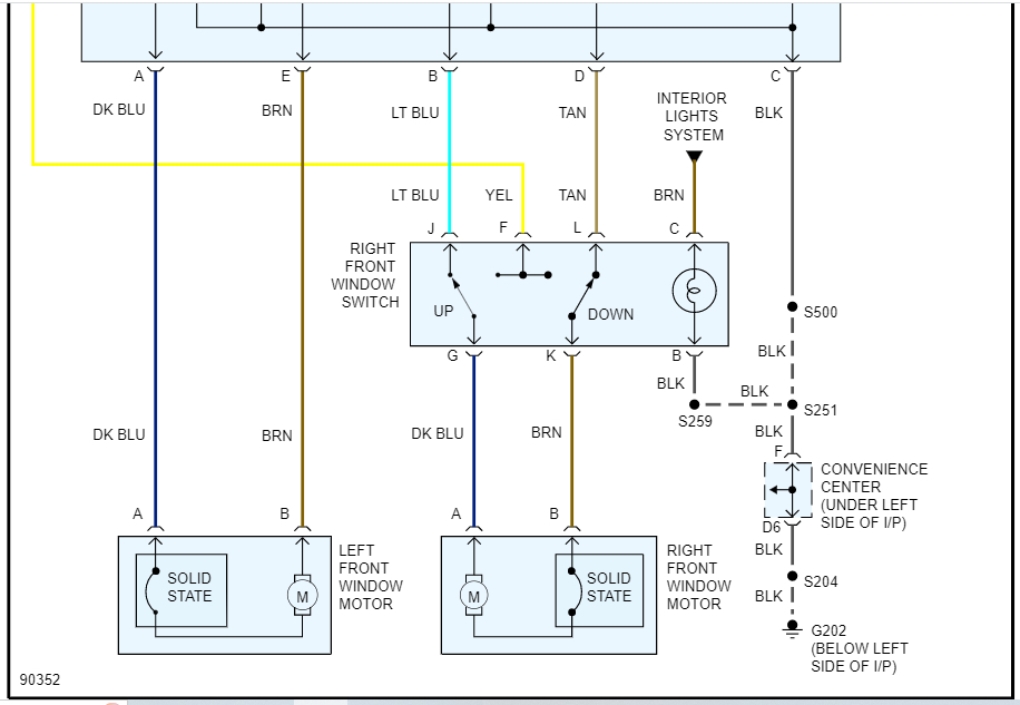
Take a look through the wiring schematic below. Let me know if that is what is needed or if it is something different.
Take care,
joe
See pics below.
Images (Click to enlarge)
Feb 8, 2023 at 2:51 PM