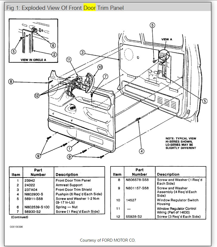
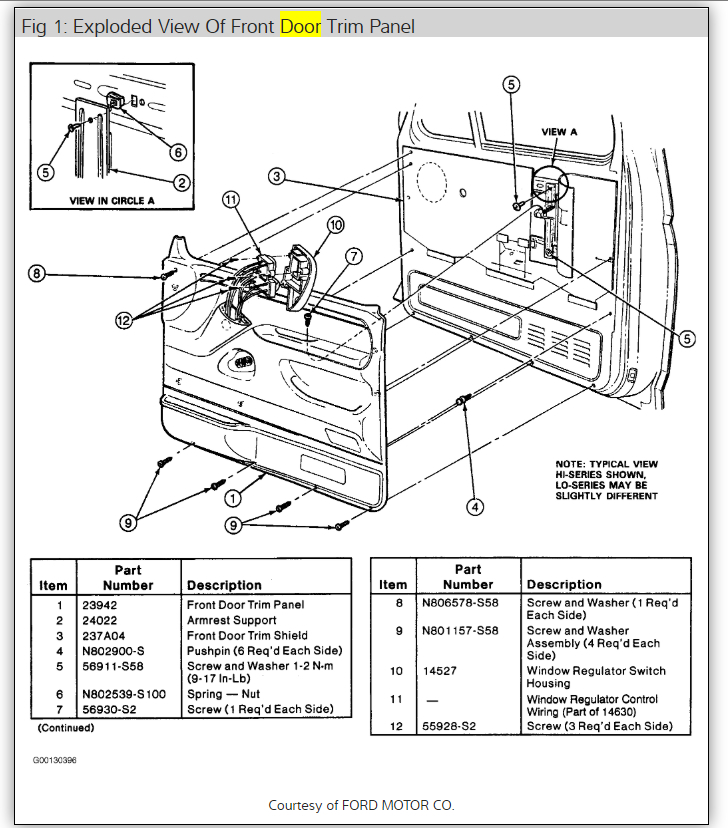
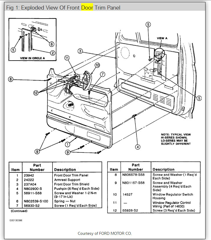
The thumb door release became hard to push and finally would not move. Naturally the inside door release does not work either. What can de done?
Thanks.
Thanks.
Dec 3, 2018 at 2:05 AM
