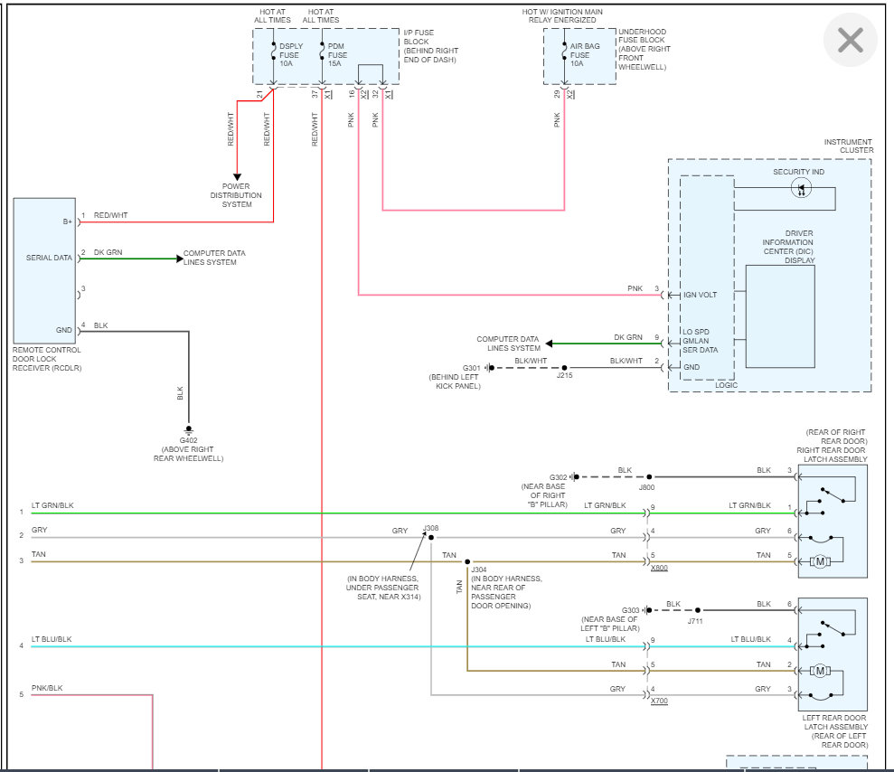
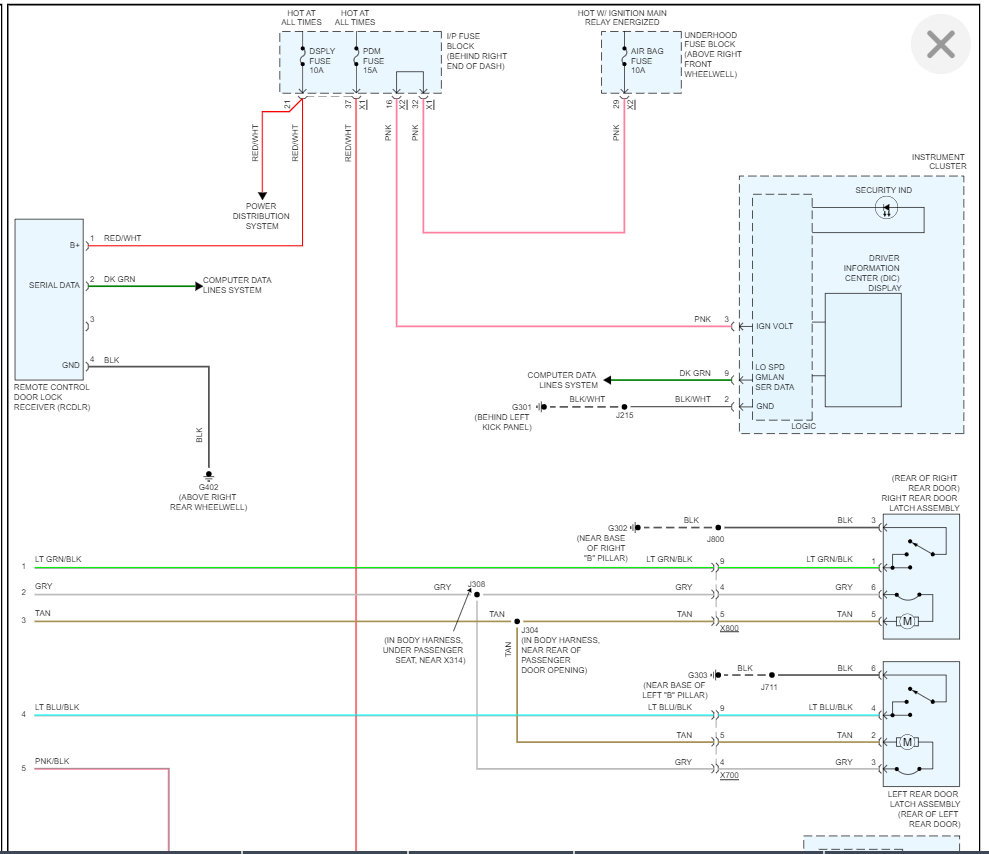
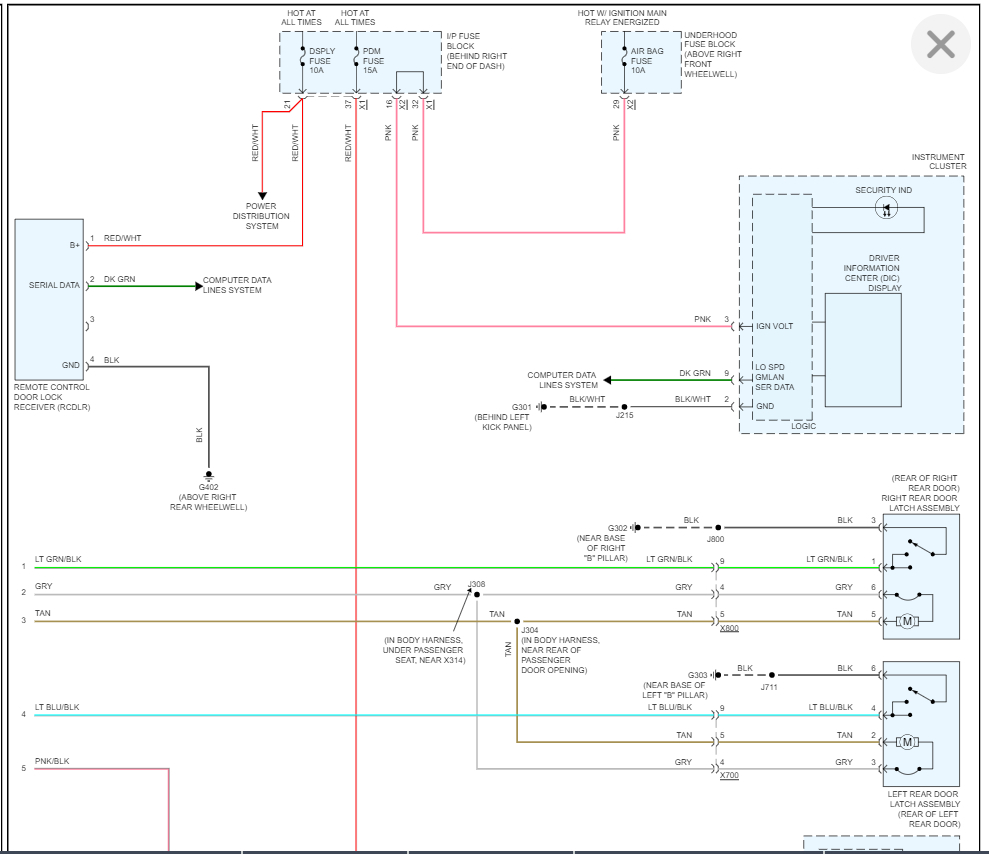
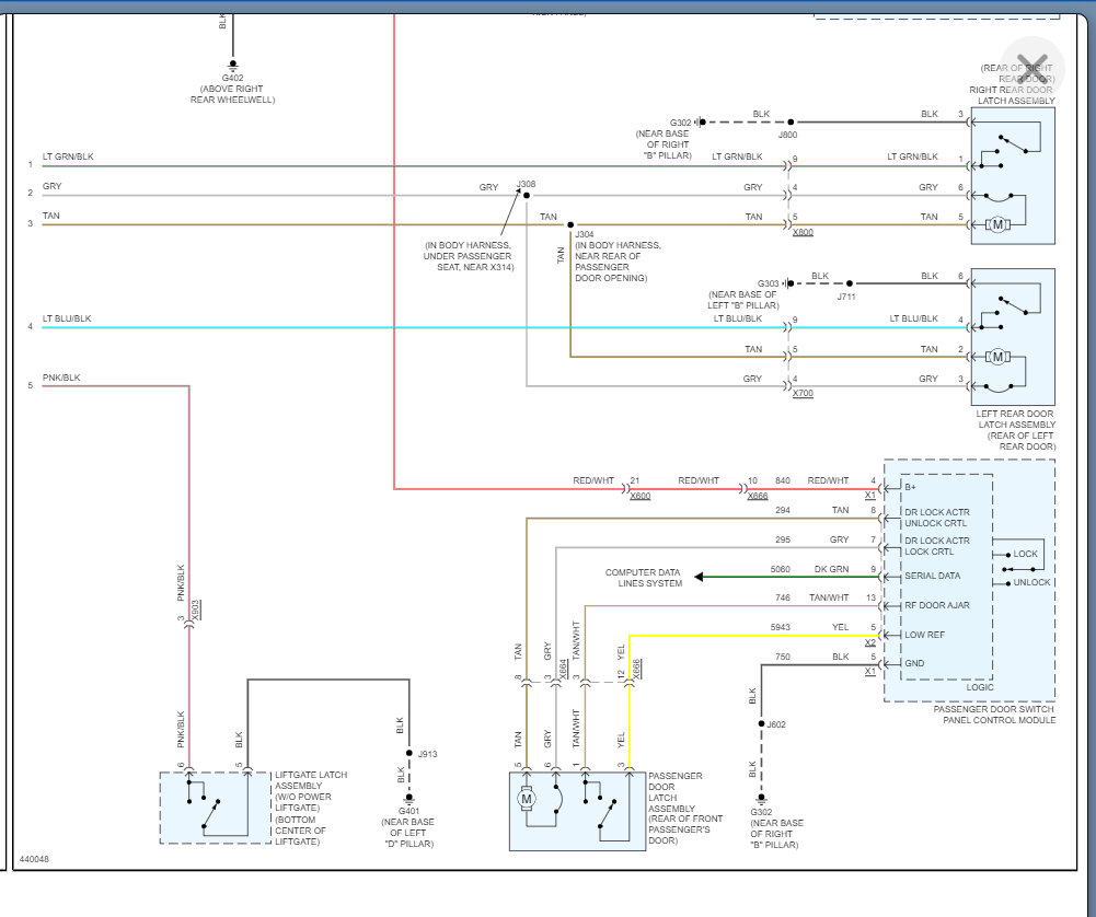
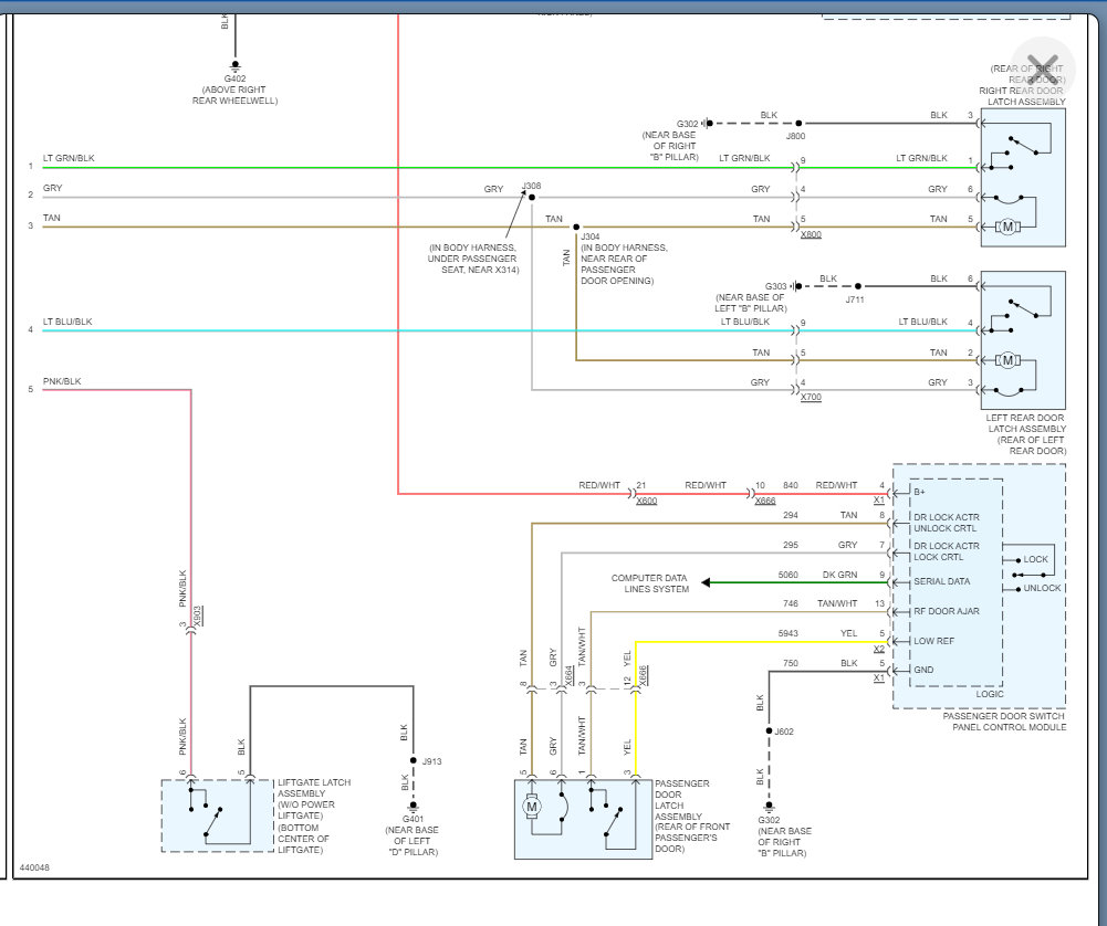
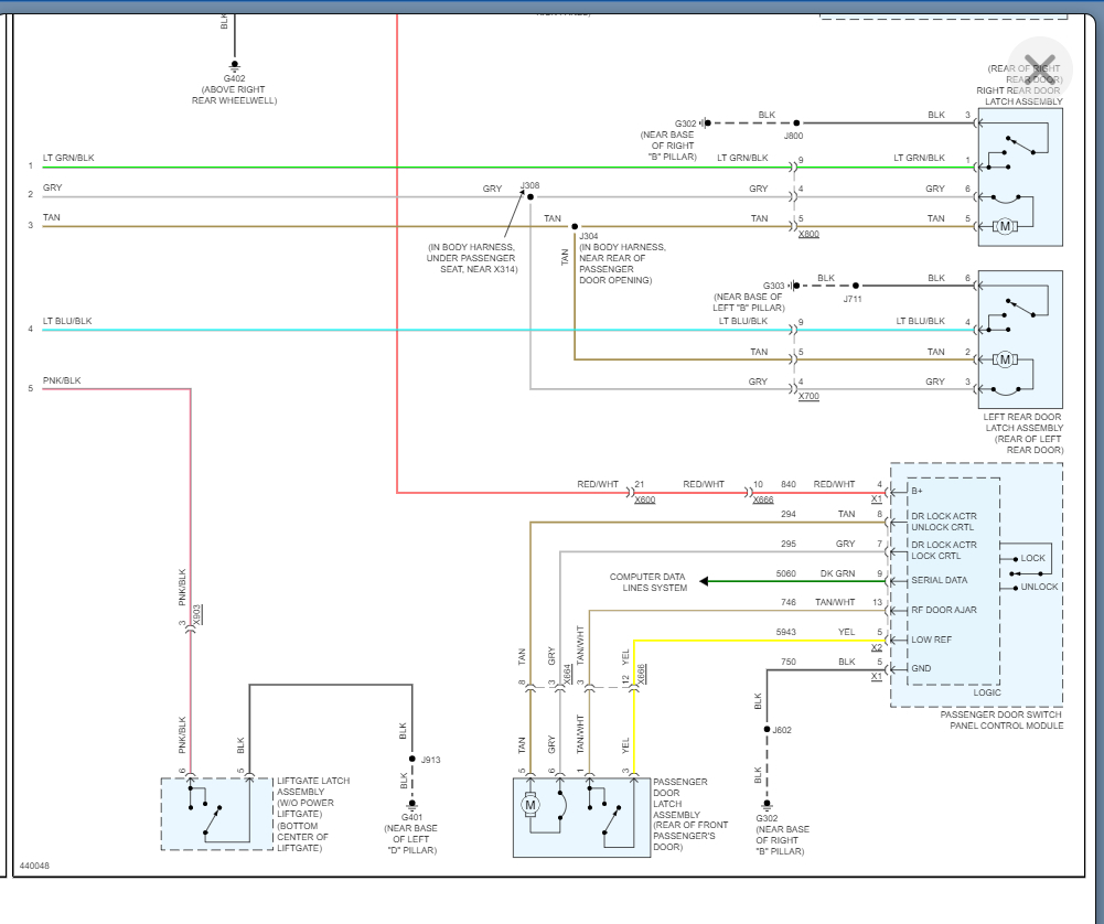
My door locks will not lock but will unlock. This problem happens on and off. The issue is the same no matter if using the inside door panel, key fob or auto lock when put into gear.
What could be causing this issue?
What could be causing this issue?
Apr 11, 2022 at 11:21 AM



