The door locks, fob, trunk, and door lock switch are not working?

2007 LINCOLN TOWN CAR
83,000 MILES • 4.6L • V8 • 2WD • AUTOMATIC
Avatar
NMAY
  • MEMBER
  • 6 POSTS
my door locks,fob, trunk, and door lock switch not working.
Jun 22, 2024 at 1:02 PM
Advertisement
Avatar
STRAILER
  • CERTIFIED EXPERT
  • 53,854 POSTS
I would start by checking fuse #19 in the central fuse panel inside the car, here is a guide to help and the fuse locations as well:

https://www.2carpros.com/articles/how-to-check-a-car-fuse

Check out the images (below). Please let us know what happens.




Jun 23, 2024 at 12:05 PM
Avatar
NMAY
  • MEMBER
  • 6 POSTS
We checked all fuses. number 19 also. all fuses good. thank you
Jun 23, 2024 at 1:23 PM
Advertisement
Avatar
NMAY
  • MEMBER
  • 6 POSTS
Any other ideas would be helpful.
Jun 23, 2024 at 1:24 PM
Avatar
STRAILER
  • CERTIFIED EXPERT
  • 53,854 POSTS
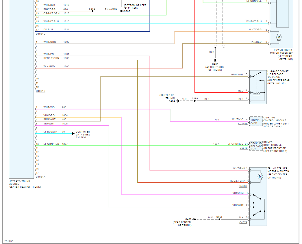
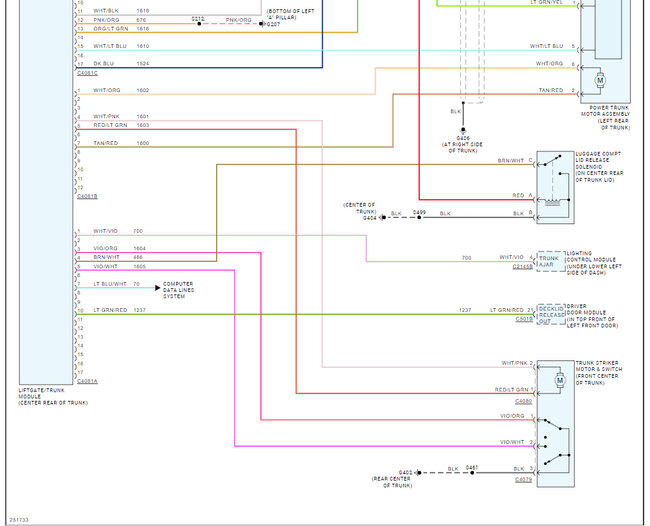
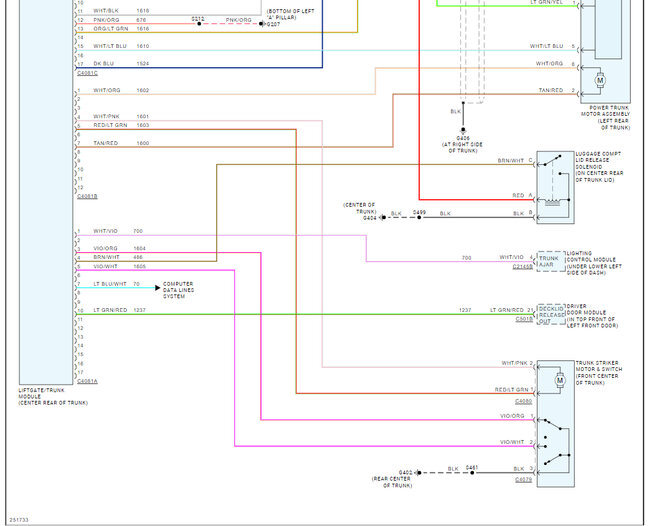
Okay, I was hoping for fuse #19 because both systems share that fuse. Did the fuse have power? So, it looks like the driver's door module has gone out, but I would check the other fuses as well. Here are the other fuses in the system and the wiring diagrams so you can see how the door lock and trunk work. Here is the location of the DDM so you can swap it out if the fuses are good. The wiring diagrams have the fuses you should check. Check out the images (below). Let us know how it goes.
Jun 24, 2024 at 9:11 AM