Door locks not working properly

1999 HONDA ACCORD
195,000 MILES • 2.3L • 4 CYL • 2WD • AUTOMATIC
Avatar
JAY626
  • MEMBER
  • 1 POST
Hey i have the car listed above sedan EX model. I am having a problem with my windows and locks; when i go to lock it from the door inside none of the locks work at all and when i put the the windows down on the passenger side they go down really slow. but when i use the buttons on the passenger side the windows go up and down with no problem. i checked the fuses but still does the same thing.
Jun 21, 2019 at 3:25 AM
Advertisement
Avatar
STRAILER
  • CERTIFIED EXPERT
  • 53,854 POSTS
Hello,

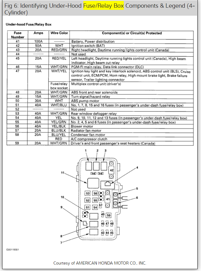
This sounds like the drivers multiplex is out. To confirm here are the wiring diagrams and a guide to help you test the outputs and the module location. Also check the window relay as well

https://www.2carpros.com/articles/how-to-check-an-electrical-relay-and-wiring-control-circuit

and

https://www.2carpros.com/articles/how-to-check-wiring

Check out the diagrams (below). Please let us know what you find. We are interested to see what it is.

.
Jun 24, 2019 at 2:04 PM