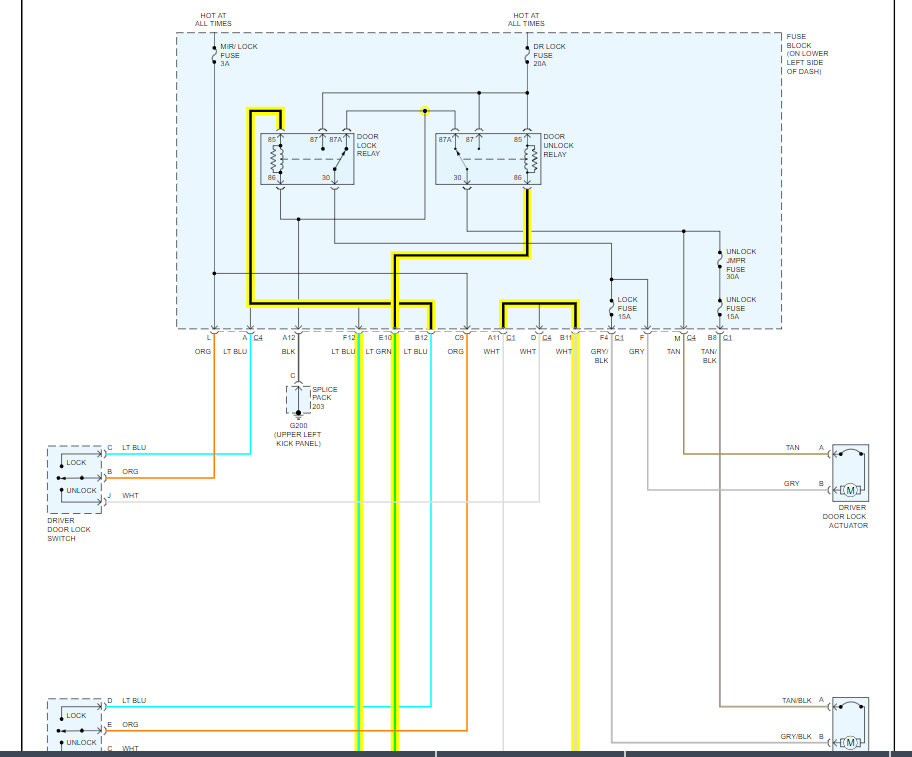
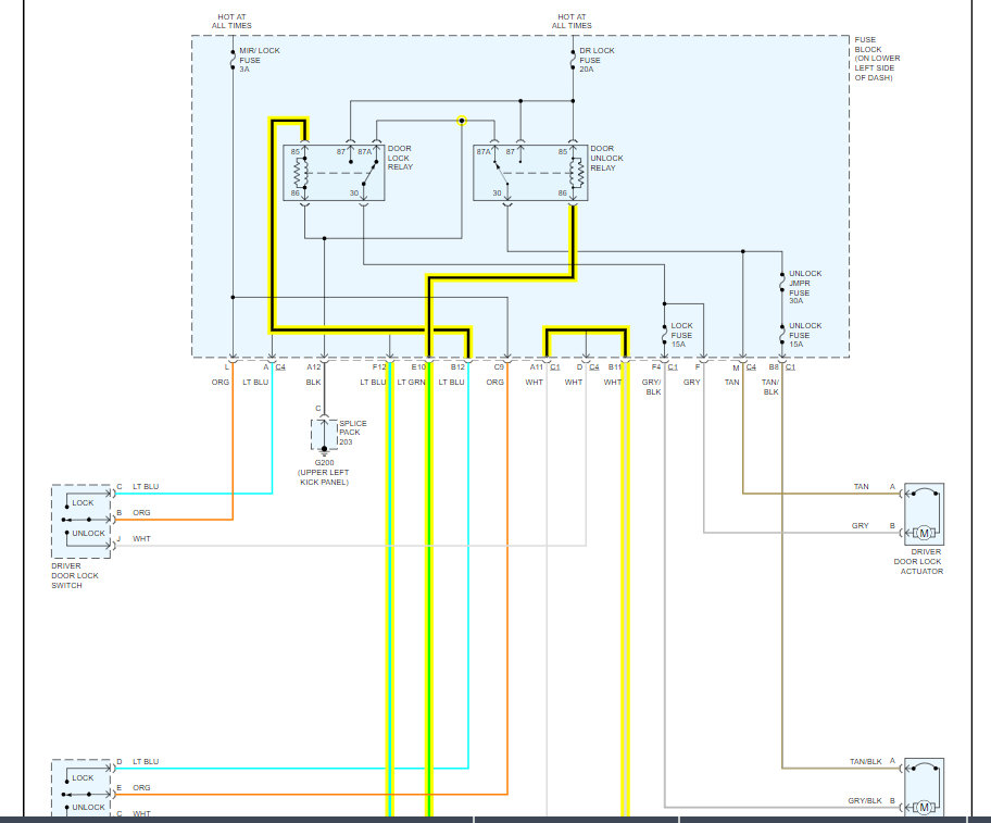
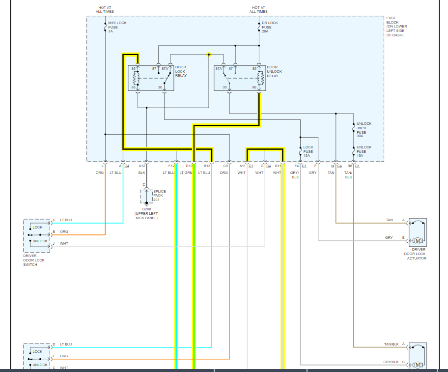
When I put my truck in drive the door will not lock it self for a minute or two when we are driving it. When we stop and put in park it will not open the lock have to unlock have to use electronic lock button. I also cannot get it program to reprogram my new remote lock key.
Apr 7, 2021 at 1:40 PM





