Front door locks do not work with the switch inside, or key fob outside

2001 FORD TAURUS
172,000 MILES • 3.0L • V6 • 2WD • AUTOMATIC
Avatar
TURNERTAURUS01
  • MEMBER
  • 1 POST
The back doors however work with the switch inside and key fob outside. Everything was working 24 hours ago when I last parked it for the night. Key fob starts the car, unlocks and locks back doors, but nothing to the front doors.

I did however purchase a new fob and antenna for the command start system and put the regular Ford key fob in a drawer at home last night, would that be an issue with the chip not being close or something?
Dec 19, 2019 at 10:52 AM
Advertisement
Avatar
ASEMASTER6371
  • CERTIFIED EXPERT
  • 52,796 POSTS
Good afternoon,

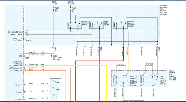
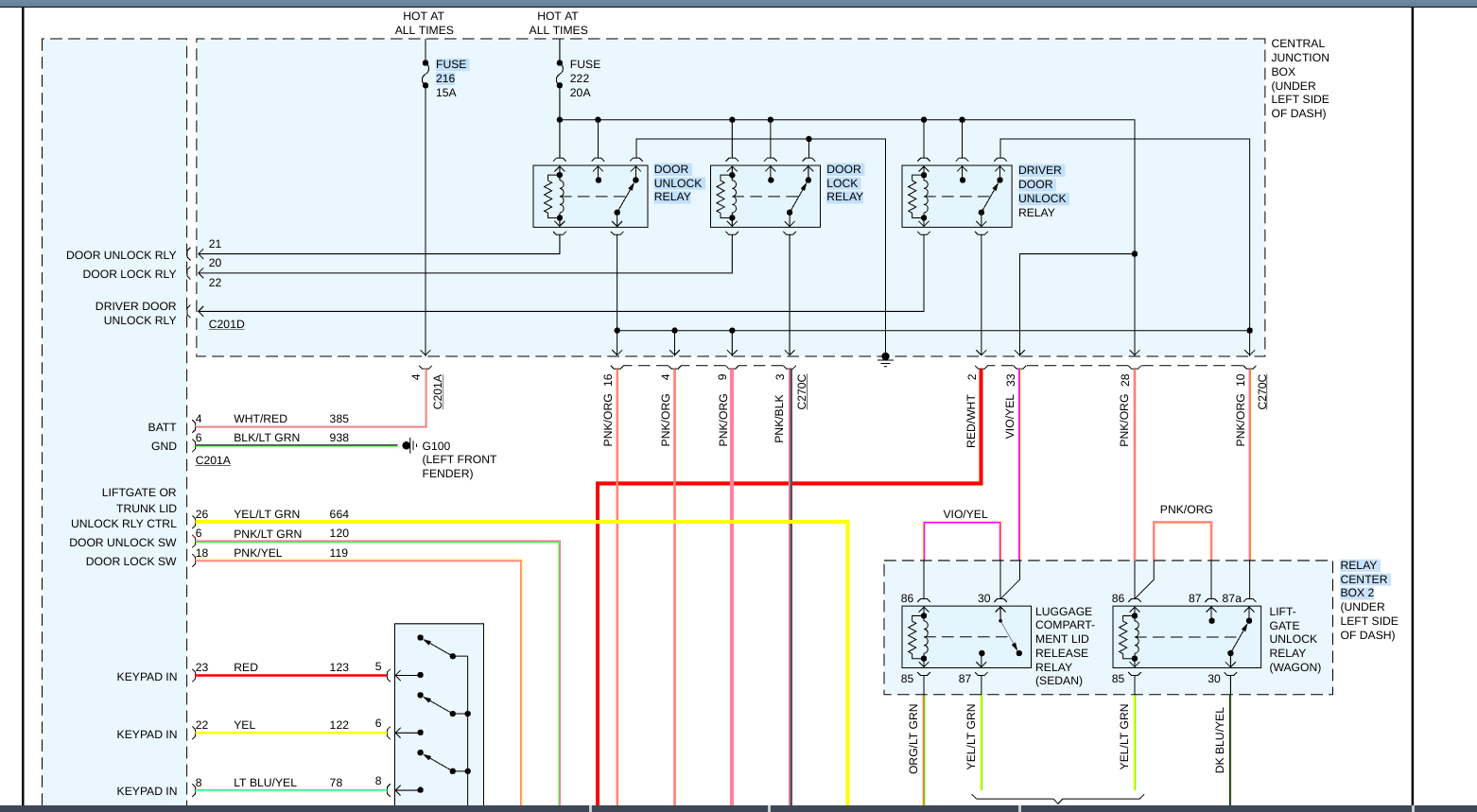
Check fuse 22 in the fuse block under the dash.

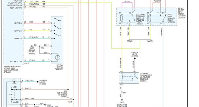
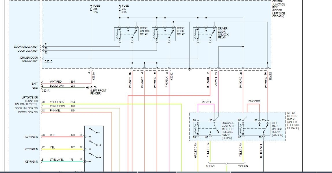
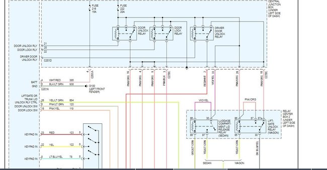
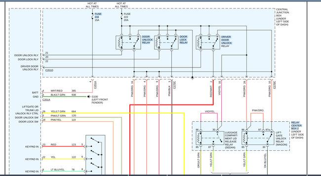
I attached a diagram for you to view. You need to verify output power from the fron switches to the 2 relays.

Do you have a test light to do some testing?

Roy
Dec 19, 2019 at 11:55 AM
Avatar
SCGRANTURISMO
  • CERTIFIED EXPERT
  • 4,897 POSTS
Hello,

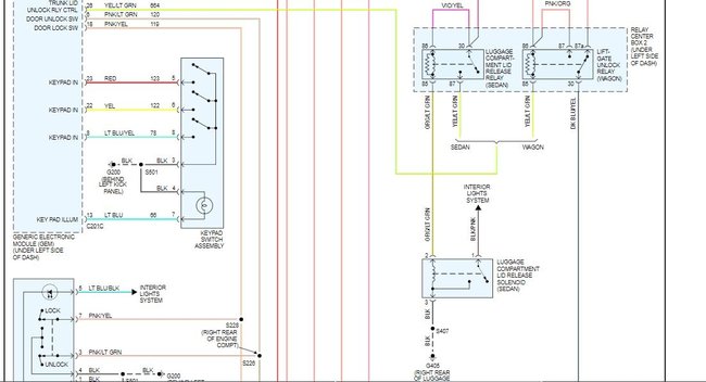
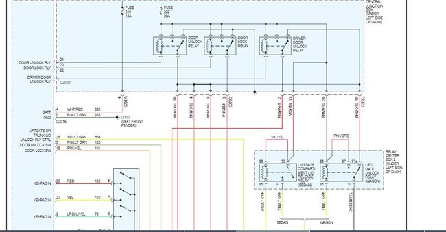
Yes, that would be the issue. The new key fob is probably not being recognized by your vehicle's Generic Electronic Module [GEM], which controls the door locks. In the diagrams down below I have included the wiring diagram for your vehicle's power lock circuits for your reference. Please check with the directions on the new key fob and get back to us with what you are able to find out.

Thanks,
Alex
2CarPros
Dec 19, 2019 at 12:09 PM
Advertisement