After sitting the battery drained, had it jumped and the next day the locks were not working properly?

2012 KIA SEDONA
135,000 MILES • AUTOMATIC
Avatar
EZEX
  • MEMBER
  • 53 POSTS
I parked at an offsite airport parking lot with valet parking. Looks like my car battery drained and they gave it a jump from a battery pack. I noticed the next day that the locks weren't working properly. I'll hit the button either inside the car or on the remote and sometimes they'll all open and sometimes only some will, or some will only go to the halfway unlocked position. Any ideas? I tried disconnecting the battery and touching the cables together. Saw online that can cause the BCM to revert to default settings.
Aug 30, 2024 at 7:11 AM
Advertisement
Avatar
STRAILER
  • CERTIFIED EXPERT
  • 53,854 POSTS
Good job, that is what I was going to have you do as well, here is the guide in case you need it to see if it was done correctly:

https://www.2carpros.com/articles/step-by-step-guide-performing-a-hard-system-reboot-for-your-vehicles-electronics-systems

There is a change they connected the jumper backwards or that the car has a voltage surge when the jump was done. Also, if the driver's door was slammed it can damage the DDM (driver's door module), a CAN scan should have a code for the problem. You can get a CAN scanner (Controller Area Network) which will work on most cars from Amazon.

Here is a video to show you how:

https://youtu.be/u-4syLc-ifQ

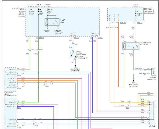
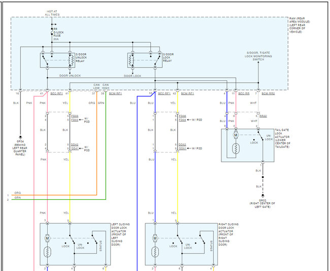
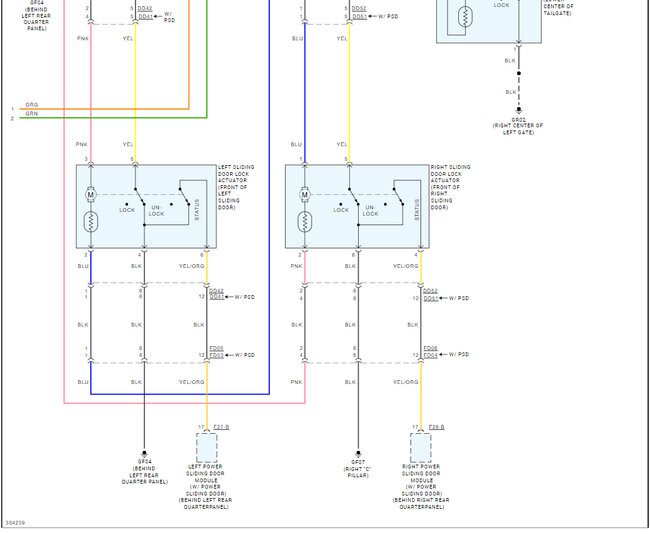
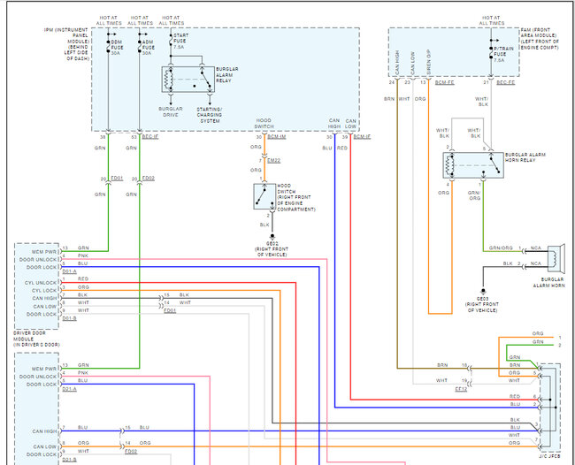
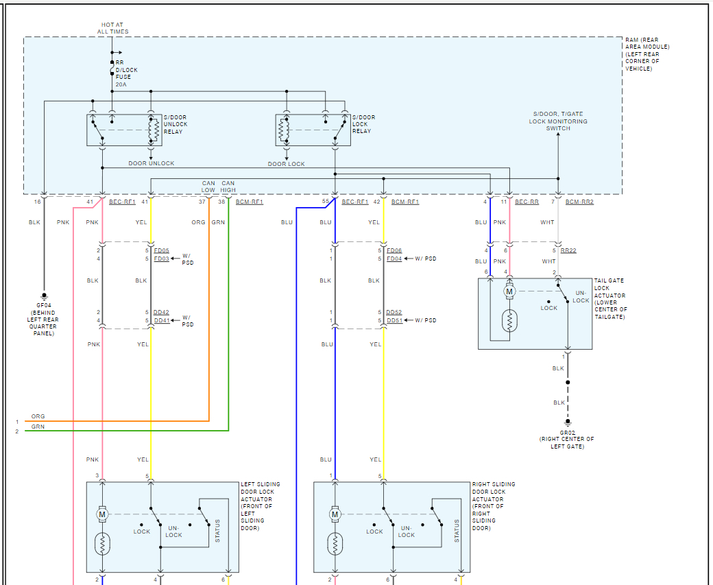
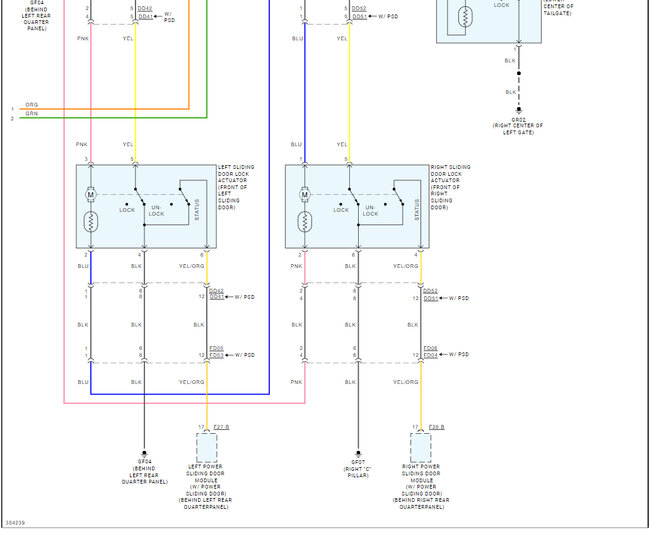
Here is how to change the DDM out in case there is a code for it which I think this is the problem. I also included the door lock wiring diagrams so you can see how the system works. Check out the images (below). Please upload pictures or videos in your response of any problems so we can see what to help you with.
Aug 30, 2024 at 11:04 AM
Avatar
EZEX
  • MEMBER
  • 53 POSTS
It's probably not the ddm. I'd have figured the BCM. It's affecting all door locks but especially the front passenger door. I definitely haven't noticed this issue before giving the car into them. They didn't tell me that they were jumping the car, but I noticed him holding a jumper pack and it says jump start on the tag they attached to my key. I have a Blue Driver which I know isn't a full CAN scanner but that didn't pull up anything. Any recommendations on which scanner to get? And do you think I have any recourse if they did damage the car?
Aug 30, 2024 at 11:28 AM
Advertisement
Avatar
STRAILER
  • CERTIFIED EXPERT
  • 53,854 POSTS
Hmm, I don't see a BCM in the door lock circuit?
Aug 31, 2024 at 3:38 PM
Avatar
EZEX
  • MEMBER
  • 53 POSTS
Oh. Figured it must be something central like that if it's affecting all the car electronic locks.
Aug 31, 2024 at 5:50 PM
Avatar
STRAILER
  • CERTIFIED EXPERT
  • 53,854 POSTS
The master window/door lock switch has a microprocessor inside which can malfunction causing the problem you are describing.
Sep 1, 2024 at 10:43 AM