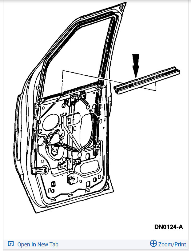
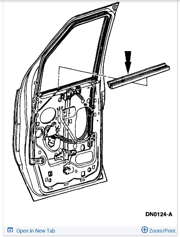
The plastic cable ferrules on door latches needed replacing with new metal cable ferrules. My neighbor tried helping me, but only managed to disassemble all side door components incl. Handle, door actuator, center latch assembly, cables, door lock, everything and then was unable to reinstall or figure out where the cam shaped cable ferrule needed to go. I need help understanding how to fix it and put it all back proper.
Can't find good diagrams or pictures of latch assembly or other parts. Need pictures, or instructions, something, anything. YouTube only marginally helped as to broad. Doors shut with Bunji only.
He drilled out rivets for handle. What bolts to reinstall? How and where do each ends of door latch cables go? How do I reconnect door handle hardware to latch, etc. Any help would be so appreciated. Thanks, Teressa
Can't find good diagrams or pictures of latch assembly or other parts. Need pictures, or instructions, something, anything. YouTube only marginally helped as to broad. Doors shut with Bunji only.
He drilled out rivets for handle. What bolts to reinstall? How and where do each ends of door latch cables go? How do I reconnect door handle hardware to latch, etc. Any help would be so appreciated. Thanks, Teressa
Feb 15, 2025 at 3:57 PM








