Door latch

2006 VOLKSWAGEN PASSAT
133,000 MILES
Avatar
GFERDINANDO
  • MEMBER
  • 1 POST
Driver's door latch has just been replaced, but door still will not close when it is really cold. When it has half way warmed up it will close but it will not open from the outside. When it has completely warmed up it will open and close. Car was in an accident and exterior of the door was from another car. I have had this problem ever since. I had read something about a cable on the inside of the door being short when it is cold. Is this possible?
Dec 14, 2017 at 6:09 PM
Advertisement
Avatar
STRAILER
  • CERTIFIED EXPERT
  • 53,854 POSTS
Yes, the adjustments can cause the latch not to work when it is hot or cold but it can be a defective latch as well.

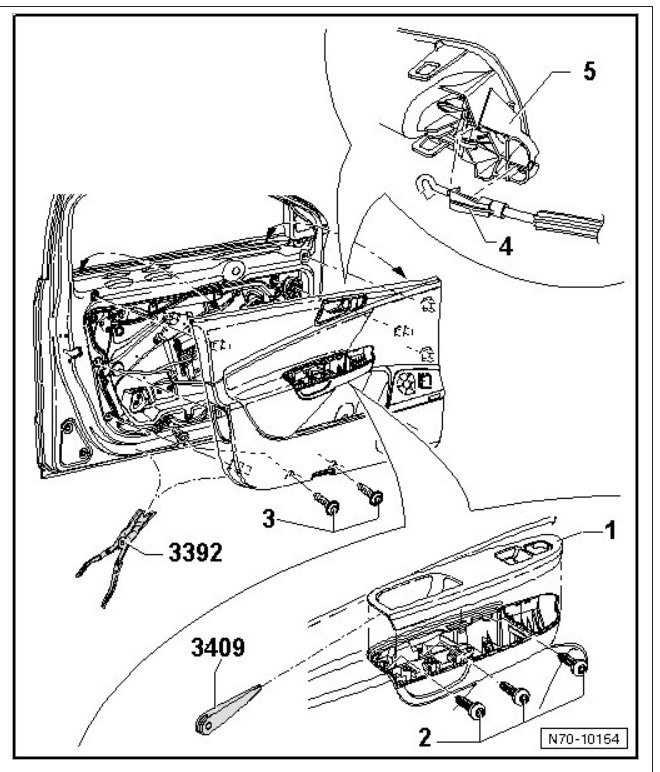
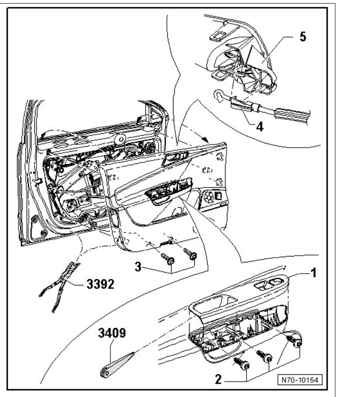
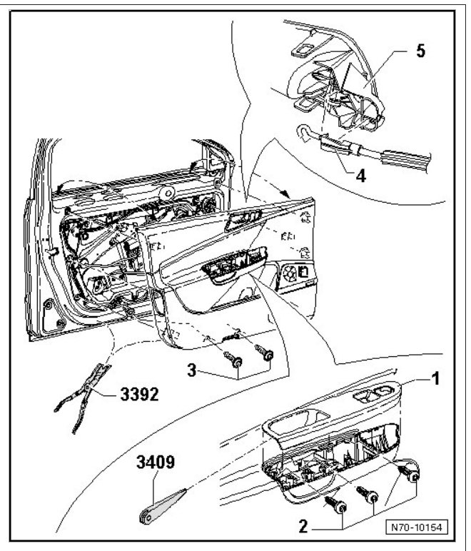
Here are some diagrams for the mechanism so you can check it out:

Rotate lock - 1 - around.
Engage retainer - 2 - by rotating in - direction of arrow a -.
Remove retainer - 2 - from mount.
Swivel cable - 3 - in - direction of arrow b - and remove cable nipple - 4 - from eyelet - 5.

You will need to remove the door panel here is a guide that will give you an idea on how to do it.

https://www.2carpros.com/articles/door-panel-removal

Check out the diagrams (below).

Please let us know what you find. We are interested to see what it is.

Cheers, Ken
Dec 16, 2017 at 11:20 AM