Door central lock not responding

2010 TOYOTA CAMRY
256,765 MILES • 6 CYL • 2WD • AUTOMATIC
Avatar
BLESSING EWOBOR
  • MEMBER
  • 754 POSTS
Hello, this vehicle's central lock is not responding, when the button is pressed one will hear a clicking sound as if it has locked, but if attempt is made to open the door it will opened. Please could I get any circuit diagram for this?
Mar 5, 2021 at 7:48 PM
Advertisement
Avatar
JACOBANDNICKOLAS
  • CERTIFIED EXPERT
  • 110,175 POSTS
Hi,

Are all of the locks making a noise but not working? Since you hear a noise, it doesn't sound like a power issue. It could be a ground problem as well. If only one door is doing it, then the actuator itself could be bad.

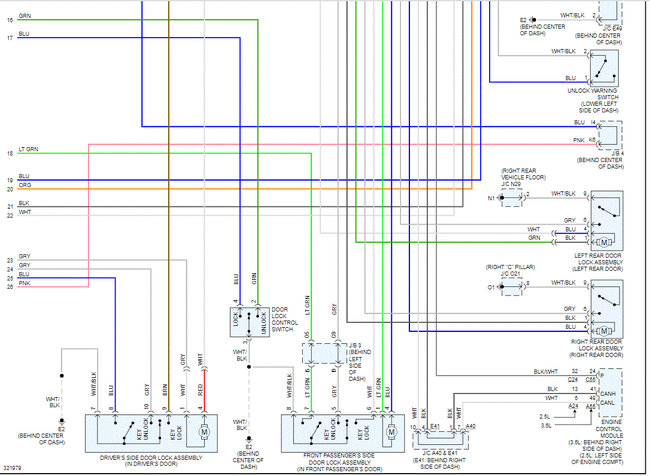
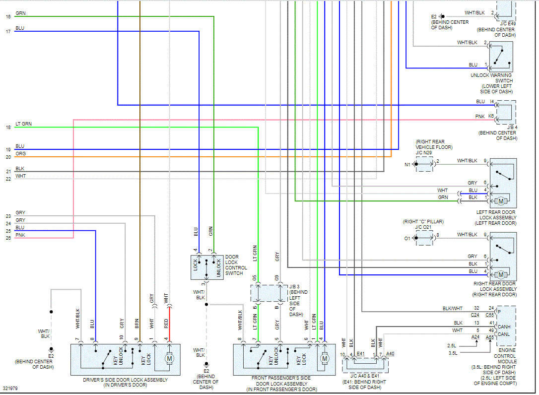
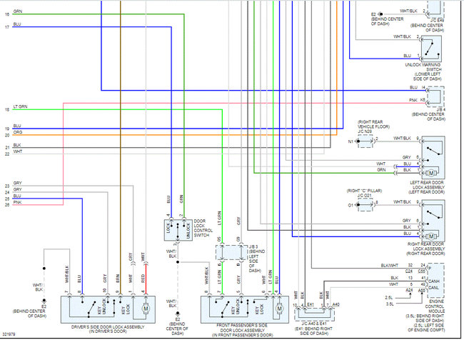
Regardless, I attached the entire wiring schematic for the door locks. This is for a vehicle without a smart key. If you have one, let me know. Also, if it is a hybrid, let me know.

I cut the pics in half to make them readable. I did overlap them so you can follow from one to the next.

Here is a link you may find helpful as well:

https://www.2carpros.com/articles/how-to-check-wiring

_________________________________

I hope this helps. Let me know what you find or if you have other questions.

Take care and God Bless,

Joe
Mar 6, 2021 at 12:12 AM
Avatar
BLESSING EWOBOR
  • MEMBER
  • 754 POSTS
Thank you.
Mar 9, 2021 at 5:03 AM
Advertisement
Avatar
JACOBANDNICKOLAS
  • CERTIFIED EXPERT
  • 110,175 POSTS
You're very welcome. Take care and let me know what you find.

Joe
Mar 9, 2021 at 5:28 PM