Door alarm unlock system not working properly

2003 MERCURY SABLE
196,000 MILES • 3.0L • 6 CYL • 2WD • AUTOMATIC
Avatar
KDAWG1282
  • MEMBER
  • 1 POST
When i lock my doors or leave them unlocked my lights on the outside and lights on the inside keep coming on as if i just unlocked my car, but the locks don't move until I actually lock or unlock the doors.
Apr 3, 2020 at 7:59 PM
Advertisement
Avatar
ASEMASTER6371
  • CERTIFIED EXPERT
  • 52,796 POSTS
Good morning,

The GEM module or body control module handles the operation of both the locks and lamps.

This module is a very common failure. You need an advanced scan tool to monitor the operation of all the components.

I attached description and operation of the module.

Roy

REMOVAL
1. Disconnect the battery ground cable.

CAUTION:
Prior to removal of the module, it is necessary to upload module configuration information to the appropriate diagnostic tool. This information needs to be downloaded into the new module once installed.
Electronic modules are sensitive to static electrical charges. If exposed to these charges, damage may result.



imageOpen In New TabZoom/Print



2. Loosen the bolts and disconnect the bulkhead connectors from the instrument panel fuse junction panel.



imageOpen In New TabZoom/Print



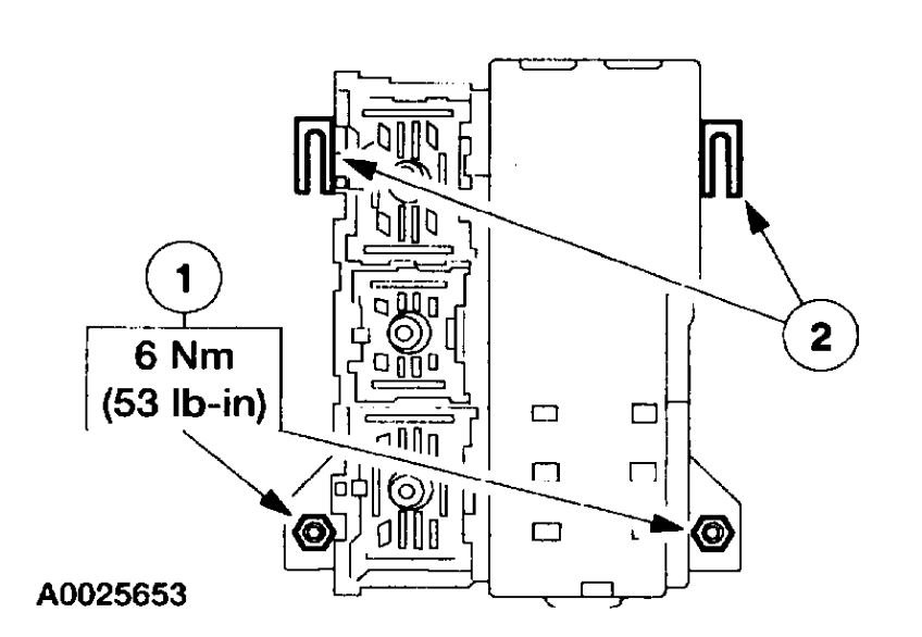
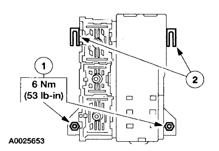
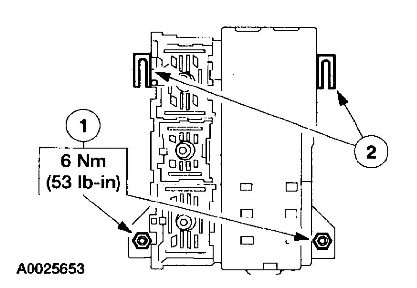
3. Position the instrument panel fuse junction panel aside.
1 Remove the nuts.
2 Remove clips.



imageOpen In New TabZoom/Print



4. Remove the Generic Electronic Module (GEM).
1 Disconnect the electrical connectors.
2 Remove the screw.
3 Unclip and remove the GEM.

INSTALLATION
1. To install, reverse the removal procedure.

CAUTION: Once the new module is installed, it is necessary to download the module configuration information from the diagnostic tool equipment into the new module.
Apr 4, 2020 at 4:29 AM