Door Ajar light on for front passenger door stays on

2013 HYUNDAI SANTA FE
118,800 MILES • 2.4L • 4 CYL • 2WD • AUTOMATIC
Avatar
JEFF R
  • MEMBER
  • 1 POST
Door Ajar light on for front passenger door. Door closed tight and locks with no issues. Door ajar light stays on.
Oct 9, 2021 at 4:16 PM
Advertisement
Avatar
STEVE W.
  • CERTIFIED EXPERT
  • 15,113 POSTS
The description sounds like the switch inside the door latch that tells the body control module that the door is closed has stuck open or the wire to it has failed. There is a TSB covering those latches failing to lock using the power locks, does the door lock using the switch? If no, then you might want to call a dealer and talk to them. The TSB is number 14-01-004-01 and depending on your VIN and build date it might be covered under that TSB for the repair. Likely not free but it could be a reduced cost repair.
If not, then the repair involves replacing the door latch assembly or the door module harness itself depending on which part has the actual failure. Are the interior lights also staying on as well? Asking because they should use the same switch for both.
Something to try before tearing the door apart to replace the latch if it isn't covered would be to spray some lube into the door latch, then open and close it a number of times to see if the latch frees up enough to trigger the switch. If it doesn't then replacement is the next solution.

For that it involves removing the interior door trim panel, then the window glass and then the outer door handle and the inner door panel module to get into the door and remove the latch. To even test the wiring to verify that it is the switch requires the same work. The issue is that the switch grounds between pin one and two on the connector. To test if it's the switch or farther up the harness you need to unplug the latch, which is under the door module.

The TSB is at:

https://www.tsbsearch.com/Hyundai/14-01-004-1
And includes the instructions for latch replacement as well as what is and isn't covered.
Oct 9, 2021 at 7:37 PM
Avatar
JACOBANDNICKOLAS
  • CERTIFIED EXPERT
  • 110,175 POSTS
Hi,

There is a front door latch sensor that may be disconnected or failed. The connector is on the latch assembly itself inside the door. See pic 1 below.

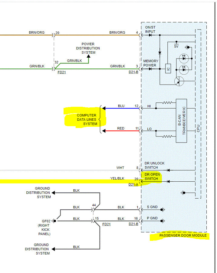
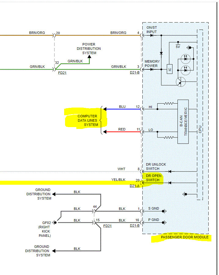
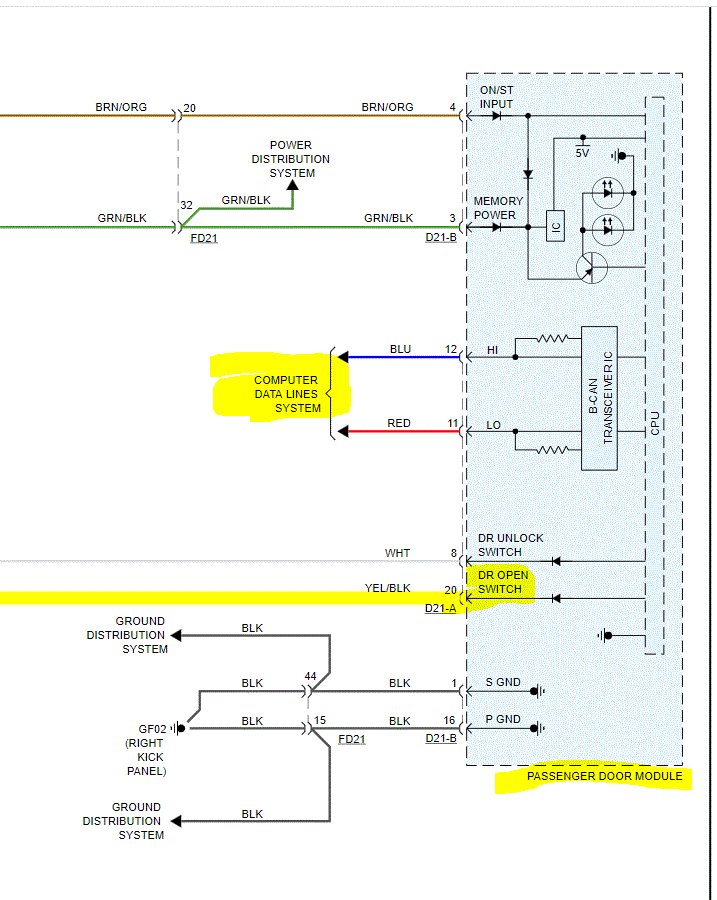
There is also a door control module that may have failed or there could be an issue within the can-bus system. CAN stands for controller area network. Basically, all computers/modules are tied together via a few wires. What can be done to check for diagnostic trouble codes is to scan the can-bus. This type of scan will retrieve a code regardless of the module it is stored in.

If you look at pic 2 below, I highlighted a few things so you can have a better understanding of how it's put together. The first thing I suggest is to just confirm things are properly connected and not damaged at the module and the latch assembly. If everything looks good, the CAN should be scanned to see if there are codes stored.

Here is a video showing how to scan the can-bus:

https://youtu.be/InIlnsjOVFA

The procedure requires a scan too that can read the CAN system. However, I feel it would be a good idea because the problem could be hard to find. A specific code should point us in the right direction. I went through the wiring schematics for the doors. They are three pages long, so it isn't something that is simple to diagnose without the scan.

Let me know your thoughts or if you have other questions.

Take care,

Joe

See pics below.
Oct 9, 2021 at 7:53 PM
Advertisement