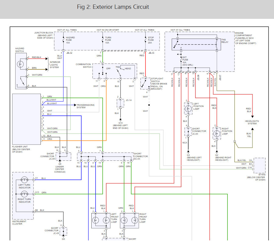
The door a jar light and dinger is on as wells as my parking lights are always on. I sprayed the door latches and still the door light and dinger are still on.
Also I do believe my airbag clock spring is bad because I also don't have power to my windows.
Also I do believe my airbag clock spring is bad because I also don't have power to my windows.
Aug 26, 2019 at 8:57 AM


