Done lights and map lights not working, even manually?

2002 CHEVROLET SUBURBAN
180,000 MILES • 5.3L • V8 • 4WD • AUTOMATIC
Avatar
MFUCHS01
  • MEMBER
  • 5 POSTS
Got in my truck, opened doors and no dome lights came on. Checked the dome override switch and they still didn’t work. I tried pushing the map light buttons and they do not work either. Same issue for Borge front and middle map lights/domes.
Aug 29, 2023 at 2:36 AM
Advertisement
Avatar
STRAILER
  • CERTIFIED EXPERT
  • 53,854 POSTS
The first thing to do is check the CTSY LP fuse #58 in the engine bay fuse panel.

Here is a guide to help and the fuse locations as well:

https://www.2carpros.com/articles/how-to-check-a-car-fuse

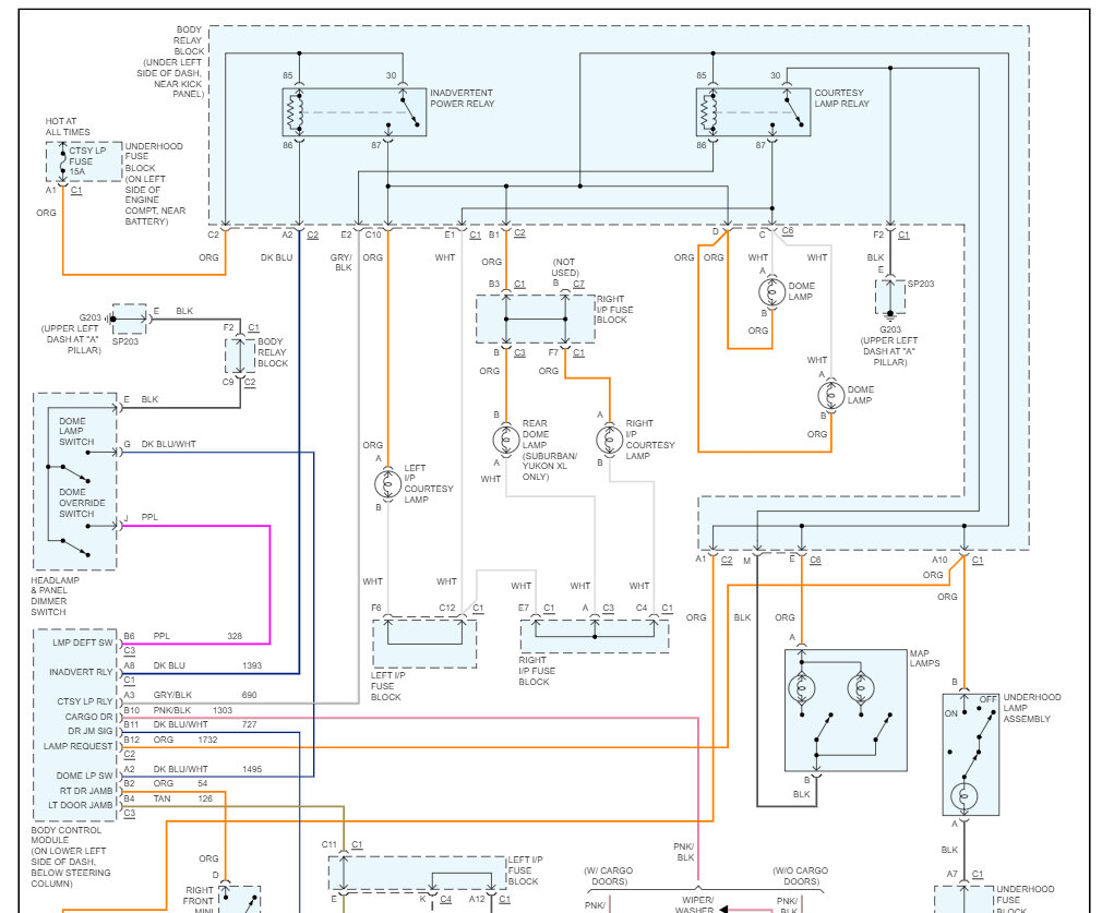
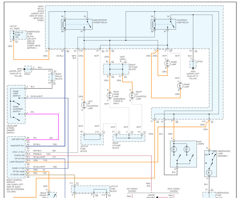
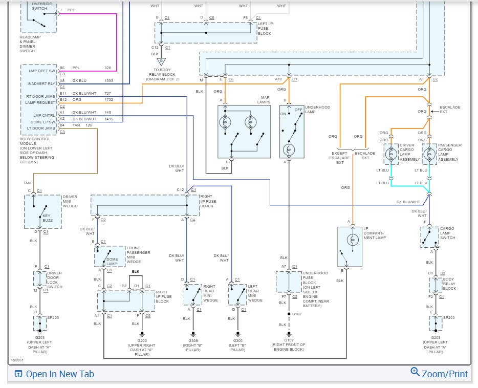
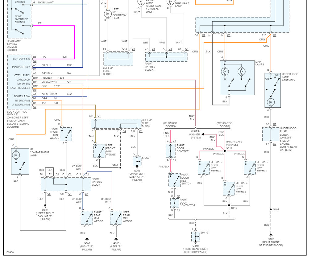
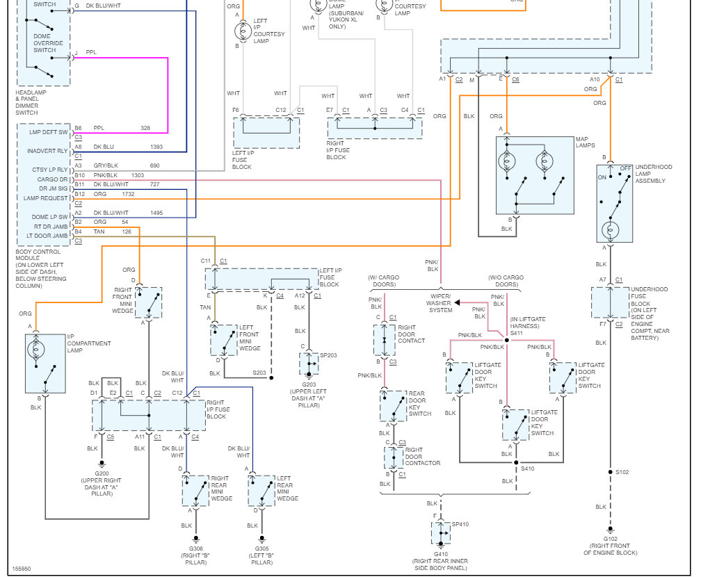
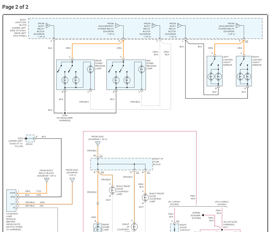
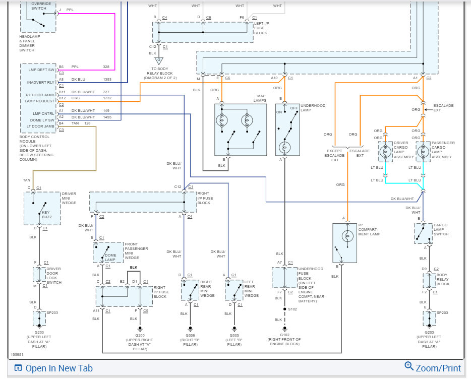
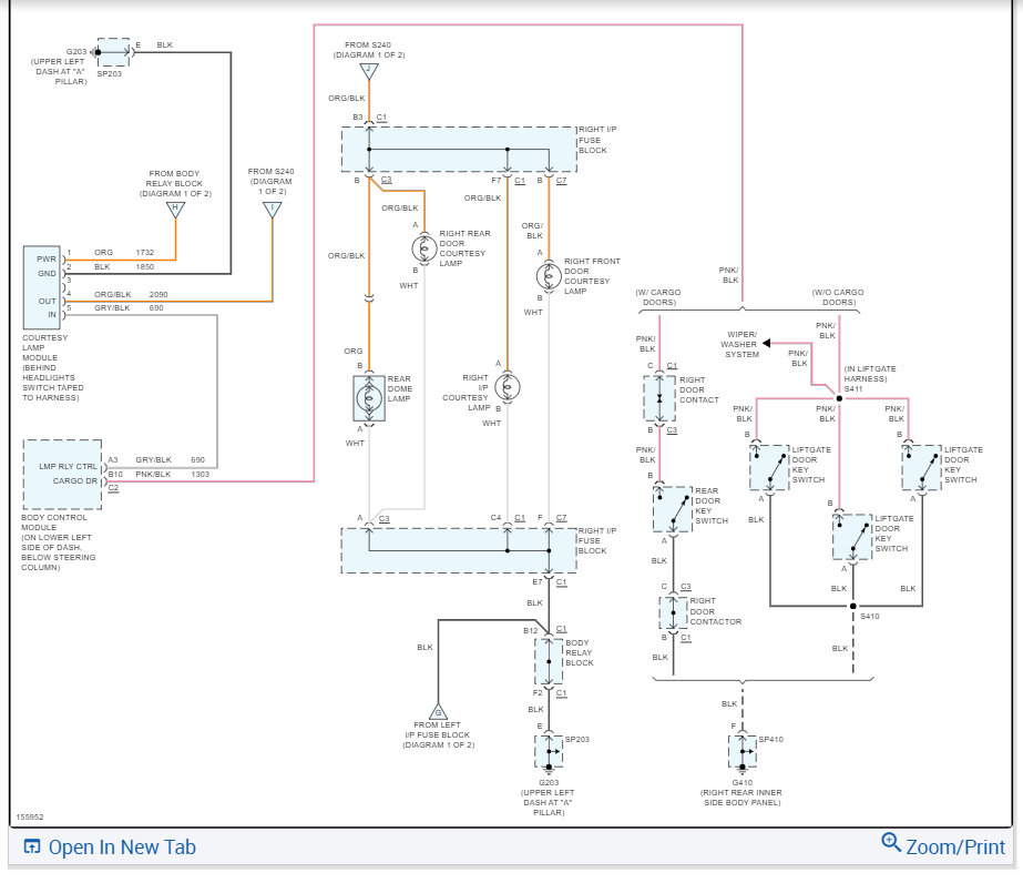
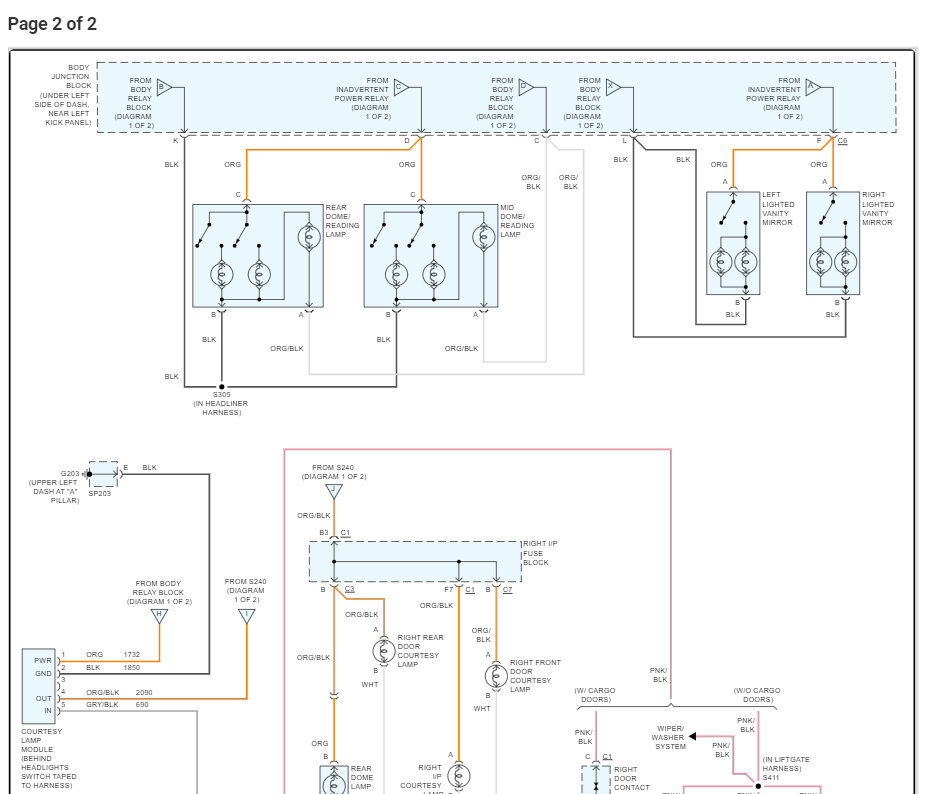
If the fuse is okay swap out the courtesy lamp relay i the left side fuse panel (BODY), this is for base models only. Here are the dome light wiring diagrams so you can see how the system works. Check out the images (below). Please let us know what happens.



Aug 29, 2023 at 2:13 PM
Avatar
MFUCHS01
  • MEMBER
  • 5 POSTS
I pulled the fuse #58 and it was blown. When I replaced it the new one blew instantaneously. Did I do something wrong?
Aug 29, 2023 at 2:25 PM
Advertisement
Avatar
MFUCHS01
  • MEMBER
  • 5 POSTS
Ken L., Also just wanted to clarify that all other electrical components seem to be working properly. Headlights, turn signals, power locks, windows, power mirrors, front rear wipers. Etc. The problem seems to only be map lights, dome lights front and rear. Like I said, I replaced the fuse, and it blew instantly. Thanks for your time, if you have any other ideas how to proceed. 2002 suburban Lt 4wd. No sunroof.
Aug 29, 2023 at 3:31 PM
Avatar
STRAILER
  • CERTIFIED EXPERT
  • 53,854 POSTS
You didn't do anything wrong; you have a short in that circuit, I would remove the dome lights and look for one of them being melted also check the bulbs and the sockets for damage. 9 times out of 10 this will be the problem.
Aug 30, 2023 at 10:12 AM
Avatar
MFUCHS01
  • MEMBER
  • 5 POSTS
Thanks Ken, I will let you know the results when I get the chance to look at them. I appreciate your help.
Aug 30, 2023 at 10:14 AM
Avatar
STRAILER
  • CERTIFIED EXPERT
  • 53,854 POSTS
You are welcome, please let me know how it goes.
Aug 31, 2023 at 10:19 AM
Avatar
MFUCHS01
  • MEMBER
  • 5 POSTS
Ken. I didn’t check all the bulbs, but a ground wire looks like it snapped off from the connector. I am going to see if this fixes the problem. Any advice on this? The ground wire I question runs up to the hood light and into the firewall.
Sep 10, 2023 at 10:20 AM
Avatar
STRAILER
  • CERTIFIED EXPERT
  • 53,854 POSTS
Is that a wire that is broken? If not, this will not be the problem, you can try fixing it to see if the fuse blows, the under-hood light can cause the fuse to blow, can you check it to see if it was overheated?
Sep 11, 2023 at 11:36 AM