Dome override switch

2000 CADILLAC ESCALADE
200,000 MILES • 5.7L • V8 • 4WD • AUTOMATIC
Avatar
DAKODAYON
  • MEMBER
  • 1 POST
Does anyone know what color the ground wire is on my Escalade? Everytime I turn it on my driver side taillight stops working. If anyone knows I would be grateful
Feb 2, 2016 at 9:17 AM
Advertisement
Avatar
HMAC300
  • CERTIFIED EXPERT
  • 48,601 POSTS
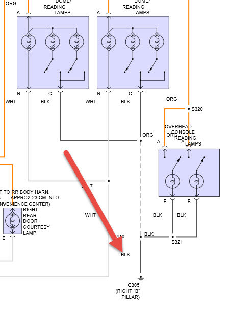
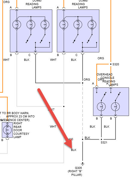
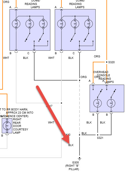
its ' black and connects to right B pillar, one between front and rear doors. see pic. it's same ground for all dome lights.
Feb 2, 2016 at 9:40 AM
Avatar
HMAC300
  • CERTIFIED EXPERT
  • 48,601 POSTS
also check ground on lh side of dash as that is where the headlight switch grounds. However if those are ok then have it scanned as it may be a body module problem. auto parts cannot scan for this.
Feb 2, 2016 at 9:41 AM
Advertisement