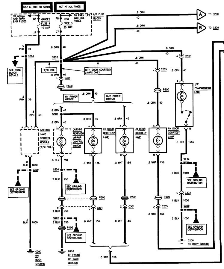
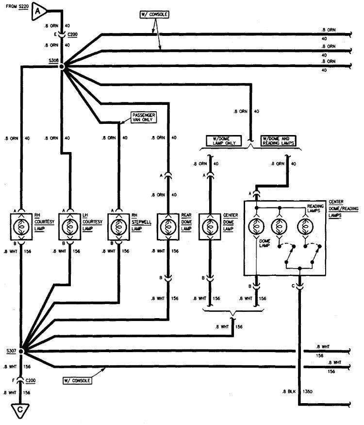
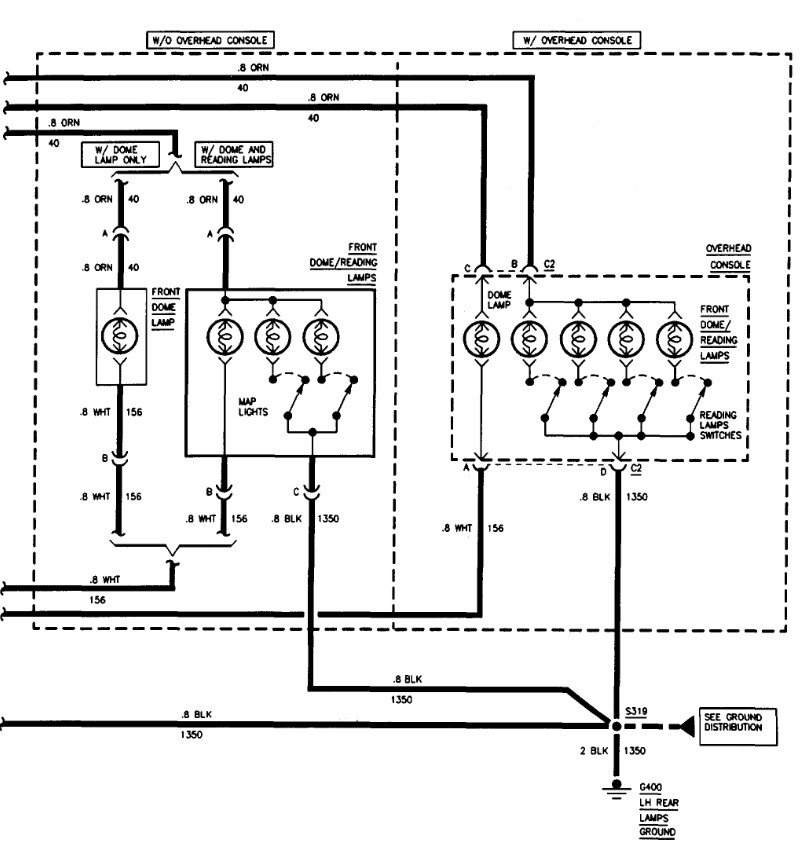
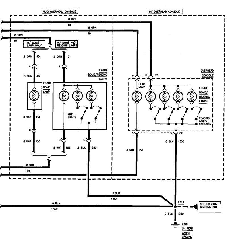
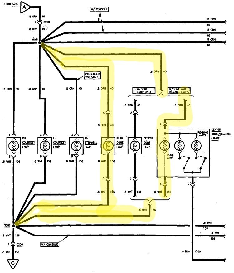
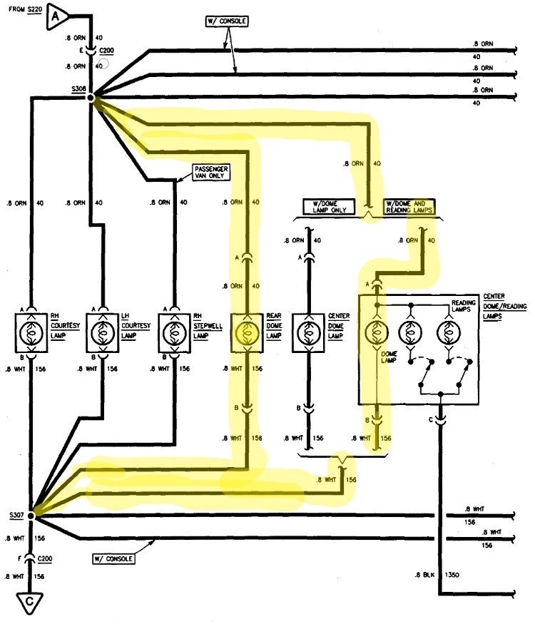
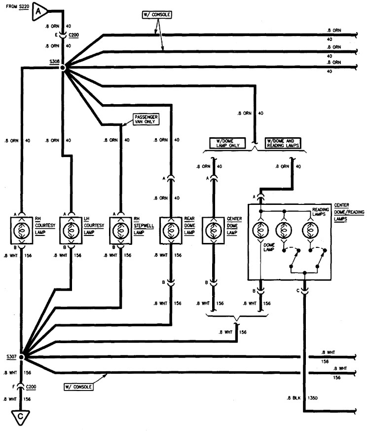
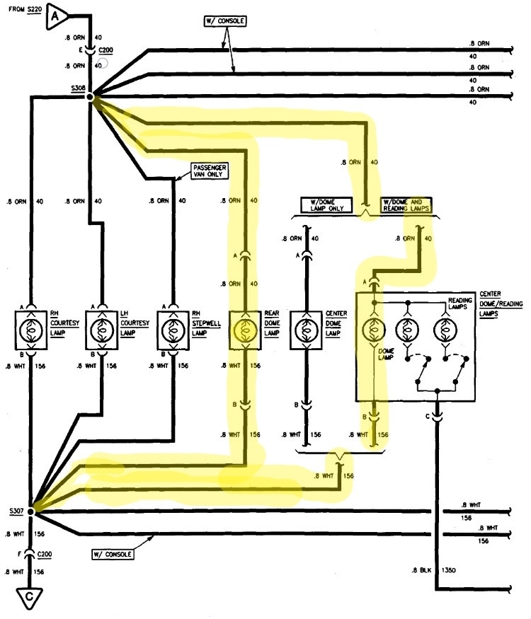
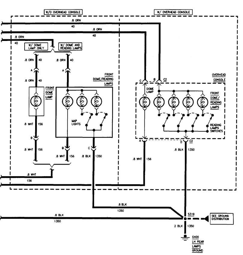
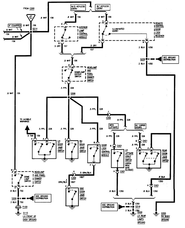
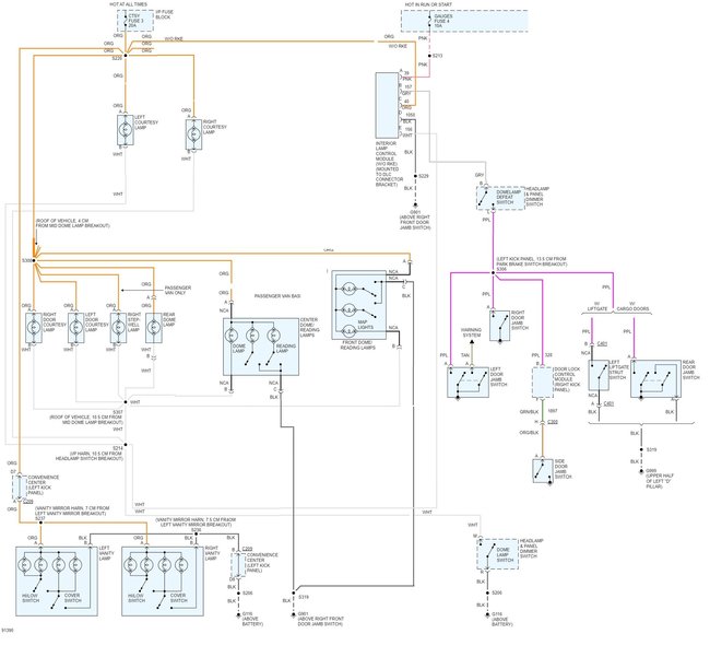
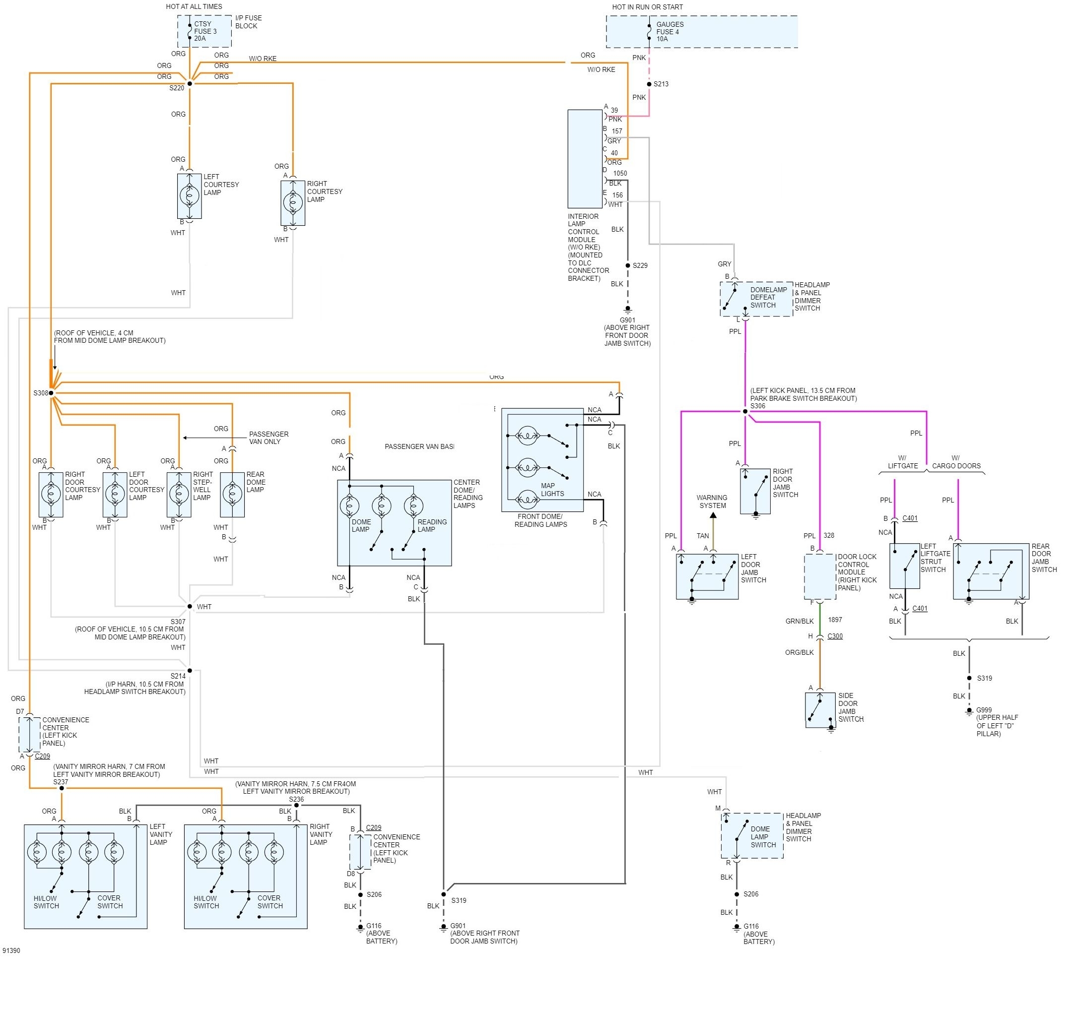
My dome lights weren't turning off and drained my battery several times before I realized what was happening. I figured there was a short somewhere, so as a temporary fix I removed one of the lightbulbs on the rear dome light. I pulled the fuse before removing the bulb, and now when I go to reinsert the fuse it sparks. I haven't fully interested it in case it blows or causes other problems. I'm still pretty sure this is all being caused by a short somewhere.
Should I reinsert the light and leave out the fuse? I'm assuming that as long as the fuse is out the circuit isn't hot but is that correct?
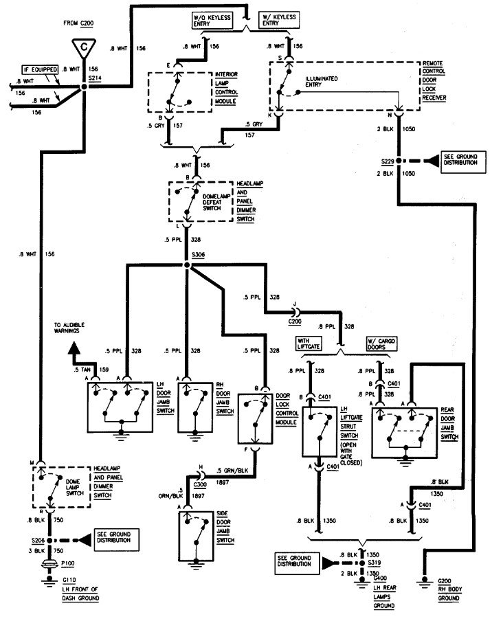
Should I reinsert the light and leave out the fuse? I'm assuming that as long as the fuse is out the circuit isn't hot but is that correct?
Jun 4, 2022 at 6:25 PM












