Dome lights say on?

2003 MITSUBISHI GALANT
140,000 MILES • 2.4L • 4 CYL • 2WD • AUTOMATIC
Avatar
PAULSENJAKE
  • MEMBER
  • 30 POSTS
The dome light doesn't turn off like the switch doesn't work and is definitely draining the battery what needs to be replaced to fix the issue.
Aug 29, 2024 at 6:58 PM
Advertisement
Avatar
JACOBANDNICKOLAS
  • CERTIFIED EXPERT
  • 110,175 POSTS
Hi,

On the dome light, there is a three-way switch, On, Off, and door-controlled operation. If you place the switch in the off position, does it turn off? If not, we have a short to power at some point. In the off position, the light shouldn't turn on even with the door open.

Also, do all interior lights stay on or is it limited to one? Note: The front, rear, and trunk lights have a common power supply, so I'm trying to narrow things down.

Let me know.

Joe
Aug 29, 2024 at 7:41 PM
Avatar
PAULSENJAKE
  • MEMBER
  • 30 POSTS
No it doesn't turn off.
Aug 30, 2024 at 2:28 PM
Advertisement
Avatar
JACOBANDNICKOLAS
  • CERTIFIED EXPERT
  • 110,175 POSTS
Hi,

Are any of the other interior lights staying on?

If they aren't, it sounds like the dome light switch itself is the problem. Let me know if that is the case. If it is, chances are you will need to get a different light assembly from a salvage yard due to the model year. Until that happens, you may want to remove the light bulb to prevent a drain on the battery.

Let me know.

Joe
Aug 30, 2024 at 8:28 PM
Avatar
PAULSENJAKE
  • MEMBER
  • 30 POSTS
I think it's drawing too much power it has 13v going to it and I heard that the radio is on the same one and it's had issues it struggles to turn up or down the volume.
Aug 31, 2024 at 10:39 AM
Avatar
JACOBANDNICKOLAS
  • CERTIFIED EXPERT
  • 110,175 POSTS
Hi,

The light should receive battery voltage, so the voltage you indicated sounds normal. Is it only one light staying or is it more than one? (also, the radio gets battery voltage as well)

Let me know.

Joe
Aug 31, 2024 at 6:39 PM
Avatar
STRAILER
  • CERTIFIED EXPERT
  • 53,854 POSTS
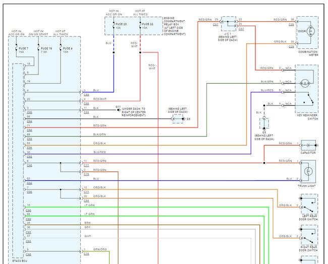
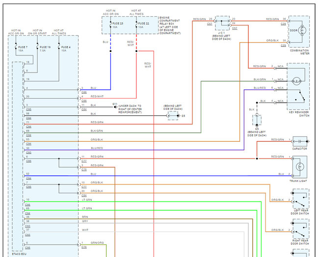
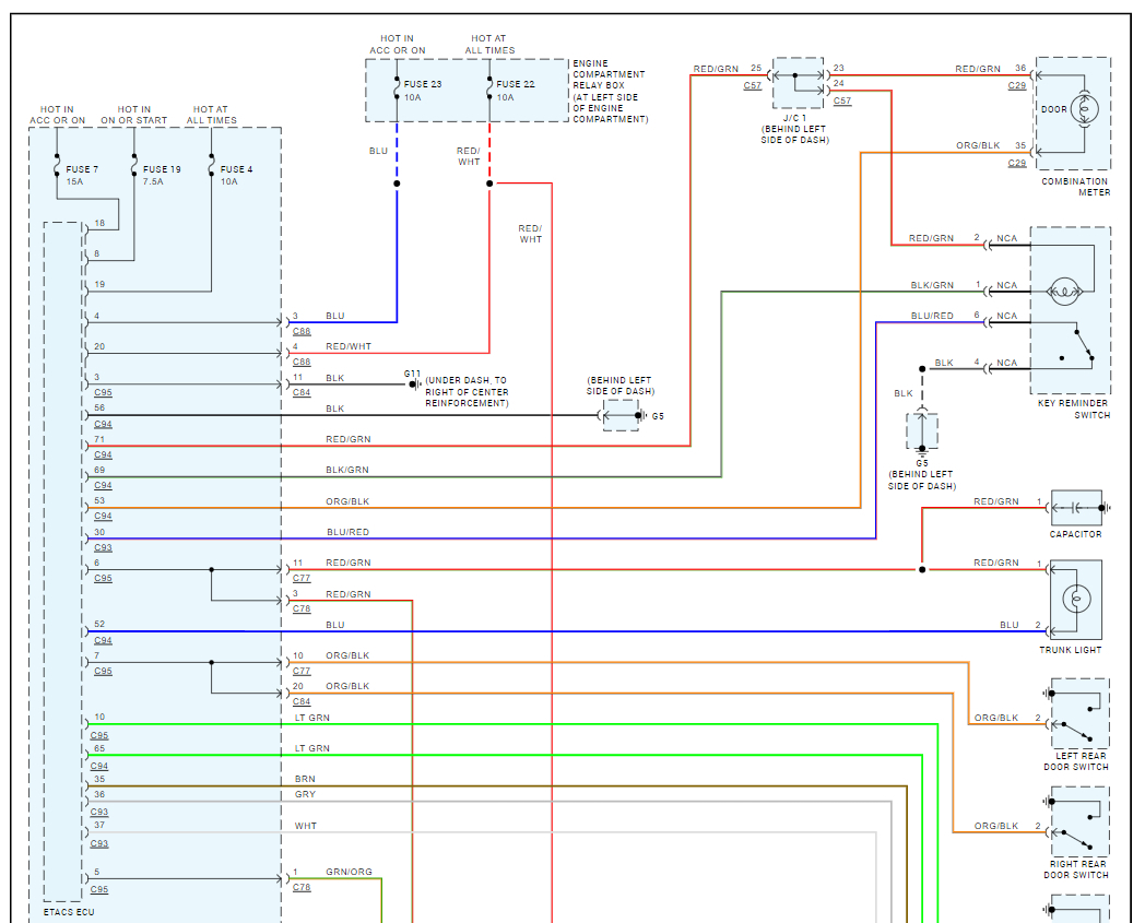
There are four dome light switches, one at each door, any of these can be bad and grounding the circuit causing the dome light to stay on. I would unplug them one at a time to see if the problem goes away. Also, the dome lights are controlled by an ETACS module that might be bad as well, but I think we should start with the door switched, here is a wiring diagram for the dome light so you can see how the system works. The switches are in the door jam. Check out the images (below). Please let us know what happens.

Sep 4, 2024 at 11:24 AM