Hi,
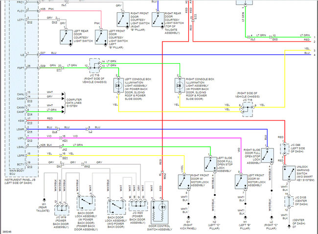
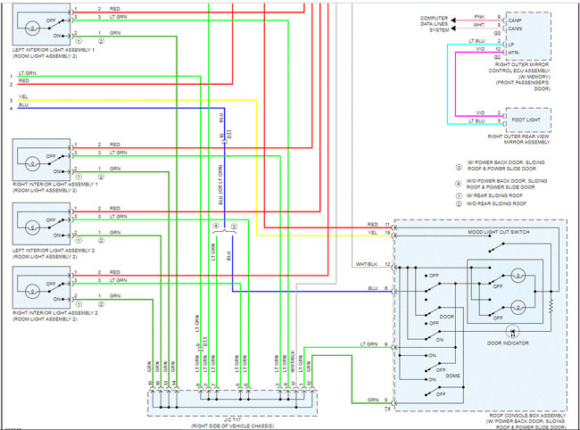
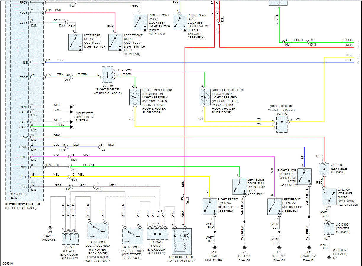
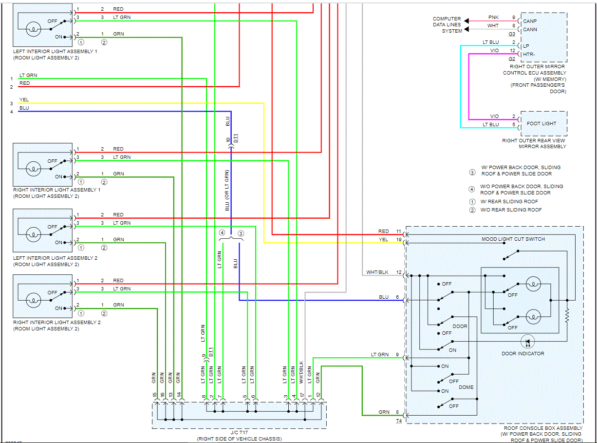
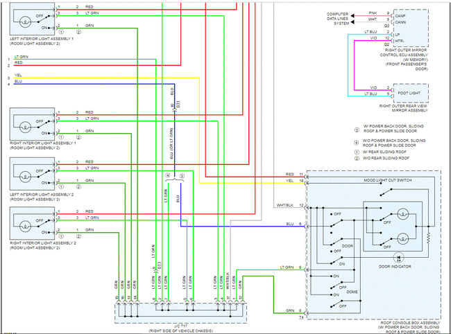
I need to know which pins you are jumping. If you look below, I attached the entire wiring schematic for the dome lights/interior courtesy lighting. Let me know which you are jumping. I have a feeling it is pins 3 and 5 in the pic. If that is the case, I need you to check the purple wire (pin 1) for power when the door is open.
Here is a link you may find helpful:
https://www.2carpros.com/articles/how-to-check-wiring
Let me know what you find.
Take care,
Joe
See pics below.
Images (Click to enlarge)
Apr 23, 2021 at 7:40 PM