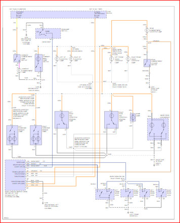
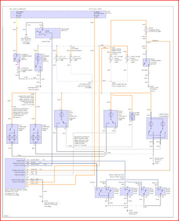
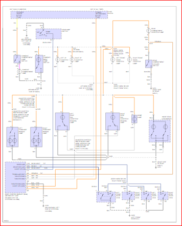
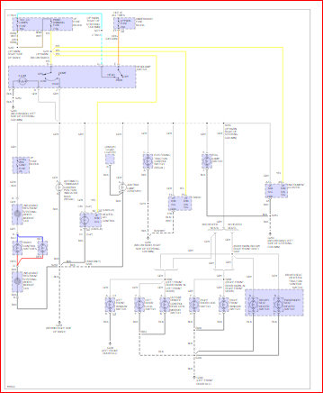
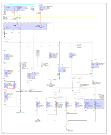
My dome light stopped working a few days ago as it was working fine before this. So now my door/trunk light on the dash is always on. I checked my fuse box and one fuse that was blown (15 amp) also controls the radio constant power and the power windows. So when I replace that fuse with a new one when the car's ignition is on the radio and windows now work, but if I turn my ignition off there is a short that causes that same 15 amp fuse to blow but only if the ignition is turned off it grounds that circuit. But with a new fuse in that circuit the dome light does not work in the car at all, so I believe there is probably a short in the dome light circuit that is tied into the same circuit with the 15 amp fuse with the radio and power windows. Any ideas on what I should look at in my vehicle next? I am convinced that something in that circuit is grounding and causing the dome light to not work at all. Please help, thanks.
Oct 4, 2018 at 10:17 PM

