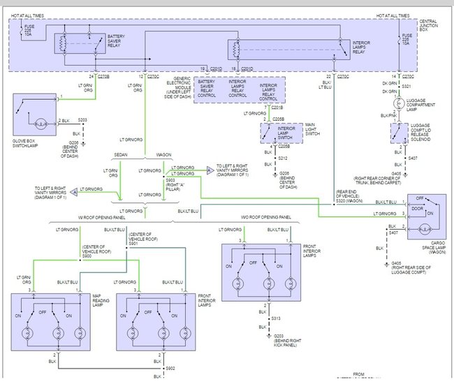
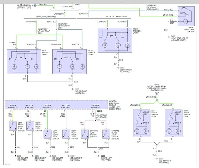
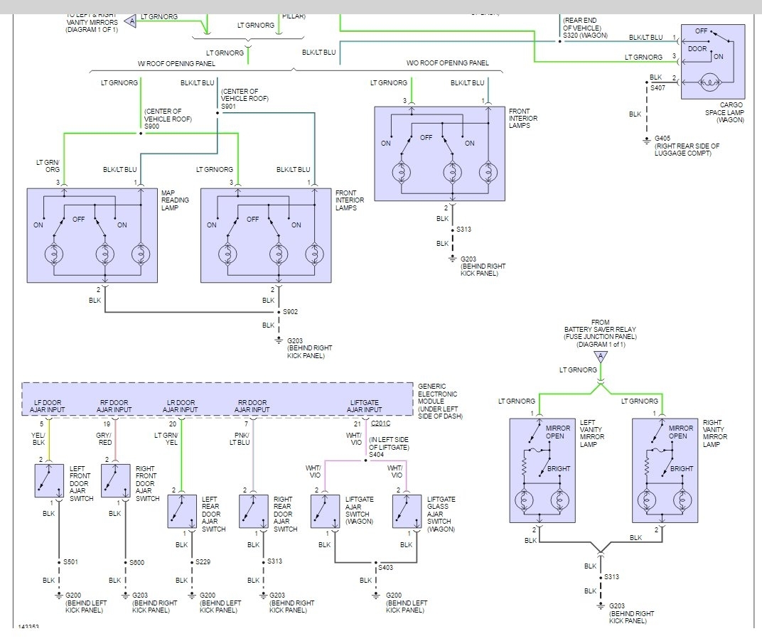
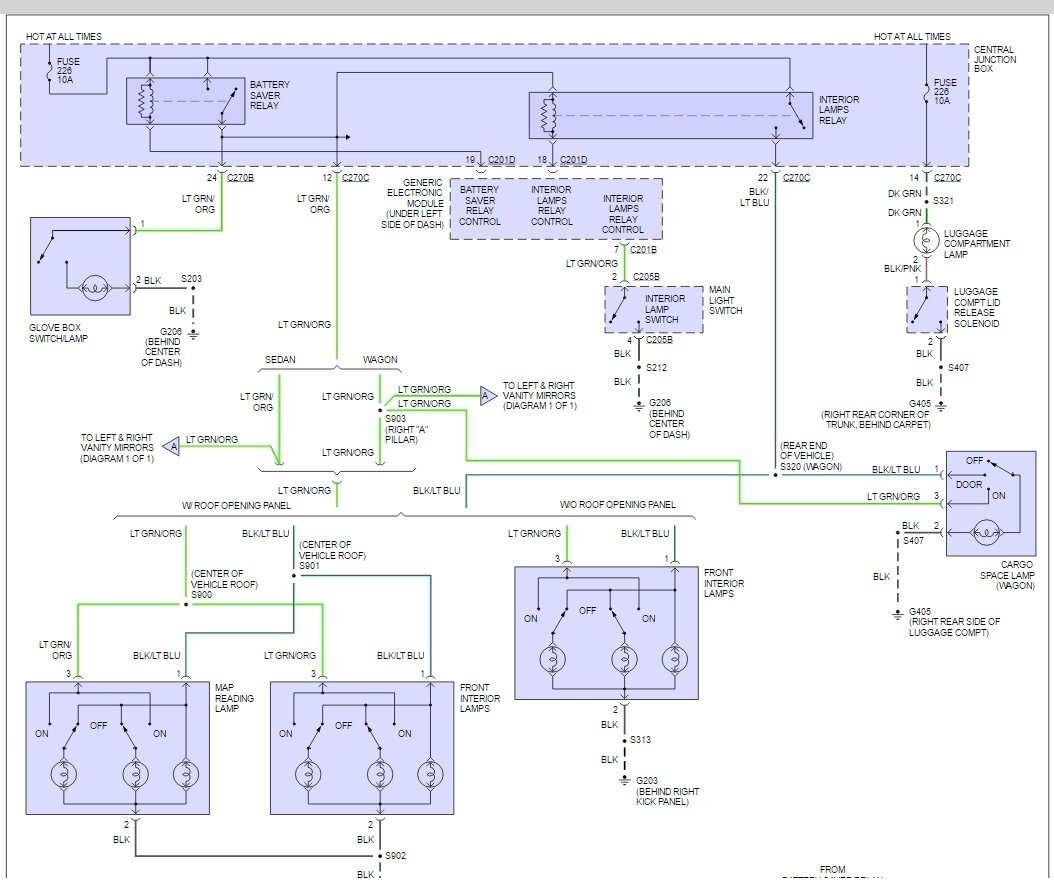
My dome lights go off when I get out but come back on later. I look out and they are on again and I cannot find the fuse to pull it out. I think it has something to do with the alarm system, because when the red light is on inside it does not do it. please help me.
Jan 30, 2017 at 4:05 PM

