It could be the switch but unlikely. How was the starter relay tested / run relay? Did you try starting it in neutral to see if it is related to the neutral safety switch?
_________________________
Here is a link that explains how to test a relay:
https://www.2carpros.com/articles/how-to-check-an-electrical-relay-and-wiring-control-circuit
________________________
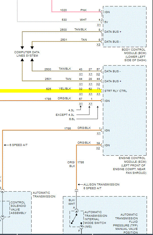
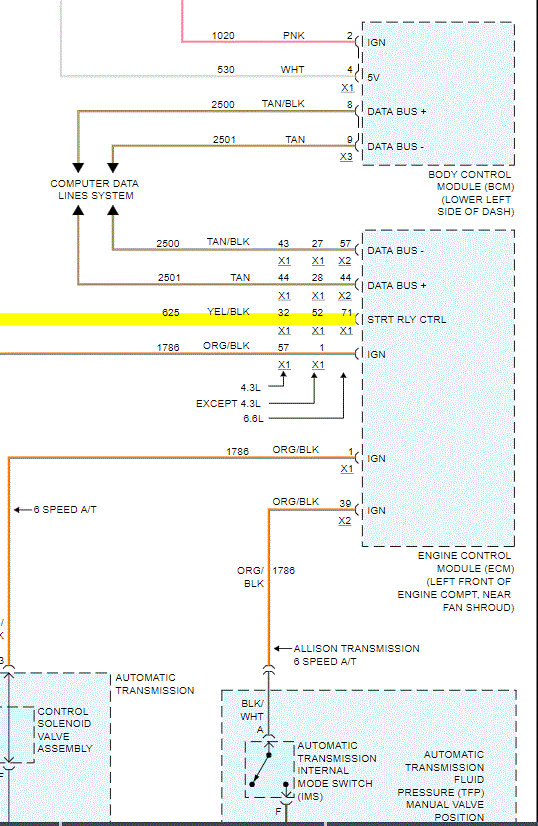
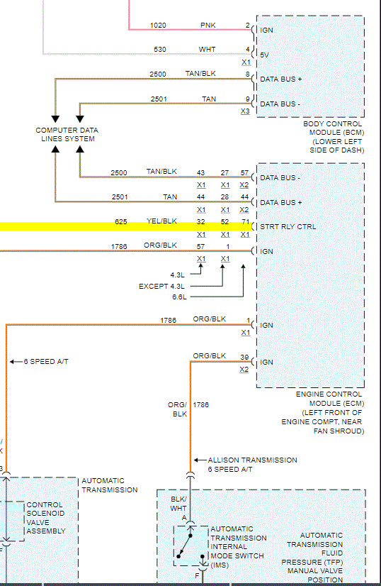
Now, if you are getting no nose from the starter / power to it, here is a flow chart for checking possible causes. Pic 1 correlates with the directions. It will require a scanner for some of the tests.
________________________
2008 Chevy Truck Silverado 3500 4WD V8-6.0L
Starter Solenoid Does Not Click
Vehicle Starting and Charging Testing and Inspection Symptom Related Diagnostic Procedures Starter Solenoid Does Not Click
STARTER SOLENOID DOES NOT CLICK
Starter Solenoid Does Not Click
Diagnostic Instructions
* Perform the Diagnostic System Check - Vehicle prior to using this diagnostic procedure. See: Vehicle > Initial Inspection and Diagnostic Overview
* Review Strategy Based Diagnosis for an overview of the diagnostic approach.
* Diagnostic Procedure Instructions provides an overview of each diagnostic category.
Diagnostic Fault Information
pic 1
Circuit/System Description
The engine control module (ECM) controls engine cranking based on a power mode input and the status of the park/neutral position (PNP) switch or clutch pedal position sensor. With the transmission in Park/Neutral, voltage at the ECM PNP switch signal circuit is low. This indicates to the ECM that conditions are acceptable for cranking. When a power mode crank request is seen, the ECM applies voltage to the starter relay coil control circuit. This energizes the coil side of the relay, which pulls the switch side of the relay closed, applying voltage to the starter X2-S terminal and engaging the starter solenoid.
Diagnostic Aids
* Inspect the STRTR Fuse 60 (LMM) or 64 (w/o LMM), and the 175 A MEGA Fuse for an open.
* A misadjusted PNP switch (M30 4L60E, M70 4L70E) or range selector lever cable (automatic) may result in a starter solenoid does not click condition.
Circuit/System Verification
1. Ignition ON, transmission in Park or Neutral. Observe the PNP Switch parameter with a scan tool, in Engine Control Module, Data Display, Engine Data. Verify that the scan tool PNP Switch parameter is Park/Neutral (automatic only).
If the scan tool PNP Switch parameter is not Park/Neutral, refer to Circuit/System Testing: PNP Switch Circuit Malfunction.
2. Command the Starter Relay ON with the scan tool, or turn the ignition switch to the START position. The starter solenoid should engage and the engine should crank.
If the solenoid does not engage, refer to Circuit/System Testing: STRTR Relay Circuit Malfunction.
If the solenoid engages but the engine does not crank, refer to Starter Solenoid Clicks, Engine Does Not Crank. See: Starting and Charging > Symptom Related Diagnostic Procedures > Starter Solenoid Clicks, Engine Does Not Crank
Circuit/System Testing
PNP Switch Circuit Malfunction (M30 4L60E, M70 4L70E)
1. Inspect the range selector lever cable for proper adjustment.
2. Inspect the park/neutral position switch for proper adjustment.
3. Ignition OFF. Disconnect the harness connector from the park/neutral switch. Refer to Park/Neutral Position Switch Replacement.
4. Ignition ON. Probe the ground circuit terminal 7 with a test lamp that is connected to B+. Verify that the test lamp illuminates.
If the test lamp does not illuminate, test the ground circuit for an open/high resistance.
5. Verify that the scan tool PNP Switch parameter is In Gear.
If not the specified value, test the signal circuit terminal 3 for a short to ground. If the circuit tests normal, replace the ECM.
6. Install a 3A fused jumper wire between the ground circuit terminal 7 and the signal circuit terminal 3. Verify that the scan tool PNP Switch parameter is Park/Neutral.
If not the specified value, test the signal circuit for an open/high resistance. If the circuit tests normal, replace the ECM.
7. If all circuits test normal, test or replace the park/neutral position switch.
PNP Switch Circuit Malfunction (MYC 6L80E, MYD 6L90E)
1. Inspect the range selector lever cable for proper adjustment.
2. Ignition OFF. Disconnect the 16-way harness connector from the transmission.
3. Ignition ON. Measure voltage on the park/neutral signal circuit terminal 3 with a DMM. Verify that there is greater than 10 volts on the park/neutral signal circuit.
If there is less than 10 volts on the park/neutral signal circuit, test the circuit for an open or a short to ground. If OK, replace the ECM.
4. Ignition OFF, reconnect the 16-way harness connector to the transmission.
5. Remove the automatic transmission fluid pan.
6. Disconnect the manual shift shaft position switch connector at the control solenoid valve assembly.
7. Ignition ON, verify that the scan tool PNP Switch parameter displays In Gear.
If not the specified value, replace the ECM.
8. Connect a 3-amp fused jumper wire between the park/neutral signal terminal F at the control solenoid valve assembly and ground. The scan tool PNP Switch parameter should display Park/Neutral when the terminal is connected to ground.
If not the specified value, replace the ECM.
9. If all components test normal, test or replace the manual shift shaft position switch.
PNP Switch Circuit Malfunction (MW7 Allison)
1. Inspect the range selector lever cable for proper adjustment.
2. Ignition OFF. Disconnect the engine chassis harness to transmission internal harness connector X175.
3. Verify that the scan tool PNP Switch parameter is In Gear.
If not the specified value, test the signal circuit terminal R for a short to ground. If the circuit tests normal, replace the ECM.
4. Install a 3A fused jumper wire between the signal circuit terminal R and ground. Verify that the scan tool PNP Switch parameter is Park/Neutral.
If not the specified value, test the signal circuit for an open/high resistance. If the circuit tests normal, replace the ECM.
5. If all circuits test normal, test or replace the transmission internal mode switch.
STRTR Relay Circuit Malfunction
1. Ignition OFF, disconnect the STRTR relay.
2. Ignition ON, transmission in Park/Neutral. Verify that a test lamp illuminates between the relay coil ground circuit terminal and B+.
If the test lamp does not illuminate, test the ground circuit for an open/high resistance.
3. Probe the STRTR Relay switch B+ circuit terminal with a test lamp that is connected to ground. Verify that the test lamp illuminates.
If the test lamp does not illuminate, test the B+ circuit for a short to ground or an open/high resistance. Inspect the 175 A MEGA fuse for an open. If the circuit tests normal and the 175 A MEGA fuse is open, test the relay controlled output circuit for a short to ground.
4. Connect a test lamp between the relay coil ground circuit terminal and the relay coil control circuit terminal.
Important: The engine may begin to crank.
5. Ignition ON, transmission in Park/Neutral. Command the Starter Relay ON and OFF with a scan tool, or turn the ignition switch between the START and RUN positions. The test lamp should turn ON and OFF when changing between the commanded states.
If the test lamp is always ON, test the relay coil control circuit for a short to voltage. If the circuit tests normal, replace the ECM.
If the test lamp is always OFF, test the relay coil control circuit for a short to ground or and open/high resistance. Inspect the STRTR fuse for an open. If the STRTR fuse is open, test the relay controlled output circuit for a short to ground, or replace the starter solenoid (LMM) or starter. If the circuit and fuse test normal, replace the ECM.
6. Connect the STRTR relay.
7. Install a test lamp between the starter X2-S terminal and ground.
Important: The engine may begin to crank.
8. Ignition ON, transmission in Park/Neutral, command the Starter Relay ON with a scan tool, or turn the ignition switch to the START position. The test lamp should illuminate.
If the test lamp does not illuminate, test the relay controlled output circuit for an open/high resistance. If the circuit tests normal, test or replace the STRTR relay.
9. If all circuits test normal, test or replace the starter, or the starter solenoid (LMM 6.6L Diesel).
Component Testing
PNP Switch (M30 4L60E, M70 4L70E)
1. Inspect the range selector lever cable for proper adjustment.
2. Inspect the park/neutral position switch for proper adjustment.
3. Ignition OFF. Disconnect the harness connector from the park/neutral switch. Refer to Park/Neutral Position Switch Replacement.
4. With the PNP switch in the following positions, test for infinite resistance between the ground terminal 7 and the signal terminal 3.
* R
* OD
* D
* 2
* 1
If not the specified value, replace the PNP switch.
5. With the PNP switch in the following positions, test for less than 2.0 ohms between the ground terminal 7 and the signal terminal 3.
* P
* N
If greater than the specified range, replace the PNP switch.
STRTR Relay
1. Ignition OFF, remove the STRTR relay. Refer to Relay Replacement (Attached to Wire Harness) Relay Replacement (Within an Electrical Center).
2. Test for 60-180 ohms between terminals 85 and 86.
If not within the specified range, replace the relay.
3. Test for infinite resistance between the following terminals:
* 30 and 86
* 30 and 87
* 30 and 85
* 85 and 87
If not the specified value, replace the relay.
4. Install a 20 amp fused jumper wire between relay terminal 85 and 12 volts. Install a jumper wire between relay terminal 86 and ground. Test for less than 2.0 ohms between terminals 30 and 87.
If greater than specified range, replace the relay.
Repair Instructions
Perform the Diagnostic Repair Verification after completing the diagnostic procedure. See: A L L Diagnostic Trouble Codes ( DTC ) > Verification Tests
* Clutch Pedal Position Sensor Learn (TZ0 Manual)
* Range Selector Lever Cable Adjustment (M30 4L60E, M70 4L70E)
* Range Selector Lever Cable Adjustment (MYC 6L80E, MYD 6L90E)
* Range Selector Lever Cable Adjustment (MW7 Allison)
* Park/Neutral Position Switch Adjustment (M30 4L60E, M70 4L70E)
* Relay Replacement (Attached to Wire Harness) Relay Replacement (Within an Electrical Center)
* Starter Solenoid Cable Replacement (4.3L) Starter Solenoid Cable Replacement (4.8L, 5.3L, 6.0L, and 6.2L) Starter Solenoid Cable Replacement (6.6L) Starter Solenoid Cable Replacement (6.2L w/Auxiliary Battery)
* Clutch Pedal Engine Start Switch Replacement (TZ0 Manual)
* Park/Neutral Position Switch Replacement (M30 4L60E, M70 4L70E)
* Control Valve Body Assembly Removal for shift shaft position switch replacement (MYC 6L80E, MYD 6L90E)
* Control Valve Body Assembly Disassemble for shift shaft position switch replacement (MYC 6L80E, MYD 6L90E)
* Transmission Internal Mode Switch Replacement (MW7 Allison)
* Starter Motor Solenoid Replacement (6.6L) 6.6L Diesel (LMM)
* Starter Motor Replacement (4.3L) Starter Motor Replacement (4.8L, 5.3L, 6.0L, and 6.2L) Starter Motor Replacement (6.6L)
__________________________
Let me know if this helps.
Joe
Mar 1, 2020 at 6:29 PM